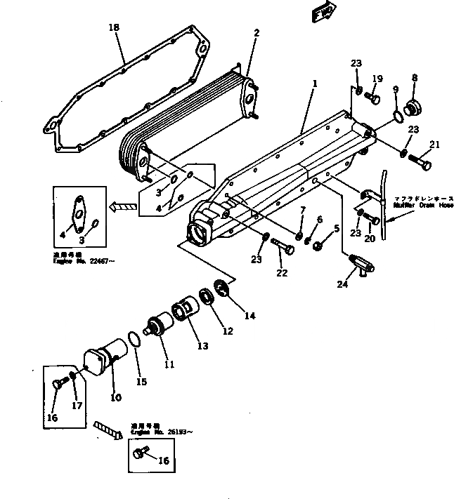
Запчасти Komatsu S6D125-1D-FE СИСТЕМА СМАЗКИ МАСЛООХЛАДИТЕЛЬ ДВИГАТЕЛЬ

Схема запчастей Komatsu S6D125-1D-FE - СИСТЕМА СМАЗКИ МАСЛООХЛАДИТЕЛЬ ДВИГАТЕЛЬ
1
4
5
3
6
9
8
10
8
9
7
2
1
4
5
3
6
9
8
10
8
9
7
2
FIT
1:1
100%

Артикул

Название

Примечание

Количество

1

6150-61-2123

COVER

SN: 18372-UP

1шт.

1

6150-61-2122

COVER

SN: 12463-18371

1шт.

1

6150-61-2121

COVER

SN: 10423-12462

1шт.

2

6151-61-2111

ELEMENT

SN: 10423-UP

1шт.

3

6150-61-2510

O-RING (K2)

SN: 10423-UP

2шт.

4

6150-61-2560

GASKET (K2)

SN: 22467-UP

2шт.

4

6150-61-2520

O-RING

SN: 17810-22466

4шт.

4

6150-61-2520

O-RING (K2)

SN: 10423-17809

4шт.

5

01582-11008

NUT

SN: 10423-UP

4шт.

6

01602-21030

WASHER,SPRING

SN: 10423-UP

4шт.

7

01640-21016

WASHER

SN: 10423-UP

4шт.

8

6150-61-2530

PLUG

SN: 10423-UP

1шт.

9

6150-61-2550

O-RING (K2)

SN: 10423-UP

1шт.

10

6150-61-2131

COVER

SN: 10423-UP

1шт.

11

6212-65-2610

THERMOSTAT

SN: 39816-UP

1шт.

11

0

THERMOSTAT

SN: 10423-39815

1шт.

12

6150-61-2540

SEAL (K2)

SN: 10423-UP

1шт.

13

6150-61-2141

CASE

SN: 10423-UP

1шт.

14

6150-61-2151

PLATE

SN: 10423-UP

1шт.

15

07000-63042

O-RING (K2)

SN: 10423-UP

1шт.

16

01435-00825

BOLT

SN: 26193-UP

2шт.

16

01010-50825

BOLT

SN: 10423-26192

2шт.

17

01640-20816

WASHER

SN: 10423-26192

2шт.

18

6150-61-2812

GASKET (K2)

SN: 18372-UP

1шт.

18

0

GASKET (K2)

SN: 10423-18371

1шт.

19

01010-51025

BOLT

SN: 10423-UP

12шт.

20

01010-51030

BOLT

SN: 10423-UP

1шт.

21

01010-51065

BOLT

SN: 10423-UP

2шт.

22

01010-51080

BOLT

SN: 11027-UP

2шт.

22

01010-51070

BOLT

SN: 10423-11026

2шт.

23

01640-21016

WASHER

SN: 10423-UP

17шт.

24

6140-61-6512

VALVE

SN: 10423-UP

1шт.

1

6150-61-2123

COVER

SN: 18372-UP

1шт.

1

6150-61-2122

COVER

SN: 12463-18371

1шт.

1

6150-61-2121

COVER

SN: 10423-12462

1шт.

2

6151-61-2111

ELEMENT

SN: 10423-UP

1шт.

3

6150-61-2510

O-RING (K2)

SN: 10423-UP

2шт.

4

6150-61-2560

GASKET (K2)

SN: 22467-UP

2шт.

4

6150-61-2520

O-RING

SN: 17810-22466

4шт.

4

6150-61-2520

O-RING (K2)

SN: 10423-17809

4шт.

5

01582-11008

NUT

SN: 10423-UP

4шт.

6

01602-21030

WASHER,SPRING

SN: 10423-UP

4шт.

7

01640-21016

WASHER

SN: 10423-UP

4шт.

8

6150-61-2530

PLUG

SN: 10423-UP

1шт.

9

6150-61-2550

O-RING (K2)

SN: 10423-UP

1шт.

10

6150-61-2131

COVER

SN: 10423-UP

1шт.

11

6212-65-2610

THERMOSTAT

SN: 39816-UP

1шт.

11

0

THERMOSTAT

SN: 10423-39815

1шт.

12

6150-61-2540

SEAL (K2)

SN: 10423-UP

1шт.

13

6150-61-2141

CASE

SN: 10423-UP

1шт.

14

6150-61-2151

PLATE

SN: 10423-UP

1шт.

15

07000-63042

O-RING (K2)

SN: 10423-UP

1шт.

16

01435-00825

BOLT

SN: 26193-UP

2шт.

16

01010-50825

BOLT

SN: 10423-26192

2шт.

17

01640-20816

WASHER

SN: 10423-26192

2шт.

18

6150-61-2812

GASKET (K2)

SN: 18372-UP

1шт.

18

0

GASKET (K2)

SN: 10423-18371

1шт.

19

01010-51025

BOLT

SN: 10423-UP

12шт.

20

01010-51030

BOLT

SN: 10423-UP

1шт.

21

01010-51065

BOLT

SN: 10423-UP

2шт.

22

01010-51080

BOLT

SN: 11027-UP

2шт.

22

01010-51070

BOLT

SN: 10423-11026

2шт.

23

01640-21016

WASHER

SN: 10423-UP

17шт.

24

6140-61-6512

VALVE

SN: 10423-UP

1шт.

Выбрано товаров: 64