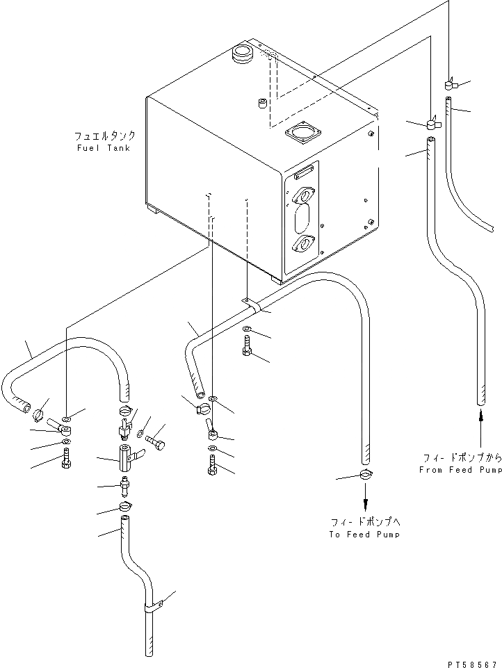
Запчасти Komatsu GD705A-4A-N ТОПЛИВОПРОВОД. КОМПОНЕНТЫ ДВИГАТЕЛЯ И ЭЛЕКТРИКА

Схема запчастей Komatsu GD705A-4A-N - ТОПЛИВОПРОВОД. КОМПОНЕНТЫ ДВИГАТЕЛЯ И ЭЛЕКТРИКА
1
1
2
2
3
3
3
3
4
5
5
5
6
7
8
9
10
11
12
13
14
15
16
17
18
19
20
21
FIT
1:1
100%

Артикул

Название

Примечание

Количество

1

238-04-12110

TUBE

SN: 13001-UP

2шт.

2

07206-11014

BOLT,JOINT

SN: 13001-UP

2шт.

3

07005-01412

GASKET

SN: 13001-UP

4шт.

4

07260-20970

HOSE

SN: 13001-UP

1шт.

5

07281-00197

CLAMP

SN: 13001-UP

4шт.

6

232-04-61190

NIPPLE

SN: 13001-UP

1шт.

7

01010-80825

BOLT

SN: 13001-UP

1шт.

8

01643-30823

WASHER

SN: 13001-UP

1шт.

9

07700-40460

VALVE,DRAIN

SN: 13001-UP

1шт.

10

232-04-52340

NIPPLE

SN: 13001-UP

1шт.

11

236-04-21190

CLIP

SN: 13001-UP

1шт.

12

07270-01275

TUBE

SN: 13001-UP

1шт.

13

08036-01814

CLIP

SN: 13001-UP

1шт.

14

07261-20916

HOSE

SN: 13001-UP

1шт.

15

04434-51710

CLIP

SN: 13001-UP

1шт.

16

01010-81016

BOLT

SN: 13001-UP

1шт.

17

01643-31032

WASHER

SN: 13001-UP

1шт.

18

07270-41018

TUBE

SN: 13001-UP

1шт.

19

07285-00130

CLIP

SN: 13001-UP

2шт.

20

07270-20490

TUBE

SN: 13001-UP

1шт.

21

07285-00085

CLIP

SN: 13001-UP

2шт.

Выбрано товаров: 21