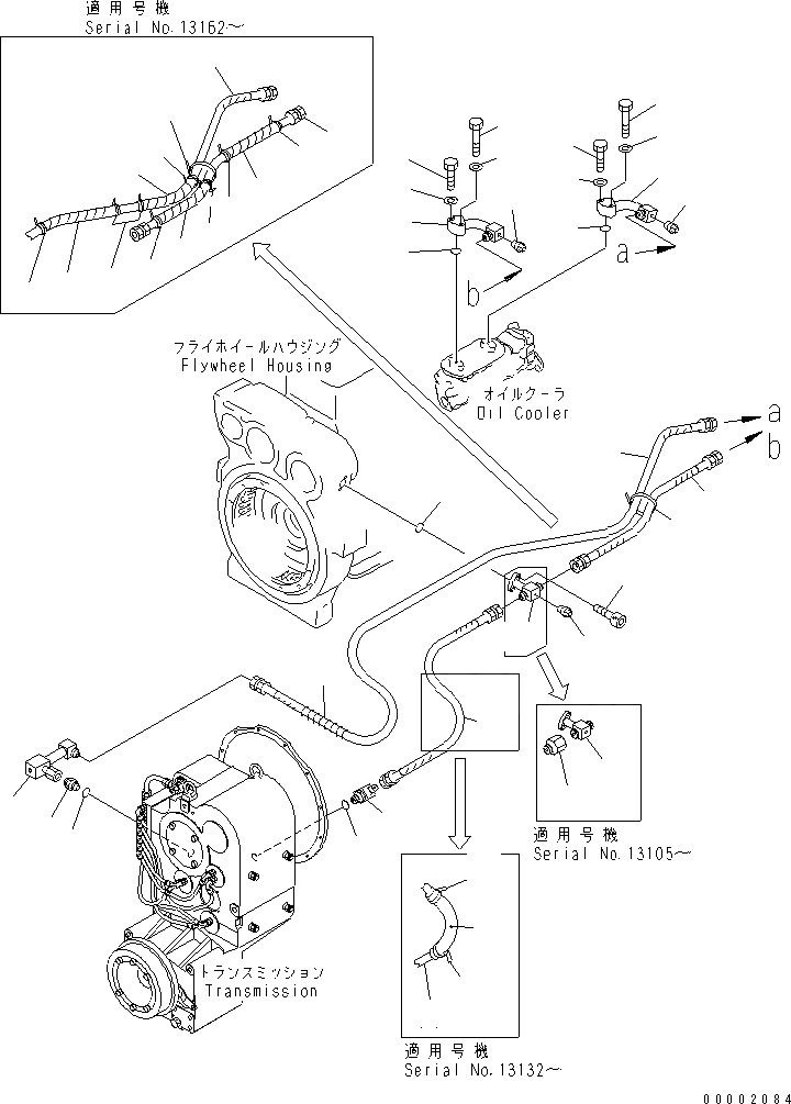
Запчасти Komatsu GD705A-4A-N ГИДРОЛИНИЯ ТРАНСМИССИИ (СПЕЦ-Я С АВТОМ. ТРАНСМИССИЕЙ) (МАСЛООХЛАДИТЕЛЬ ЛИНИЯ) СИЛОВАЯ ПЕРЕДАЧА

Схема запчастей Komatsu GD705A-4A-N - ГИДРОЛИНИЯ ТРАНСМИССИИ (СПЕЦ-Я С АВТОМ. ТРАНСМИССИЕЙ) (МАСЛООХЛАДИТЕЛЬ ЛИНИЯ) СИЛОВАЯ ПЕРЕДАЧА
1
1
2
3
4
5
6
7
7
8
8
9
9
9
9
10
10
11
11
12
12
13
13
13A
14
15
16
17
17
18
19
20
21
21
22
23
23
24
24
24
24
25
25
25
25
25
25
25
FIT
1:1
100%

Артикул

Название

Примечание

Количество

1

07102-21024

HOSE

SN: 13001-UP

1шт.

2

234-16-51342

TUBE

SN: 13001-UP

1шт.

3

234-16-51110

NIPPLE

SN: 13001-UP

1шт.

4

02891-02026

O-RING

SN: 13001-UP

1шт.

5

234-16-51370

TUBE

SN: 13001-UP

1шт.

6

234-16-51360

TUBE

SN: 13001-UP

1шт.

7

01010-81055

BOLT

SN: 13001-UP

2шт.

8

01010-51060

BOLT

SN: 13001-UP

2шт.

9

01643-31032

WASHER

SN: 13001-UP

4шт.

10

07000-13028

O-RING

SN: 13001-UP

2шт.

11

07042-20108

PLUG

SN: 13001-UP

2шт.

12

07102-21006

HOSE

SN: 13001-UP

1шт.

13

234-16-51312

TUBE

SN: 13105-UP

1шт.

|13

234-16-51311

TUBE

SN: 13001-13104

1шт.

13A

234-16-51430

UNION

SN: 13105-UP

1шт.

14

01252-41030

BOLT

SN: 13001-UP

2шт.

15

07000-13025

O-RING

SN: 13001-UP

1шт.

16

07042-20108

PLUG

SN: 13001-UP

1шт.

17

07102-21010

HOSE

SN: 13001-UP

1шт.

18

234-16-51120

ELBOW

SN: 13001-UP

1шт.

19

02891-02026

O-RING

SN: 13001-UP

1шт.

20

273-60-24450

TUBE,SPIRAL

SN: 13001-UP

5шт.

21

08034-00834

BAND

SN: 13001-UP

6шт.

22

23S-04-11120

SEAT

SN: 13132-UP

2шт.

23

08034-00834

BAND

SN: 13132-UP

4шт.

24

565-04-11420

TUBE,SPIRAL

SN: 13162-UP

4шт.

25

08034-20519

BAND

SN: 13162-UP

8шт.

Выбрано товаров: 27