Запчасти Komatsu GD705A-4A ЭЛЕКТРИКА (СНЕГОУБОРОЧН. СПЕЦ-Я.) (ЛИНИЯ ПАНЕЛИ ПРИБОРОВ)(№9-) КОМПОНЕНТЫ ДВИГАТЕЛЯ И ЭЛЕКТРИКА

Схема запчастей Komatsu GD705A-4A - ЭЛЕКТРИКА (СНЕГОУБОРОЧН. СПЕЦ-Я.) (ЛИНИЯ ПАНЕЛИ ПРИБОРОВ)(№9-) КОМПОНЕНТЫ ДВИГАТЕЛЯ И ЭЛЕКТРИКА
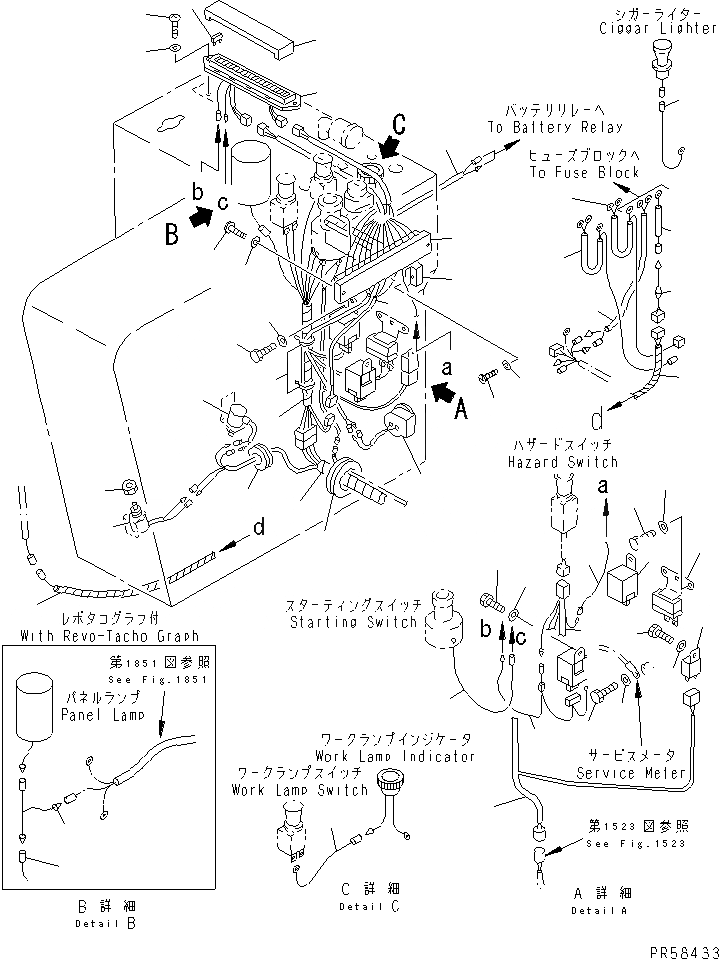
1
1
2
2
3
4
5
6
7
8
9
10
11
12
13
14
15
16
17
18
19
20
21
22
23
24
25
26
27
28
29
30
31
31
32
32
33
34
35
36
37
38
39
40
41
42
42
43
44
45
46
47
FIT
1:1
100%

Артикул

Название

Примечание

Количество

1

234-06-42141

HARNESS

SN: 12019-@

1шт.

2

234-06-42131

HARNESS

SN: 12019-@

1шт.

3

232-06-54360

CABLE

SN: 11045-@

1шт.

4

234-06-31892

HARNESS

SN: 12019-@

1шт.

5

232-06-51780

HARNESS

SN: 11045-@

1шт.

6

232-06-61620

BUZZER

SN: 11045-@

1шт.

7

08163-02400

RELAY,HORN

SN: 11045-@

1шт.

8

01010-50612

BOLT

SN: 11045-@

2шт.

9

01643-30623

WASHER

SN: 11045-@

2шт.

10

08074-40000

SWITCH,SAFETY

SN: 11045-@

1шт.

11

08074-40000

SWITCH,BACK LAMP

SN: 11045-@

1шт.

12

236-06-23230

NUT

SN: 11045-@

2шт.

13

416-06-22250

FLASHER,TURN SIGNAL

SN: 12019-@

1шт.

14

01010-50612

BOLT

SN: 11045-@

1шт.

15

01643-30623

WASHER

SN: 11045-@

1шт.

16

08037-05016

GROMMET

SN: 11045-@

1шт.

17

08037-02512

GROMMET

SN: 11045-@

2шт.

18

08034-00519

BAND

SN: 11045-@

2шт.

19

416-06-22250

FLASHER,HAZARD PARKING

SN: 12019-@

1шт.

20

01010-50612

BOLT

SN: 11045-@

1шт.

21

01643-30623

WASHER

SN: 11045-@

1шт.

22

234-06-42260

CABLE

SN: 11206-@

1шт.

23

232-06-61330

CABLE

SN: 11045-@

1шт.

24

234-06-42361

FUSE ASS'Y

SN: 11170-@

1шт.

25

08044-01500

BOX

SN: 11170-@

1шт.

26

08041-01000

FUSE¤ 10A

SN: 11170-@

9шт.

|26

08041-02000

FUSE¤ 20A

SN: 11170-@

6шт.

27

01220-40620

SCREW

SN: 11170-@

2шт.

28

01643-30623

WASHER

SN: 11170-@

2шт.

29

234-06-42341

BLOCK ASS'Y

SN: 11170-@

1шт.

30

234-06-42350

BLOCK ASS'Y

SN: 11170-@

1шт.

31

01210-40416

SCREW

SN: 11170-@

4шт.

32

01601-00410

WASHER,SPRING

SN: 11170-@

4шт.

33

01010-50616

BOLT

SN: 11045-@

1шт.

34

01640-20610

WASHER

SN: 11045-@

1шт.

35

234-06-42610

HARNESS

SN: 11321-@

1шт.

36

569-06-61960

RELAY,ENGINE STOP

SN: 11321-@

1шт.

37

01010-50612

BOLT

SN: 11321-@

1шт.

38

01643-30623

WASHER

SN: 11321-@

1шт.

39

234-06-31780

HARNESS

SN: 11045-@

1шт.

40

232-957-7720

CABLE

SN: 11045-12045

1шт.

41

232-950-5290

FUSE ASS'Y

SN: 11045-12045

1шт.

|41

08040-01000

FUSE¤ 10A

SN: 11045-12045

1шт.

42

232-950-5590

CABLE,SWITCH BOX

SN: 11045-12045

1шт.

43

262-06-59830

CABLE,CIGARETTE LIGHTER

SN: 12015-@

1шт.

44

238-06-16320

HARNESS,CAUTION LAMP

SN: 11045-@

1шт.

45

232-950-5280

HARNESS,INTERMITTENCE WIPER

SN: 11045-@

1шт.

46

232-817-3333

HARNESS,HEAT GLASS

SN: 11045-@

1шт.

47

234-06-42150

CABLE

SN: 11288-@

1шт.

Выбрано товаров: 0