Запчасти Komatsu GD705A-4A ЭЛЕКТРИКА (СПЕЦ-Я С АВТОМ. ТРАНСМИССИЕЙ) (ПЕРЕДН. ЛИНИЯ)(№8-) КОМПОНЕНТЫ ДВИГАТЕЛЯ И ЭЛЕКТРИКА

Схема запчастей Komatsu GD705A-4A - ЭЛЕКТРИКА (СПЕЦ-Я С АВТОМ. ТРАНСМИССИЕЙ) (ПЕРЕДН. ЛИНИЯ)(№8-) КОМПОНЕНТЫ ДВИГАТЕЛЯ И ЭЛЕКТРИКА
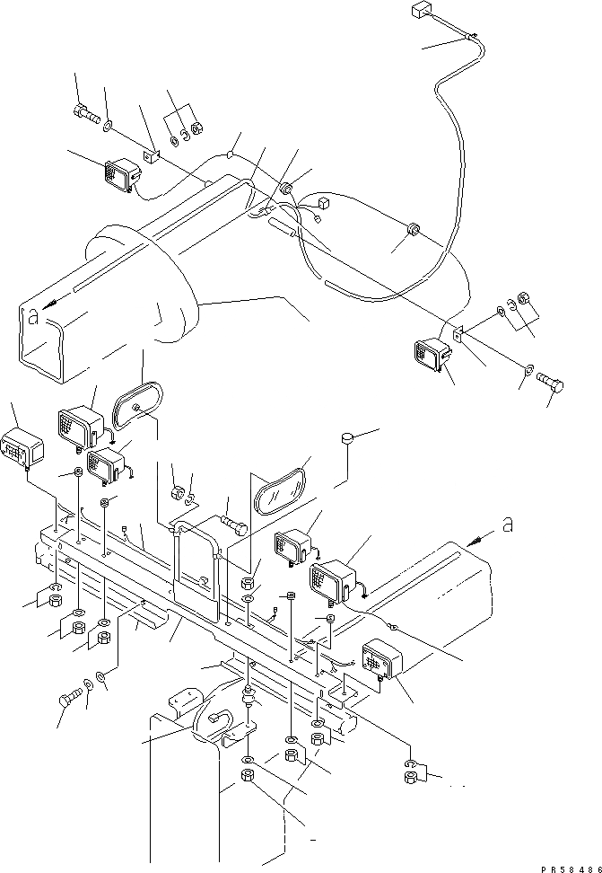
1
2
2
2
3
3
4
4
4
4
5
5
5
5
6
6
6
6
7
8
9
10
11
12
12
13
13
14
15
16
17
17
18
19
20
21
21
22
23
23
23
23
24
24
25
25
26
26
27
28
28
29
FIT
1:1
100%

Артикул

Название

Примечание

Количество

1

234-06-51510

BRACKET

SN: 11380-UP

1шт.

|1

232-06-15151

PIVOT

SN: 11380-UP

2шт.

2

234-06-15330

CUSHION

SN: 11380-UP

4шт.

3

01643-31232

WASHER

SN: 11380-UP

8шт.

4

23E-06-13312

FOG LAMP ASS'Y

SN: 12016-UP

2шт.

|4

0

FOG LAMP ASS'Y

SN: 11380-12015

2шт.

|4

23E-06-13321

BULB¤ 55W

SN: 12016-UP

1шт.

|4

23E-06-13320

BULB¤ 55W

SN: 11380-12015

1шт.

|4

23E-06-13331

LENS

SN: 12016-UP

1шт.

|4

23E-06-13330

LENS

SN: 11380-12015

1шт.

5

23B-06-22130

LAMP ASS'Y,HEAD

SN: 11380-UP

2шт.

|5

23B-06-22140

BULB¤ 62/62W

SN: 11380-UP

1шт.

|5

23B-06-22150

LENS

SN: 11380-UP

1шт.

6

08037-01008

GROMMET

SN: 11380-UP

4шт.

7

234-06-32131

COVER,L.H.

SN: 11380-UP

1шт.

8

234-06-32141

COVER,R.H.

SN: 11380-UP

1шт.

9

01010-50616

BOLT

SN: 11380-UP

8шт.

10

01643-30623

WASHER

SN: 11380-UP

8шт.

11

01642-20608

WASHER

SN: 11380-UP

8шт.

12

236-06-25280

COMBINATION LAMP A.,R.H.

SN: 11380-UP

1шт.

|12

08130-80007

LENS

SN: 11380-UP

1шт.

|12

08130-80008

LENS

SN: 11380-UP

1шт.

|12

08105-12420

BULB¤ 25W

SN: 11380-UP

1шт.

|12

08110-12410

BULB¤ 12W

SN: 11380-UP

1шт.

13

236-06-25290

COMBINATION LAMP A.,L.H.

SN: 11380-UP

1шт.

|13

08130-60007

LENS

SN: 11380-UP

1шт.

|13

08130-60008

LENS

SN: 11380-UP

1шт.

|13

08105-12420

BULB¤ 25W

SN: 11380-UP

1шт.

|13

08105-12410

BULB¤ 12W

SN: 11380-UP

1шт.

14

09415-02512

CAP

SN: 11380-UP

2шт.

15

234-06-52110

HARNESS

SN: 11380-UP

1шт.

16

234-06-21560

CABLE

SN: 11380-UP

1шт.

17

08174-10001

MIRROR

SN: 11380-UP

2шт.

18

01010-50825

BOLT

SN: 11380-UP

2шт.

19

01643-30823

WASHER

SN: 11380-UP

2шт.

20

01580-10806

NUT

SN: 11380-UP

2шт.

21

234-06-52120

HARNESS

SN: 11380-UP

1шт.

22

08036-11214

CLIP

SN: 11380-UP

1шт.

23

23B-06-22211

LAMP ASS'Y,WORK¤ FRONT

SN: 11380-UP

1шт.

|23

23B-06-12241

LENS

SN: 11380-UP

1шт.

|23

08119-02460

BULB¤ 60W

SN: 11380-UP

1шт.

24

23F-06-11290

BRACKET

SN: 11380-UP

2шт.

25

01010-51430

BOLT

SN: 11380-UP

2шт.

26

01643-31445

WASHER

SN: 11380-UP

2шт.

27

232-856-5250

CLIP

SN: 11380-UP

10шт.

28

08037-01610

GROMMET

SN: 11380-UP

2шт.

29

08036-01414

CLIP

SN: 11380-UP

1шт.

Выбрано товаров: 47