Запчасти Komatsu S6D125-1D РАСПРЕДВАЛ БЛОК ЦИЛИНДРОВ

Схема запчастей Komatsu S6D125-1D - РАСПРЕДВАЛ БЛОК ЦИЛИНДРОВ
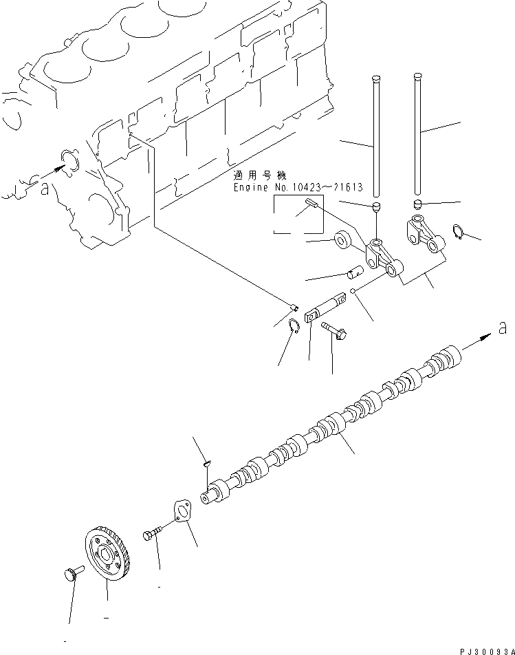
1
2
3
4
5
6
7
8
8
9
10
11
12
12A
13
13
14
15
16
16
1
2
3
4
5
6
7
8
8
9
10
11
12
12A
13
13
14
15
16
16
FIT
1:1
100%

Артикул

Название

Примечание

Количество

|1

6150-41-1012

CAMSHAFT ASS'Y

SN: 10423-UP

1шт.

1

0

CAMSHAFT

SN: 10423-UP

1шт.

2

6150-41-1120

GEAR,CAMSHAFT

SN: 10423-UP

1шт.

3

04010-00725

KEY

SN: 10423-UP

1шт.

4

6150-41-1130

PLATE,THRUST

SN: 25130-UP

1шт.

|4

0

PLATE,THRUST

SN: 10423-25129

1шт.

5

01010-31022

BOLT

SN: 10423-UP

2шт.

6

6150-81-5131

GEAR

SN: 10423-UP

1шт.

|7

6150-41-2302

LEVER ASS'Y

SN: 21614-UP

12шт.

|7

0

LEVER ASS'Y

SN: 11027-21613

12шт.

|$$11

(6150-41-2302{6150-41-2401)}

-1шт.

|7

6150-41-2300

LEVER ASS'Y

SN: 10423-11026

12шт.

7

0

LEVER

SN: 21614-UP

1шт.

|7

0

LEVER

SN: 11027-21613

1шт.

|7

0

LEVER

SN: 10423-11026

1шт.

8

0

SOCKET

SN: 21614-UP

1шт.

|8

0

SOCKET

SN: 10423-21643

1шт.

9

6150-41-2341

ROLLER

SN: 21614-UP

1шт.

|9

6150-41-2340

ROLLER

SN: 10423-21613

1шт.

10

0

PIN

SN: 21614-UP

1шт.

|10

0

PIN

SN: 11027-21613

1шт.

|10

0

PIN

SN: 10423-11026

1шт.

11

6150-41-2370

PIN,ROLL

SN: 11027-21613

1шт.

|11

0

PIN,ROLL

SN: 10423-11026

1шт.

|12

6150-41-2401

SHAFT ASS'Y

SN: 21614-UP

6шт.

|12

6150-41-2400

SHAFT ASS'Y

SN: 10423-21613

6шт.

12

0

SHAFT

SN: 21614-UP

1шт.

|12

0

SHAFT

SN: 10423-21613

1шт.

12A

6150-81-8420

BALL

SN: 10423-UP

1шт.

13

04064-02012

RING,SNAP

SN: 10423-UP

12шт.

14

6150-41-2450

BOLT

SN: 10423-UP

12шт.

15

6150-41-2430

PIN

SN: 10423-UP

12шт.

16

6150-41-3111

ROD,PUSH

SN: 11027-UP

12шт.

|16

6150-41-3110

ROD,PUSH

SN: 10423-11026

12шт.

|1

6150-41-1012

CAMSHAFT ASS'Y

SN: 10423-UP

1шт.

1

0

CAMSHAFT

SN: 10423-UP

1шт.

2

6150-41-1120

GEAR,CAMSHAFT

SN: 10423-UP

1шт.

3

04010-00725

KEY

SN: 10423-UP

1шт.

4

6150-41-1130

PLATE,THRUST

SN: 25130-UP

1шт.

|4

0

PLATE,THRUST

SN: 10423-25129

1шт.

5

01010-31022

BOLT

SN: 10423-UP

2шт.

6

6150-81-5131

GEAR

SN: 10423-UP

1шт.

|7

6150-41-2302

LEVER ASS'Y

SN: 21614-UP

12шт.

|7

0

LEVER ASS'Y

SN: 11027-21613

12шт.

|$$11

(6150-41-2302{6150-41-2401)}

-1шт.

|7

6150-41-2300

LEVER ASS'Y

SN: 10423-11026

12шт.

7

0

LEVER

SN: 21614-UP

1шт.

|7

0

LEVER

SN: 11027-21613

1шт.

|7

0

LEVER

SN: 10423-11026

1шт.

8

0

SOCKET

SN: 21614-UP

1шт.

|8

0

SOCKET

SN: 10423-21643

1шт.

9

6150-41-2341

ROLLER

SN: 21614-UP

1шт.

|9

6150-41-2340

ROLLER

SN: 10423-21613

1шт.

10

0

PIN

SN: 21614-UP

1шт.

|10

0

PIN

SN: 11027-21613

1шт.

|10

0

PIN

SN: 10423-11026

1шт.

11

6150-41-2370

PIN,ROLL

SN: 11027-21613

1шт.

|11

0

PIN,ROLL

SN: 10423-11026

1шт.

|12

6150-41-2401

SHAFT ASS'Y

SN: 21614-UP

6шт.

|12

6150-41-2400

SHAFT ASS'Y

SN: 10423-21613

6шт.

12

0

SHAFT

SN: 21614-UP

1шт.

|12

0

SHAFT

SN: 10423-21613

1шт.

12A

6150-81-8420

BALL

SN: 10423-UP

1шт.

13

04064-02012

RING,SNAP

SN: 10423-UP

12шт.

14

6150-41-2450

BOLT

SN: 10423-UP

12шт.

15

6150-41-2430

PIN

SN: 10423-UP

12шт.

16

6150-41-3111

ROD,PUSH

SN: 11027-UP

12шт.

|16

6150-41-3110

ROD,PUSH

SN: 10423-11026

12шт.

Выбрано товаров: 68