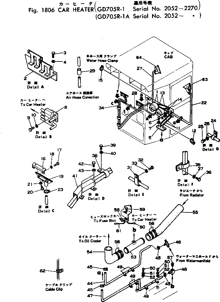
Запчасти Komatsu GD705R-1 ОБОГРЕВАТЕЛЬ.(№-.) ОПЦИОННЫЕ КОМПОНЕНТЫ

Схема запчастей Komatsu GD705R-1 - ОБОГРЕВАТЕЛЬ.(№-.) ОПЦИОННЫЕ КОМПОНЕНТЫ
FIT
1:1
100%

Артикул

Название

Примечание

Количество

|$0

234-807-0015

CAR HEATER ASS'Y

SN: 2090-.

1шт.

|$1

234-807-0014

CAR HEATER ASS'Y

SN: 2076-2089

1шт.

|$2

234-807-0015

CAR HEATER ASS'Y

SN: 2069-2075

1шт.

|$3

234-807-0014

CAR HEATER ASS'Y

SN: 2052-2068

1шт.

1

09480-02400

HEATER

SN: 2052-.

2шт.

2

234-807-1780

BRACKET

SN: 2052-.

1шт.

3

01010-31025

BOLT

SN: 2052-.

4шт.

4

01602-01030

WASHER

SN: 2052-.

4шт.

5

234-807-1840

JOINT

SN: 2052-@

1шт.

6

01010-31020

BOLT

SN: 2052-@

2шт.

7

01602-01030

WASHER

SN: 2052-@

2шт.

8

234-807-1820

JOINT

SN: 2052-.

1шт.

9

01010-31025

BOLT

SN: 2052-.

2шт.

10

01602-01030

WASHER

SN: 2052-.

2шт.

11

09483-00505

HOSE

SN: 2052-.

2шт.

12

07281-00289

CLAMP

SN: 2052-@

4шт.

13

09483-00408

HOSE

SN: 2052-.

2шт.

14

09483-00406

HOSE

SN: 2052-.

2шт.

15

07281-00259

CLAMP

SN: 2052-.

8шт.

16

234-807-1270

BRACKET

SN: 2052-.

2шт.

17

01010-30816

BOLT

SN: 2052-.

8шт.

18

01602-00825

WASHER

SN: 2052-.

8шт.

19

09486-10000

NOZZLE

SN: 2052-@

4шт.

20

01220-30512

SCREW

SN: 2052-@

8шт.

21

01601-00513

WASHER

SN: 2052-@

8шт.

22

09485-03720

HOSE

SN: 2052-.

1шт.

23

09485-00534

CLAMP

SN: 2052-.

10шт.

24

230-807-1660

CLIP

SN: 2052-.

6шт.

25

01010-30816

BOLT

SN: 2052-.

5шт.

26

01602-00825

WASHER

SN: 2052-.

5шт.

27

09485-03714

HOSE

SN: 2052-.

1шт.

28

09485-03724

HOSE

SN: 2052-.

1шт.

29

232-807-1361

JOINT

SN: 2052-@

1шт.

30

09485-03712

HOSE

SN: 2052-.

1шт.

31

230-807-1660

CLIP

SN: 2052-.

1шт.

32

01010-30816

BOLT

SN: 2052-.

1шт.

33

01602-00825

WASHER

SN: 2052-.

1шт.

34

09485-03730

HOSE

SN: 2052-.

1шт.

35

230-807-1680

CLIP

SN: 2052-.

3шт.

36

01010-30816

BOLT

SN: 2052-.

3шт.

37

01602-00825

WASHER

SN: 2052-.

3шт.

38

230-807-1670

CLIP

SN: 2052-.

1шт.

39

01010-30816

BOLT

SN: 2052-.

1шт.

40

01602-00825

WASHER

SN: 2052-.

1шт.

41

234-807-1870

COVER

SN: 2052-.

1шт.

42

01010-31016

BOLT

SN: 2052-.

3шт.

43

01602-01030

WASHER

SN: 2052-.

3шт.

44

09483-00535

HOSE

SN: 2052-.

1шт.

45

07281-00259

CLAMP

SN: 2052-.

4шт.

46

09482-10000

VALVE

SN: 2052-@

1шт.

47

09483-00545

HOSE

SN: 2052-2270

1шт.

48

234-807-1910

NIPPLE

SN: 2090-@

1шт.

48

234-807-1230

ELBOW

SN: 2076-2089

1шт.

48

234-807-1910

NIPPLE

SN: 2069-2075

1шт.

48

234-807-1230

ELBOW

SN: 2052-2068

1шт.

49

232-807-1570

CLIP

SN: 2052-@

5шт.

50

01220-30816

SCREW

SN: 2052-.

5шт.

51

01602-00825

WASHER

SN: 2052-.

5шт.

52

01642-20810

WASHER

SN: 2052-.

5шт.

53

234-807-1350

JOINT

SN: 2076-2089

1шт.

53

234-807-1350

JOINT

SN: 2052-2068

1шт.

54

234-807-1360

HOSE

SN: 2076-2089

1шт.

54

234-807-1360

HOSE

SN: 2052-2068

1шт.

55

234-807-1370

HOSE

SN: 2076-2089

1шт.

55

234-807-1370

HOSE

SN: 2052-2068

1шт.

56

07281-00809

CLAMP

SN: 2076-2089

4шт.

56

07281-00809

CLAMP

SN: 2052-2068

4шт.

57

07042-00312

PLUG

SN: 2076-2089

1шт.

57

07042-00312

PLUG

SN: 2052-2068

1шт.

58

08034-00519

BAND

SN: 2052-.

3шт.

58

234-06-11820

CLAMP

SN: 2052-.

3шт.

59

09481-02400

SWITCH

SN: 2052-.

1шт.

60

234-807-1410

CABLE

SN: 2052-.

1шт.

61

234-807-1420

CABLE

SN: 2052-.

1шт.

62

08036-10614

CLIP

SN: 2052-.

1шт.

63

234-807-1280

BRACKET,L.H.

SN: 2052-.

1шт.

64

234-807-1290

BRACKET,R.H.

SN: 2052-.

1шт.

Выбрано товаров: 77