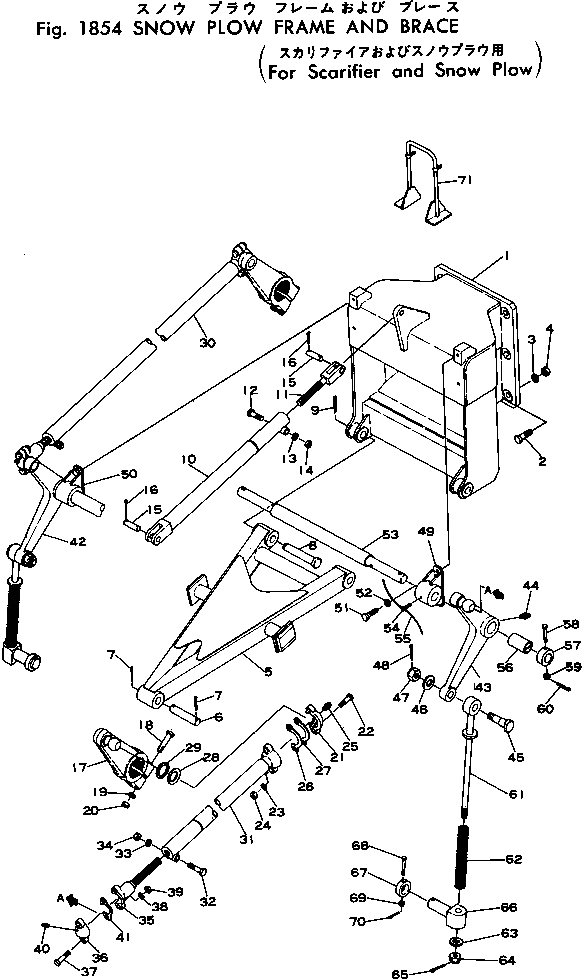
Запчасти Komatsu GD705R-1 SNOW PНИЗ. РАМА И БАЛКА (ДЛЯ SCARIFIER И SNOW PНИЗ.) ОПЦИОННЫЕ КОМПОНЕНТЫ

Схема запчастей Komatsu GD705R-1 - SNOW PНИЗ. РАМА И БАЛКА (ДЛЯ SCARIFIER И SNOW PНИЗ.) ОПЦИОННЫЕ КОМПОНЕНТЫ
FIT
1:1
100%

Артикул

Название

Примечание

Количество

|$0

234-970-0033

SUPPORT ASS'Y

SN: 2052-UP

1шт.

1

234-970-2112

FRAME

SN: 2052-UP

1шт.

2

01010-32485

BOLT

SN: 2052-UP

6шт.

3

01602-02472

WASHER

SN: 2052-UP

6шт.

4

01580-02419

NUT

SN: 2052-UP

6шт.

5

232-970-1611

ARM

SN: 2052-UP

1шт.

6

232-970-1650

SHAFT

SN: 2052-UP

1шт.

7

04050-06060

PIN

SN: 2052-UP

2шт.

8

232-970-1521

PIN

SN: 2052-UP

2шт.

9

04050-06060

PIN

SN: 2052-UP

4шт.

10

232-970-1850

ROD

SN: 2052-UP

1шт.

10

232-970-1831

JOINT (WELDED)

SN: 2052-UP

1шт.

10

232-970-1781

BOSS (WELDED)

SN: 2052-UP

1шт.

11

232-970-1820

JOINT

SN: 2052-UP

1шт.

12

01010-31680

BOLT

SN: 2052-UP

1шт.

13

01602-01648

WASHER

SN: 2052-UP

1шт.

14

01580-01613

NUT

SN: 2052-UP

1шт.

15

232-970-1840

SHAFT

SN: 2052-UP

2шт.

16

04050-05040

PIN

SN: 2052-UP

4шт.

|$19

234-970-0041

LINK ASS'Y

SN: 2052-UP

1шт.

17

234-970-2120

LEVER

SN: 2052-UP

2шт.

17

234-70-13120

STUD

SN: 2052-UP

1шт.

18

01011-61640

BOLT

SN: 2052-UP

4шт.

19

01602-01648

WASHER

SN: 2052-UP

4шт.

20

01580-01613

NUT

SN: 2052-UP

4шт.

21

07138-00870

CAP

SN: 2052-UP

2шт.

22

01010-31875

BOLT

SN: 2052-UP

4шт.

23

01602-01854

WASHER

SN: 2052-UP

4шт.

24

01580-01815

NUT

SN: 2052-UP

4шт.

25

07020-00900

FITTING

SN: 2052-UP

2шт.

26

07139-00802

SHIM, 0.2MM

SN: 2052-UP

8шт.

27

07139-00805

SHIM, 0.5MM

SN: 2052-UP

2шт.

28

07141-00080

SEAL

SN: 2052-UP

2шт.

29

234-70-13250

WASHER

SN: 2052-UP

2шт.

30

234-970-2131

ROD,R.H.

SN: 2052-UP

1шт.

31

234-970-2141

ROD,L.H.

SN: 2052-UP

1шт.

32

01010-31680

BOLT

SN: 2052-UP

2шт.

33

01602-01648

WASHER

SN: 2052-UP

2шт.

34

01580-01613

NUT

SN: 2052-UP

2шт.

35

234-970-2150

JOINT ASS'Y

SN: 2052-UP

2шт.

36

232-71-11330

CAP

SN: 2052-UP

2шт.

37

01010-31665

BOLT

SN: 2052-UP

4шт.

38

01602-01648

WASHER

SN: 2052-UP

4шт.

39

01580-01613

NUT

SN: 2052-UP

4шт.

40

07020-00000

FITTING

SN: 2052-UP

2шт.

41

232-71-11340

SHIM, 0.2MM

SN: 2052-UP

16шт.

42

234-970-2160

LEVER,R.H.

SN: 2052-UP

1шт.

42

232-70-13120

STUD

SN: 2052-UP

1шт.

43

234-970-2170

LEVER,L.H.

SN: 2052-UP

1шт.

43

232-70-13120

STUD

SN: 2052-UP

1шт.

44

07020-00900

FITTING

SN: 2052-UP

2шт.

45

232-970-1762

PIN

SN: 2052-UP

2шт.

46

01640-23345

WASHER

SN: 2052-UP

2шт.

47

01590-03335

NUT

SN: 2052-UP

2шт.

48

04050-06060

PIN

SN: 2052-UP

2шт.

49

232-970-1620

BRACKET,L.H.

SN: 2052-UP

1шт.

50

232-970-1632

BRACKET,R.H.

SN: 2052-UP

1шт.

51

01010-31665

BOLT

SN: 2052-UP

4шт.

52

01602-01648

WASHER

SN: 2052-UP

4шт.

53

232-970-1531

SHAFT

SN: 2052-UP

1шт.

54

232-970-1570

SCREW

SN: 2052-UP

1шт.

55

04059-01640

WIRE

SN: 2052-UP

1шт.

56

232-970-1660

BUSHING

SN: 2052-UP

2шт.

57

232-70-13210

COLLAR

SN: 2052-UP

2шт.

58

01013-31400

BOLT

SN: 2052-UP

2шт.

59

01590-01416

NUT

SN: 2052-UP

2шт.

60

04050-03028

PIN

SN: 2052-UP

2шт.

61

234-970-2181

ROD

SN: 2052-UP

2шт.

61

232-970-1710

COLLAR (WELDED)

SN: 2052-UP

1шт.

62

232-970-1720

SPRING

SN: 2052-UP

2шт.

63

232-970-1730

WASHER

SN: 2052-UP

2шт.

64

01590-03335

NUT

SN: 2052-UP

2шт.

65

04050-06060

PIN

SN: 2052-UP

2шт.

66

232-970-1740

SHAFT

SN: 2052-UP

2шт.

67

232-970-1750

COLLAR

SN: 2052-UP

2шт.

68

232-970-1771

BOLT

SN: 2052-UP

2шт.

69

01590-01012

NUT

SN: 2052-UP

2шт.

70

04050-02022

PIN

SN: 2052-UP

2шт.

Выбрано товаров: 78