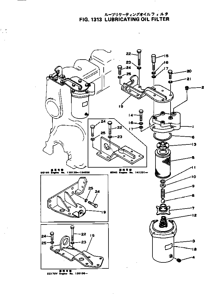
Запчасти Komatsu NH-220-CI-2AA МАСЛ. ФИЛЬТР СИСТЕМА СМАЗКИ МАСЛ. СИСТЕМА

Схема запчастей Komatsu NH-220-CI-2AA - МАСЛ. ФИЛЬТР СИСТЕМА СМАЗКИ МАСЛ. СИСТЕМА
FIT
1:1
100%

Артикул

Название

Примечание

Количество

|$0

6678-51-4000

OIL FILTER ASS'Y

SN: 143358-UP

1шт.

1

6610-51-4110

HEAD,OIL FILTER

SN: 143358-UP

1шт.

2

02720-20608

PLUG

SN: 143358-UP

1шт.

|$3

6610-50-4210

CASE ASS'Y

SN: 143358-UP

1шт.

3

0

CASE

SN: 143358-UP

1шт.

4

6610-51-4520

PLUG,DRAIN

SN: 143358-UP

1шт.

|$6

6610-50-5100

ELEMENT ASS'Y

SN: 143358-UP

1шт.

5

0

ELEMENT

SN: 143358-UP

1шт.

6

6610-51-4810

GASKET

SN: 143358-UP

1шт.

|$9

6610-51-4302

RELIEF VALVE ASS'Y

SN: 143358-UP

1шт.

7

6610-51-4312

RETAINER

SN: 143358-UP

1шт.

8

6610-51-4340

BALL

SN: 143358-UP

1шт.

9

6610-51-4351

SPRING

SN: 143358-UP

1шт.

10

6610-51-4360

RETAINER

SN: 143358-UP

1шт.

11

6610-51-4331

RING,SNAP

SN: 143358-UP

1шт.

12

6610-51-4510

SPRING

SN: 143358-UP

1шт.

13

6610-51-4130

RETAINER

SN: 143358-UP

1шт.

14

02010-20751

BOLT

SN: 143358-UP

1шт.

15

6631-51-4590

BOLT

SN: 143358-UP

3шт.

16

01602-01134

WASHER,SPRING

SN: 143358-UP

4шт.

17

01640-21123

WASHER

SN: 143358-UP

4шт.

18

09636-00120

PLATE, INSTRUCTION,(JAPANESE-ENGLISH)

SN: 143358-UP

1шт.

19

6678-21-6522

BRACKET

SN: 143358-UP

1шт.

20

6610-81-8150

BOLT

SN: 143358-UP

4шт.

21

01602-01236

WASHER,SPRING

SN: 143358-UP

4шт.

22

02011-20802

BOLT

SN: 143358-UP

2шт.

23

02310-11632

WASHER,SPRING

SN: 143358-UP

3шт.

24

01050-31230

BOLT

SN: 143358-UP

1шт.

25

01602-01236

WASHER,SPRING

SN: 143358-UP

1шт.

|$0

6678-51-4000

OIL FILTER ASS'Y

SN: 143358-UP

1шт.

1

6610-51-4110

HEAD,OIL FILTER

SN: 143358-UP

1шт.

2

02720-20608

PLUG

SN: 143358-UP

1шт.

|$3

6610-50-4210

CASE ASS'Y

SN: 143358-UP

1шт.

3

0

CASE

SN: 143358-UP

1шт.

4

6610-51-4520

PLUG,DRAIN

SN: 143358-UP

1шт.

|$6

6610-50-5100

ELEMENT ASS'Y

SN: 143358-UP

1шт.

5

0

ELEMENT

SN: 143358-UP

1шт.

6

6610-51-4810

GASKET

SN: 143358-UP

1шт.

|$9

6610-51-4302

RELIEF VALVE ASS'Y

SN: 143358-UP

1шт.

7

6610-51-4312

RETAINER

SN: 143358-UP

1шт.

8

6610-51-4340

BALL

SN: 143358-UP

1шт.

9

6610-51-4351

SPRING

SN: 143358-UP

1шт.

10

6610-51-4360

RETAINER

SN: 143358-UP

1шт.

11

6610-51-4331

RING,SNAP

SN: 143358-UP

1шт.

12

6610-51-4510

SPRING

SN: 143358-UP

1шт.

13

6610-51-4130

RETAINER

SN: 143358-UP

1шт.

14

02010-20751

BOLT

SN: 143358-UP

1шт.

15

6631-51-4590

BOLT

SN: 143358-UP

3шт.

16

01602-01134

WASHER,SPRING

SN: 143358-UP

4шт.

17

01640-21123

WASHER

SN: 143358-UP

4шт.

18

09636-00120

PLATE, INSTRUCTION,(JAPANESE-ENGLISH)

SN: 143358-UP

1шт.

19

6678-21-6522

BRACKET

SN: 143358-UP

1шт.

20

6610-81-8150

BOLT

SN: 143358-UP

4шт.

21

01602-01236

WASHER,SPRING

SN: 143358-UP

4шт.

22

02011-20802

BOLT

SN: 143358-UP

2шт.

23

02310-11632

WASHER,SPRING

SN: 143358-UP

3шт.

24

01050-31230

BOLT

SN: 143358-UP

1шт.

25

01602-01236

WASHER,SPRING

SN: 143358-UP

1шт.

Выбрано товаров: 58