Запчасти Komatsu GD705R-1 РЫЧАГ УПРАВЛ-Я (ДЛЯ ПЕРЕДН. ОТВАЛ) ОПЦИОННЫЕ КОМПОНЕНТЫ

Схема запчастей Komatsu GD705R-1 - РЫЧАГ УПРАВЛ-Я (ДЛЯ ПЕРЕДН. ОТВАЛ) ОПЦИОННЫЕ КОМПОНЕНТЫ
FIT
1:1
100%

Артикул

Название

Примечание

Количество

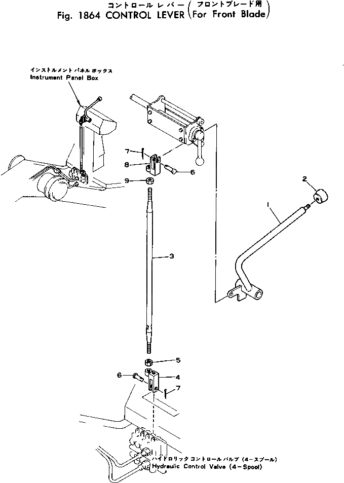
1

234-979-5110

LEVER

SN: 2052-UP

1шт.

|$1

234-870-0150

KNOB ASS'Y

SN: 2052-UP

1шт.

2

237-43-17480

KNOB

SN: 2052-UP

1шт.

2

234-870-8511

PLATE, OPERATING

SN: 2052-UP

1шт.

3

234-870-8410

ROD

SN: 2052-UP

1шт.

4

234-870-8430

YOKE

SN: 2052-UP

1шт.

5

01508-00806

NUT, L.H. THREAD

SN: 2052-UP

1шт.

6

04205-00822

PIN

SN: 2052-UP

2шт.

7

04050-02012

PIN

SN: 2052-UP

2шт.

8

234-870-8420

YOKE

SN: 2052-UP

1шт.

9

01580-00806

NUT

SN: 2052-UP

1шт.

Выбрано товаров: 11