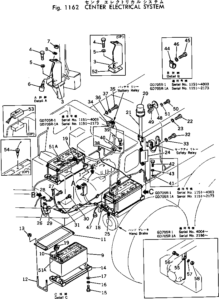
Запчасти Komatsu GD705R-1 ЦЕНТР. ЭЛЕКТРИКА КОМПОНЕНТЫ ДВИГАТЕЛЯ И ЭЛЕКТРИКА

Схема запчастей Komatsu GD705R-1 - ЦЕНТР. ЭЛЕКТРИКА КОМПОНЕНТЫ ДВИГАТЕЛЯ И ЭЛЕКТРИКА
FIT
1:1
100%

Артикул

Название

Примечание

Количество

1

566-06-13870

SWITCH,BACK-UP

SN: 2090-UP

1шт.

1

0

SWITCH,BACK-UP

SN: 2052-2089

1шт.

2

234-06-13350

NIPPLE

SN: 2052-UP

1шт.

3

234-06-15421

BRACKET

SN: 2120-UP

1шт.

3

234-06-15420

BRACKET

SN: 2052-2119

1шт.

4

01010-31025

BOLT

SN: 2052-UP

2шт.

4

01010-31030

BOLT,(FOR NOISE SUPPRESSION)

SN: 2052-UP

2шт.

5

01602-01030

WASHER

SN: 2052-UP

2шт.

6

234-06-13361

SWITCH,PARKING BRAKE LAMP

SN: 2120-UP

1шт.

6

234-06-13360

SWITCH,PARKING BRAKE LAMP

SN: 2052-2119

1шт.

6

234-06-13370

SWITCH,BRAKE BUZZER

SN: 2052-UP

1шт.

7

234-06-13380

NUT

SN: 2120-UP

1шт.

7

01583-01610

NUT

SN: 2052-2119

1шт.

8

01602-01854

WASHER

SN: 2052-UP

1шт.

9

08000-32220

BATTERY (165G51)

SN: 2182-UP

2шт.

9

08000-02220

BATTERY (190H52)

SN: 2052-2181

2шт.

9

08000-11220

BATTERY (190H52),(EXCEPT JAPAN) (OP)

SN: 2052-UP

2шт.

9

08000-01221

BATTERY (C200),(C200 OR F300-20)

SN: 2052-UP

2шт.

10

232-06-11970

CAP

SN: 2052-UP

4шт.

11

232-06-53310

HOLDER

SN: 2182-UP

2шт.

11

234-06-12170

HOLDER

SN: 2052-2181

2шт.

12

234-06-12180

BOLT

SN: 2052-UP

4шт.

13

01580-01008

NUT

SN: 2052-UP

8шт.

14

234-06-12160

HOLDER

SN: 2052-UP

2шт.

15

01010-31230

BOLT

SN: 2052-UP

8шт.

16

01602-01236

WASHER

SN: 2052-UP

8шт.

17

01643-31445

WASHER

SN: 2052-UP

8шт.

18

500-44-14160

SWITCH,AIR PRESSURE

SN: 2052-UP

1шт.

19

08037-03614

GROMMET

SN: 2052-UP

2шт.

20

232-06-14610

LAMP ASS'Y,CAUTION (EXCEPT JAPAN) (OP)

SN: 2052-UP

1шт.

20

232-06-14620

BULB

SN: 2052-UP

1шт.

21

234-06-15341

BRACKET,(EXCEPT JAPAN) (OP)

SN: 2052-UP

1шт.

22

01010-31020

BOLT,(EXCEPT JAPAN) (OP)

SN: 2052-UP

4шт.

23

01602-01030

WASHER,(EXCEPT JAPAN) (OP)

SN: 2052-UP

4шт.

24

08037-01008

GROMMET

SN: 2052-UP

2шт.

25

232-06-27100

ADAPTER,(EXCEPT JAPAN) (OP)

SN: 2052-UP

1шт.

26

08077-22400

FLASHER,(EXCEPT JAPAN) (OP)

SN: 2052-UP

1шт.

27

01010-30812

BOLT,(EXCEPT JAPAN) (OP)

SN: 2052-UP

1шт.

28

01602-00825

WASHER,(EXCEPT JAPAN) (OP)

SN: 2052-UP

1шт.

29

08161-02400

RELAY,HORN

SN: 2052-UP

1шт.

30

01010-30610

BOLT

SN: 2052-UP

2шт.

31

01602-00619

WASHER

SN: 2052-UP

2шт.

32

01010-00612

BOLT

SN: 2052-UP

4шт.

33

01602-00619

WASHER

SN: 2052-UP

4шт.

34

237-06-15250

RELAY,BATTERY

SN: 2052-UP

1шт.

35

01010-30830

BOLT

SN: 2052-UP

2шт.

36

01640-20816

WASHER

SN: 2052-UP

2шт.

37

01602-00825

WASHER

SN: 2052-UP

2шт.

38

08036-02514

CLIP

SN: 2052-2173

5шт.

39

01010-31016

BOLT

SN: 2052-2173

5шт.

40

01602-01030

WASHER

SN: 2052-2173

5шт.

41

08036-11214

CLIP

SN: 2052-2173

7шт.

42

01010-31016

BOLT

SN: 2052-2173

4шт.

43

01602-01030

WASHER

SN: 2052-2173

4шт.

44

08036-01414

CLIP

SN: 2052-2173

2шт.

45

01010-31016

BOLT

SN: 2052-2173

2шт.

46

01602-01030

WASHER

SN: 2052-2173

2шт.

47

281-06-14280

SWITCH,STOP LAMP

SN: 2052-UP

2шт.

48

232-06-52430

SENSOR,RUEL

SN: 2052-UP

1шт.

49

237-06-15190

PACKING

SN: 2052-UP

1шт.

50

01220-40412

SCREW

SN: 2052-UP

5шт.

51

01601-00410

WASHER

SN: 2052-UP

5шт.

51A

234-06-41320

BAND

SN: 4015-UP

2шт.

52

234-884-3220

PLATE,(FOR NOISE SUPPRESSION)

SN: 2052-UP

1шт.

53

234-885-3370

CHECKER,BATTERY(FOR NOISE SUPPRESSION)

SN: 2052-UP

1шт.

54

234-885-3380

SENSOR,BATTERY(FOR NOISE SUPPRESSION)

SN: 2052-UP

1шт.

55

08036-01814

CLIP

SN: 2186-UP

1шт.

56

01010-51020

BOLT

SN: 2186-UP

1шт.

57

01602-21030

WASHER

SN: 2186-UP

1шт.

58

01580-11008

NUT

SN: 2186-UP

1шт.

Выбрано товаров: 70