Запчасти Komatsu GD705R-1 POWER CLUSTER СДВОЕНН. ПРИВОД И КОЛЕСА

Схема запчастей Komatsu GD705R-1 - POWER CLUSTER СДВОЕНН. ПРИВОД И КОЛЕСА
FIT
1:1
100%

Артикул

Название

Примечание

Количество

|$0

234-43-00202

POWER CLUSTER ASS'Y,L.H.

SN: .-UP

1шт.

|$1

0

POWER CLUSTER ASS'Y,L.H.

SN: 2090-.

1шт.

|$2

0

POWER CLUSTER ASS'Y,L.H.

SN: 2052-2089

1шт.

|$3

234-43-00212

POWER CLUSTER ASS'Y,R.H.

SN: .-UP

1шт.

|$4

0

POWER CLUSTER ASS'Y,R.H.

SN: 2090-.

1шт.

|$5

0

POWER CLUSTER ASS'Y,R.H.

SN: 2052-2089

1шт.

|$6

234-43-00220

CHAMBER ASS'Y,L.H.

SN: 2052-UP

1шт.

|$7

234-43-00230

CHAMBER ASS'Y,R.H.

SN: 2052-UP

1шт.

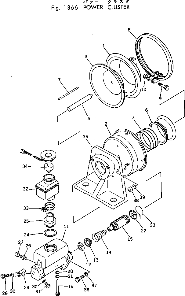
1

234-43-14150

COVER

SN: 2052-UP

1шт.

2

234-43-14160

CASE ASS'Y

SN: 2052-UP

1шт.

3

234-43-14810

DIAPHRAGM (KIT)

SN: 2052-UP

1шт.

4

234-43-14170

CLIP

SN: 2052-UP

1шт.

5

234-43-14180

ROD

SN: 2052-UP

1шт.

6

234-43-14190

GUIDE

SN: 2052-UP

1шт.

7

234-43-14210

GAUGE

SN: 2052-UP

1шт.

8

234-43-14220

CLAMP

SN: 2052-UP

1шт.

9

234-43-14230

BOLT

SN: 2052-UP

2шт.

10

234-43-14240

PACKING

SN: 2052-UP

2шт.

|$18

234-43-00241

CYLINDER ASS'Y,L.H.

SN: 2090-UP

1шт.

|$19

0

CYLINDER ASS'Y,L.H.

SN: 2052-2089

1шт.

|$20

234-43-00251

CYLINDER ASS'Y,R.H.

SN: 2090-UP

1шт.

|$21

0

CYLINDER ASS'Y,R.H.

SN: 2052-2089

1шт.

11

234-43-14250

CYLINDER

SN: 2052-UP

1шт.

12

234-43-14860

SEAT (KIT)

SN: 2052-UP

1шт.

13

234-43-14910

CHECK VALVE ASS'Y (KIT)

SN: 2052-UP

1шт.

|$25

234-43-05021

PISTON KIT

SN: .-UP

1шт.

|$26

0

PISTON KIT

SN: 2052-.

1шт.

14

234-43-14261

SPRING (KIT)

SN: .-UP

1шт.

14

234-43-14260

SPRING

SN: 2052-.

1шт.

15

234-43-00261

PISTON ASS'Y (KIT)

SN: .-UP

1шт.

15

234-43-00260

PISTON ASS'Y (KIT)

SN: 2052-.

1шт.

19

234-43-14310

STOPPER

SN: 2052-UP

1шт.

20

234-43-14840

SPACER (KIT)

SN: 2052-UP

1шт.

21

234-43-14850

GASKET (KIT)

SN: 2052-UP

1шт.

22

234-43-14320

PLATE

SN: 2052-UP

1шт.

23

234-43-14830

WIRE (KIT)

SN: 2052-UP

1шт.

24

234-43-14891

O-RING (KIT)

SN: .-UP

1шт.

24

234-43-14890

GASKET (KIT)

SN: 2052-.

1шт.

25

234-43-14330

CONNECTOR

SN: 2052-UP

1шт.

26

234-43-14340

BLEEDER

SN: 2052-UP

1шт.

27

234-43-14920

CAP (KIT)

SN: 2052-UP

1шт.

28

234-43-14350

BOLT

SN: 2052-UP

1шт.

29

234-43-14870

GASKET (KIT)

SN: 2052-UP

1шт.

30

234-43-14880

GASKET (KIT)

SN: 2052-UP

1шт.

31

234-43-14360

PLUG

SN: 2052-UP

1шт.

32

234-43-14370

RESERVOIR

SN: 2052-UP

1шт.

33

234-43-14380

CLAMP

SN: 2052-UP

1шт.

34

234-43-14391

INDICATOR ASS'Y

SN: 2090-UP

1шт.

34

0

INDICATOR ASS'Y

SN: 2052-2089

1шт.

35

234-43-14410

BRACKET

SN: 2052-UP

1шт.

36

234-43-14420

BOLT

SN: 2052-UP

3шт.

37

234-43-14430

WASHER

SN: 2052-UP

3шт.

38

234-43-14440

NUT

SN: 2052-UP

2шт.

39

234-43-14450

WASHER

SN: 2052-UP

2шт.

Выбрано товаров: 54