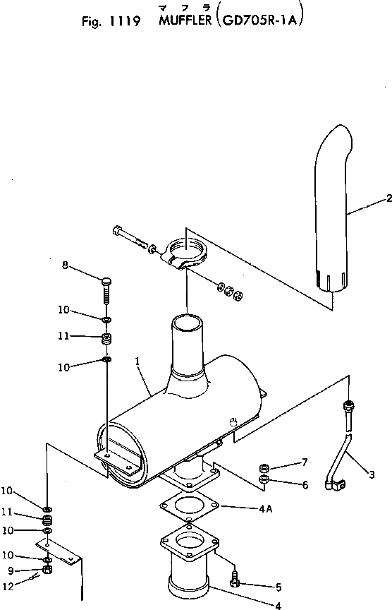
Запчасти Komatsu GD705R-1 ГЛУШИТЕЛЬ КОМПОНЕНТЫ ДВИГАТЕЛЯ И ЭЛЕКТРИКА

Схема запчастей Komatsu GD705R-1 - ГЛУШИТЕЛЬ КОМПОНЕНТЫ ДВИГАТЕЛЯ И ЭЛЕКТРИКА
FIT
1:1
100%

Артикул

Название

Примечание

Количество

1

234-977-6260

MUFFLER

SN: 2052-UP

1шт.

2

6679-11-5731

PIPE

SN: 2052-UP

1шт.

3

234-977-6270

TUBE

SN: 2052-UP

1шт.

4

234-977-6250

CONNECTOR

SN: 2052-UP

1шт.

4A

6643-11-5750

GASKET

SN: 2052-UP

1шт.

5

01050-61250

BOLT

SN: 2052-UP

1шт.

6

01582-01210

NUT

SN: 2052-UP

4шт.

7

01583-01207

NUT

SN: 2052-UP

4шт.

8

01012-31050

BOLT

SN: 2052-UP

4шт.

9

01590-01012

NUT

SN: 2052-UP

4шт.

10

01640-21016

WASHER

SN: 2162-UP

20шт.

10

01642-21016

WASHER

SN: 2052-2161

20шт.

11

232-801-3240

CUSHION

SN: 2052-UP

24шт.

12

04050-02018

PIN

SN: 2052-UP

4шт.

Выбрано товаров: 0