Запчасти Komatsu GD705R-1 БОКОВ. СДВИГ СЦЕПН. УСТР-ВА СИСТЕМА ТРУБ ЦИЛИНДРА ГИДРАВЛИКА

Схема запчастей Komatsu GD705R-1 - БОКОВ. СДВИГ СЦЕПН. УСТР-ВА СИСТЕМА ТРУБ ЦИЛИНДРА ГИДРАВЛИКА
FIT
1:1
100%

Артикул

Название

Примечание

Количество

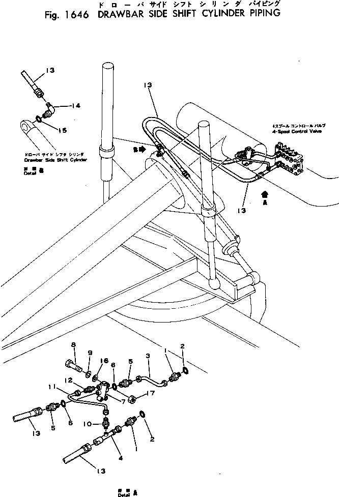
1

07230-10422

UNION

SN: 2052-UP

2шт.

2

07002-12034

O-RING (KIT)

SN: 2052-UP

2шт.

3

234-870-9890

TUBE

SN: 2229-UP

1шт.

3

234-60-22315

TUBE

SN: 2052-2228

1шт.

4

234-870-9910

TUBE

SN: 2229-UP

1шт.

4

234-60-22325

TUBE

SN: 2052-2228

1шт.

5

232-60-14271

NIPPLE

SN: 2052-UP

2шт.

6

07002-12434

O-RING (KIT)

SN: 2052-UP

2шт.

7

234-60-00150

VALVE ASS'Y,PILOT CHECK (SEE FIG.1626)

SN: 2052-UP

1шт.

8

01010-30875

BOLT

SN: 2076-UP

3шт.

8

01010-30865

BOLT

SN: 2052-2075

3шт.

9

01602-00825

WASHER

SN: 2052-UP

3шт.

10

232-60-14292

NIPPLE

SN: 2052-UP

1шт.

11

234-870-9920

TUBE

SN: 2229-UP

1шт.

11

234-60-22392

TUBE

SN: 2052-2228

1шт.

12

07213-51013

CONNECTOR

SN: 2052-UP

1шт.

13

07108-20411

HOSE

SN: 2229-UP

2шт.

13

0

HOSE

SN: 2186-2228

2шт.

13

07109-20411

HOSE

SN: 2052-2185

2шт.

14

232-60-14281

ELBOW

SN: 2052-UP

1шт.

15

07002-12434

O-RING (KIT)

SN: 2052-UP

1шт.

16

01643-30823

WASHER

SN: 2076-UP

3шт.

17

01508-00806

NUT, L.H. THREAD

SN: 2052-UP

3шт.

Выбрано товаров: 23