Запчасти Komatsu NTO-6-CI-1H PT ТОПЛИВН. НАСОС (/) ТОПЛИВН. СИСТЕМА

Схема запчастей Komatsu NTO-6-CI-1H - PT ТОПЛИВН. НАСОС (/) ТОПЛИВН. СИСТЕМА
FIT
1:1
100%

Артикул

Название

Примечание

Количество

|$0

6678-71-1021

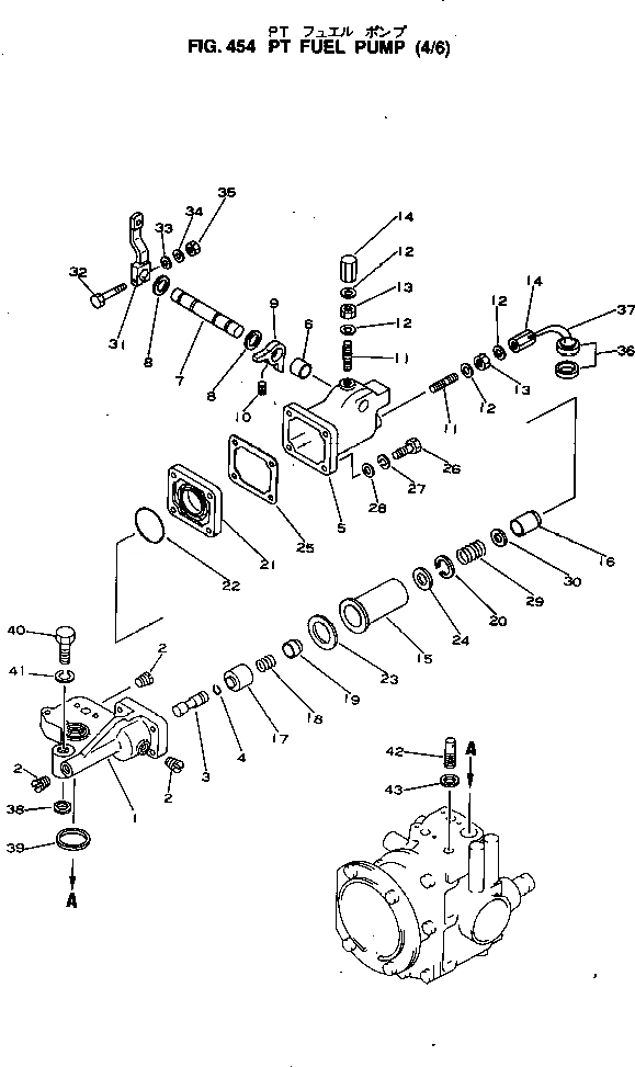
PT FUEL PUMP ASS'Y,(GR-J088)

SN: .-UP

1шт.

|$1

0

PT FUEL PUMP ASS'Y,(GR-J088)

SN: 143358-.

1шт.

|$2

6610-71-3010

GOVERNOR ASS'Y

SN: 143358-UP

1шт.

|$3

6610-71-3020

HOUSING ASS'Y,GOVERNOR

SN: 143358-UP

1шт.

1

6610-71-3030

HOUSING ASS'Y

SN: 143358-UP

1шт.

1

0

HOUSING

SN: 143358-UP

1шт.

1

0

BARREL,MVS GOVERNOR

SN: 143358-UP

1шт.

2

02720-40204

PLUG

SN: 144160-UP

3шт.

2

0

PLUG

SN: 143358-144159

3шт.

3

6610-71-3350

PLUNGER,GOVERNOR, RED, CLASS 0

SN: 143358-UP

1шт.

3

6610-79-3350

PLUNGER,GOVERNOR, BLUE, CLASS 1

SN: 143358-UP

1шт.

3

6610-78-3350

PLUNGER,GOVERNOR, GREEN, CLASS 2

SN: 143358-UP

1шт.

3

6610-77-3350

PLUNGER,GOVERNOR, YELLOW, CLASS 3

SN: 143358-UP

1шт.

4

6610-71-3370

RING,SNAP

SN: 143358-UP

1шт.

|$14

6610-71-3040

SPRING ASS'Y

SN: 143358-UP

1шт.

|$15

6610-71-3050

SPRING ASS'Y

SN: 143358-UP

1шт.

|$16

6610-71-3060

COVER ASS'Y

SN: 143358-UP

1шт.

5

0

COVER

SN: 143358-UP

1шт.

6

0

RING

SN: 143358-UP

2шт.

7

6610-71-3130

SHAFT,THROTTLE

SN: 143358-UP

1шт.

8

6610-71-3150

O-RING (K6)

SN: 143358-UP

1шт.

9

6610-71-3140

STOP

SN: 143358-UP

1шт.

10

6610-71-3160

SCREW,SET

SN: 143358-UP

1шт.

11

6610-71-3170

SCREW,ADJUSTING

SN: 143358-UP

2шт.

12

6610-71-3190

WASHER

SN: 143358-UP

4шт.

13

6600-01-2580

NUT

SN: 143358-UP

2шт.

14

6610-71-3180

NUT

SN: 143358-UP

2шт.

15

6610-71-3210

HOUSING,SPRING PACK

SN: 143358-UP

1шт.

16

6610-71-3230

PLUNGER,THROTTLE

SN: 143358-UP

1шт.

|$29

6610-71-3070

SPRING ASS'Y,IDLE

SN: 143358-UP

1шт.

17

6610-71-3240

PLUNGER,GOVERNOR SPRING

SN: 143358-UP

1шт.

18

6610-71-3260

SPRING,IDLE

SN: 143358-UP

1шт.

19

6610-71-3250

RETAINER,SPRING

SN: 143358-UP

1шт.

20

6610-71-3220

RING,SNAP

SN: 143358-UP

1шт.

21

6610-71-3450

PLATE,ADAPTER

SN: 143358-UP

1шт.

22

02891-02047

O-RING (K6)

SN: 143358-UP

1шт.

23

6610-71-3440

SHIM

SN: 143358-UP

4шт.

24

6610-71-3410

SHIM, 0.51MM,IDLE SPRING

SN: 143358-UP

1шт.

24

6610-71-3420

SHIM, 0.25MM,IDLE SPRING

SN: 143358-UP

1шт.

24

6610-71-3430

SHIM, 0.13MM,IDLE SPRING

SN: 143358-UP

1шт.

24

6610-71-3470

SHIM, 0.19MM,IDLE SPRING

SN: 143358-UP

2шт.

25

6610-71-1821

GASKET (K6)

SN: 143358-UP

1шт.

26

02100-00438

BOLT

SN: 143358-UP

4шт.

27

6610-71-1230

WASHER,SPRING

SN: 143358-UP

4шт.

28

6610-71-1840

WASHER

SN: 143358-UP

4шт.

|$45

6680-71-6040

SPRING ASS'Y,MVS GOVERNOR

SN: 143358-UP

1шт.

29

6610-71-6140

SPRING,GOVERNOR HIGH SPEED

SN: 143358-UP

1шт.

30

6610-71-6310

SHIM, 0.51MM

SN: 143358-UP

-2шт.

30

6610-71-6320

SHIM, 0.25MM

SN: 143358-UP

-2шт.

30

6610-71-6330

SHIM, 0.13MM

SN: 143358-UP

-2шт.

31

6680-71-3281

LEVER,THROTTLE

SN: 143358-UP

1шт.

32

02030-20438

BOLT

SN: 143358-UP

1шт.

33

6610-71-1840

WASHER

SN: 143358-UP

1шт.

34

02310-10916

WASHER,SPRING

SN: 143358-UP

1шт.

35

02216-10404

NUT

SN: 143358-UP

1шт.

36

6610-71-1760

SEAL,LEAD

SN: 143358-UP

1шт.

37

6610-71-1771

WIRE,LOCK

SN: 143358-UP

1шт.

38

6610-71-3510

RING,SEAL (K6)

SN: 143358-UP

1шт.

39

6610-71-3530

RING,SEAL (K6)

SN: 143358-UP

1шт.

40

6610-71-3560

BOLT

SN: 143358-UP

1шт.

41

6610-71-3550

SEAL (K6)

SN: 143358-UP

1шт.

42

6610-71-3540

ADAPTER

SN: 143358-UP

1шт.

43

6610-71-3520

O-RING,SEAL (K6)

SN: 143358-UP

1шт.

|$0

6678-71-1021

PT FUEL PUMP ASS'Y,(GR-J088)

SN: .-UP

1шт.

|$1

0

PT FUEL PUMP ASS'Y,(GR-J088)

SN: 143358-.

1шт.

|$2

6610-71-3010

GOVERNOR ASS'Y

SN: 143358-UP

1шт.

|$3

6610-71-3020

HOUSING ASS'Y,GOVERNOR

SN: 143358-UP

1шт.

1

6610-71-3030

HOUSING ASS'Y

SN: 143358-UP

1шт.

1

0

HOUSING

SN: 143358-UP

1шт.

1

0

BARREL,MVS GOVERNOR

SN: 143358-UP

1шт.

2

02720-40204

PLUG

SN: 144160-UP

3шт.

2

0

PLUG

SN: 143358-144159

3шт.

3

6610-71-3350

PLUNGER,GOVERNOR, RED, CLASS 0

SN: 143358-UP

1шт.

3

6610-79-3350

PLUNGER,GOVERNOR, BLUE, CLASS 1

SN: 143358-UP

1шт.

3

6610-78-3350

PLUNGER,GOVERNOR, GREEN, CLASS 2

SN: 143358-UP

1шт.

3

6610-77-3350

PLUNGER,GOVERNOR, YELLOW, CLASS 3

SN: 143358-UP

1шт.

4

6610-71-3370

RING,SNAP

SN: 143358-UP

1шт.

|$14

6610-71-3040

SPRING ASS'Y

SN: 143358-UP

1шт.

|$15

6610-71-3050

SPRING ASS'Y

SN: 143358-UP

1шт.

|$16

6610-71-3060

COVER ASS'Y

SN: 143358-UP

1шт.

5

0

COVER

SN: 143358-UP

1шт.

6

0

RING

SN: 143358-UP

2шт.

7

6610-71-3130

SHAFT,THROTTLE

SN: 143358-UP

1шт.

8

6610-71-3150

O-RING (K6)

SN: 143358-UP

1шт.

9

6610-71-3140

STOP

SN: 143358-UP

1шт.

10

6610-71-3160

SCREW,SET

SN: 143358-UP

1шт.

11

6610-71-3170

SCREW,ADJUSTING

SN: 143358-UP

2шт.

12

6610-71-3190

WASHER

SN: 143358-UP

4шт.

13

6600-01-2580

NUT

SN: 143358-UP

2шт.

14

6610-71-3180

NUT

SN: 143358-UP

2шт.

15

6610-71-3210

HOUSING,SPRING PACK

SN: 143358-UP

1шт.

16

6610-71-3230

PLUNGER,THROTTLE

SN: 143358-UP

1шт.

|$29

6610-71-3070

SPRING ASS'Y,IDLE

SN: 143358-UP

1шт.

17

6610-71-3240

PLUNGER,GOVERNOR SPRING

SN: 143358-UP

1шт.

18

6610-71-3260

SPRING,IDLE

SN: 143358-UP

1шт.

19

6610-71-3250

RETAINER,SPRING

SN: 143358-UP

1шт.

20

6610-71-3220

RING,SNAP

SN: 143358-UP

1шт.

21

6610-71-3450

PLATE,ADAPTER

SN: 143358-UP

1шт.

22

02891-02047

O-RING (K6)

SN: 143358-UP

1шт.

23

6610-71-3440

SHIM

SN: 143358-UP

4шт.

24

6610-71-3410

SHIM, 0.51MM,IDLE SPRING

SN: 143358-UP

1шт.

24

6610-71-3420

SHIM, 0.25MM,IDLE SPRING

SN: 143358-UP

1шт.

24

6610-71-3430

SHIM, 0.13MM,IDLE SPRING

SN: 143358-UP

1шт.

24

6610-71-3470

SHIM, 0.19MM,IDLE SPRING

SN: 143358-UP

2шт.

25

6610-71-1821

GASKET (K6)

SN: 143358-UP

1шт.

26

02100-00438

BOLT

SN: 143358-UP

4шт.

27

6610-71-1230

WASHER,SPRING

SN: 143358-UP

4шт.

28

6610-71-1840

WASHER

SN: 143358-UP

4шт.

|$45

6680-71-6040

SPRING ASS'Y,MVS GOVERNOR

SN: 143358-UP

1шт.

29

6610-71-6140

SPRING,GOVERNOR HIGH SPEED

SN: 143358-UP

1шт.

30

6610-71-6310

SHIM, 0.51MM

SN: 143358-UP

-2шт.

30

6610-71-6320

SHIM, 0.25MM

SN: 143358-UP

-2шт.

30

6610-71-6330

SHIM, 0.13MM

SN: 143358-UP

-2шт.

31

6680-71-3281

LEVER,THROTTLE

SN: 143358-UP

1шт.

32

02030-20438

BOLT

SN: 143358-UP

1шт.

33

6610-71-1840

WASHER

SN: 143358-UP

1шт.

34

02310-10916

WASHER,SPRING

SN: 143358-UP

1шт.

35

02216-10404

NUT

SN: 143358-UP

1шт.

36

6610-71-1760

SEAL,LEAD

SN: 143358-UP

1шт.

37

6610-71-1771

WIRE,LOCK

SN: 143358-UP

1шт.

38

6610-71-3510

RING,SEAL (K6)

SN: 143358-UP

1шт.

39

6610-71-3530

RING,SEAL (K6)

SN: 143358-UP

1шт.

40

6610-71-3560

BOLT

SN: 143358-UP

1шт.

41

6610-71-3550

SEAL (K6)

SN: 143358-UP

1шт.

42

6610-71-3540

ADAPTER

SN: 143358-UP

1шт.

43

6610-71-3520

O-RING,SEAL (K6)

SN: 143358-UP

1шт.

Выбрано товаров: 126