Запчасти Komatsu NTO-6-CI-1H ВОЗДУХООЧИСТИТЕЛЬ И СОЕДИН-Е ГОЛОВКА ЦИЛИНДРОВ

Схема запчастей Komatsu NTO-6-CI-1H - ВОЗДУХООЧИСТИТЕЛЬ И СОЕДИН-Е ГОЛОВКА ЦИЛИНДРОВ
FIT
1:1
100%

Артикул

Название

Примечание

Количество

|$0

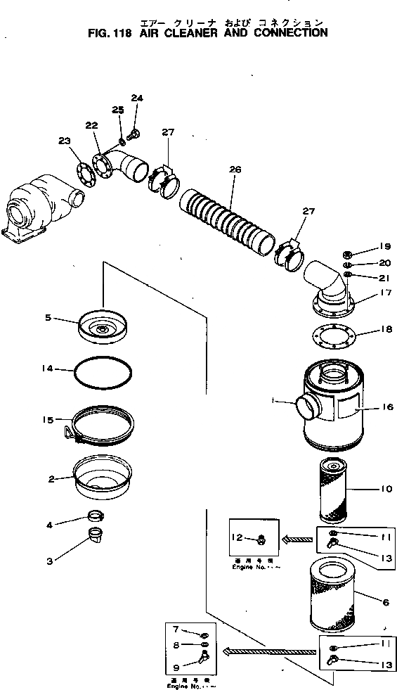
6678-81-7202

AIR CLEANER ASS'Y

SN: .-UP

1шт.

|$1

0

AIR CLEANER ASS'Y

SN: 143358-.

1шт.

1

6678-81-7211

BODY,AIR CLEANER

SN: 143358-.

1шт.

2

6678-81-7220

CAP

SN: 143358-UP

1шт.

3

6112-81-7810

VALVE

SN: 143358-UP

1шт.

4

6112-81-7820

CLAMP

SN: 143358-UP

1шт.

5

6678-81-7230

BUFFLE

SN: 143358-UP

1шт.

|$7

6125-81-7032

ELEMENT ASS'Y

SN: .-UP

1шт.

|$8

0

ELEMENT ASS'Y

SN: 143358-.

1шт.

6

600-181-4300

ELEMENT ASS'Y,OUTER

SN: .-UP

1шт.

6

600-181-4311

ELEMENT,OUTER

SN: 143358-.

1шт.

6

600-181-4311

ELEMENT

SN: .-UP

1шт.

7

04064-01510

RING,SNAP

SN: .-UP

1шт.

8

600-181-4591

WASHER,SEAL

SN: .-UP

1шт.

9

600-181-1990

NUT,WING

SN: .-UP

1шт.

10

600-181-4212

ELEMENT,INNER

SN: .-UP

1шт.

10

0

ELEMENT,INNER

SN: 143358-.

1шт.

11

600-181-7511

WASHER,SEAL

SN: .-UP

1шт.

11

600-181-4591

WASHER,SEAL

SN: 143358-.

2шт.

12

600-181-9671

NUT

SN: .-UP

1шт.

13

600-181-4581

NUT,WING

SN: 143358-.

2шт.

14

6127-81-7190

O-RING

SN: 143358-UP

1шт.

15

6127-81-7161

CLAMP

SN: 143358-UP

1шт.

16

09641-00160

PLATE, INSTRUCTION

SN: 143358-UP

1шт.

17

234-977-6150

TUBE

SN: 143358-UP

1шт.

18

6127-81-4821

GASKET (K1)

SN: 143358-UP

1шт.

19

01580-01008

NUT,SPRING

SN: 143358-UP

4шт.

20

01602-01030

WASHER

SN: 143358-UP

4шт.

21

01641-21016

WASHER

SN: 143358-UP

4шт.

22

234-977-6140

TUBE

SN: 143358-UP

1шт.

23

6655-12-4830

GASKET (K1)

SN: 143358-UP

1шт.

24

02010-20525

BOLT

SN: 143358-UP

8шт.

25

01602-00825

WASHER,SPRING

SN: 143358-UP

8шт.

26

234-977-6160

HOSE

SN: 143358-UP

1шт.

27

07281-01589

CLAMP

SN: 143358-UP

4шт.

|$0

6678-81-7202

AIR CLEANER ASS'Y

SN: .-UP

1шт.

|$1

0

AIR CLEANER ASS'Y

SN: 143358-.

1шт.

1

6678-81-7211

BODY,AIR CLEANER

SN: 143358-.

1шт.

2

6678-81-7220

CAP

SN: 143358-UP

1шт.

3

6112-81-7810

VALVE

SN: 143358-UP

1шт.

4

6112-81-7820

CLAMP

SN: 143358-UP

1шт.

5

6678-81-7230

BUFFLE

SN: 143358-UP

1шт.

|$7

6125-81-7032

ELEMENT ASS'Y

SN: .-UP

1шт.

|$8

0

ELEMENT ASS'Y

SN: 143358-.

1шт.

6

600-181-4300

ELEMENT ASS'Y,OUTER

SN: .-UP

1шт.

6

600-181-4311

ELEMENT,OUTER

SN: 143358-.

1шт.

6

600-181-4311

ELEMENT

SN: .-UP

1шт.

7

04064-01510

RING,SNAP

SN: .-UP

1шт.

8

600-181-4591

WASHER,SEAL

SN: .-UP

1шт.

9

600-181-1990

NUT,WING

SN: .-UP

1шт.

10

600-181-4212

ELEMENT,INNER

SN: .-UP

1шт.

10

0

ELEMENT,INNER

SN: 143358-.

1шт.

11

600-181-7511

WASHER,SEAL

SN: .-UP

1шт.

11

600-181-4591

WASHER,SEAL

SN: 143358-.

2шт.

12

600-181-9671

NUT

SN: .-UP

1шт.

13

600-181-4581

NUT,WING

SN: 143358-.

2шт.

14

6127-81-7190

O-RING

SN: 143358-UP

1шт.

15

6127-81-7161

CLAMP

SN: 143358-UP

1шт.

16

09641-00160

PLATE, INSTRUCTION

SN: 143358-UP

1шт.

17

234-977-6150

TUBE

SN: 143358-UP

1шт.

18

6127-81-4821

GASKET (K1)

SN: 143358-UP

1шт.

19

01580-01008

NUT,SPRING

SN: 143358-UP

4шт.

20

01602-01030

WASHER

SN: 143358-UP

4шт.

21

01641-21016

WASHER

SN: 143358-UP

4шт.

22

234-977-6140

TUBE

SN: 143358-UP

1шт.

23

6655-12-4830

GASKET (K1)

SN: 143358-UP

1шт.

24

02010-20525

BOLT

SN: 143358-UP

8шт.

25

01602-00825

WASHER,SPRING

SN: 143358-UP

8шт.

26

234-977-6160

HOSE

SN: 143358-UP

1шт.

27

07281-01589

CLAMP

SN: 143358-UP

4шт.

Выбрано товаров: 70