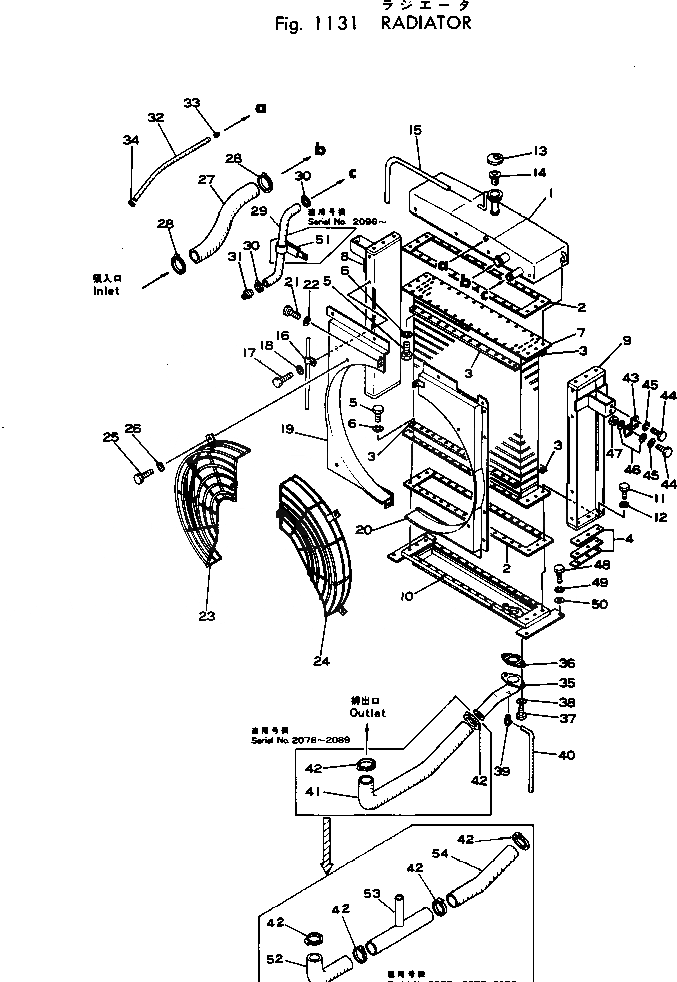
Запчасти Komatsu GD705R-1 РАДИАТОР КОМПОНЕНТЫ ДВИГАТЕЛЯ И ЭЛЕКТРИКА

Схема запчастей Komatsu GD705R-1 - РАДИАТОР КОМПОНЕНТЫ ДВИГАТЕЛЯ И ЭЛЕКТРИКА
FIT
1:1
100%

Артикул

Название

Примечание

Количество

|1

234-03-11104

RADLATOR ASS'Y

SN: 2052-UP

1шт.

|1

234-03-12100

CORE ASS'Y

SN: 2052-UP

1шт.

1

234-03-12120

TANK,UPPER

SN: 2052-UP

1шт.

2

145-03-31261

GASKET (KIT)

SN: 2052-UP

2шт.

3

145-03-31191

PLATE

SN: 2052-UP

4шт.

4

145-03-31291

SHIM¤ 0.6MM

SN: 2052-UP

15шт.

5

01010-31025

BOLT

SN: 2052-UP

56шт.

6

01602-01030

WASHER

SN: 2052-UP

56шт.

7

234-03-12110

CORE

SN: 2052-UP

1шт.

8

234-03-12140

SUPPORT,L.H.

SN: 2052-UP

1шт.

9

234-03-12150

SUPPORT,R.H.

SN: 2052-UP

1шт.

10

234-03-12130

TANK,LOWER

SN: 2052-UP

1шт.

11

01010-31240

BOLT

SN: 2052-UP

12шт.

12

01602-01236

WASHER

SN: 2052-UP

12шт.

13

230-03-11134

CAP

SN: 2052-UP

1шт.

14

230-03-11470

STRAINER

SN: 2052-UP

1шт.

15

234-03-11181

PIPE

SN: 2052-UP

1шт.

16

234-03-11270

CLIP

SN: 2052-UP

3шт.

17

01010-31018

BOLT

SN: 2052-UP

16шт.

18

01602-01030

WASHER

SN: 2052-UP

16шт.

19

234-03-11162

SHROUD,L.H.

SN: 2052-UP

1шт.

20

234-03-11172

SHROUD,R.H.

SN: 2052-UP

1шт.

21

01010-30812

BOLT

SN: 2052-UP

2шт.

22

01602-00825

WASHER

SN: 2052-UP

2шт.

23

234-03-11250

GUARD,L.H.

SN: 2052-UP

1шт.

24

234-03-11260

GUARD,R.H.

SN: 2052-UP

1шт.

25

01010-30816

BOLT

SN: 2052-UP

5шт.

26

01602-00825

WASHER

SN: 2052-UP

5шт.

27

234-03-13113

HOSE

SN: 2052-UP

1шт.

28

07281-00809

CLAMP

SN: 2052-UP

2шт.

29

07261-22613

HOSE

SN: 2090-UP

1шт.

|29

234-03-13133

HOSE

SN: 2076-2089

1шт.

|29

07261-22613

HOSE

SN: 2069-2075

1шт.

|29

234-03-13133

HOSE

SN: 2052-2068

1шт.

30

07281-00419

CLAMP

SN: 2090-UP

2шт.

|30

07281-00489

CLAMP

SN: 2052-2089

2шт.

31

145-03-32121

NIPPLE

SN: 2076-2089

1шт.

|31

145-03-32121

NIPPLE

SN: 2052-2068

1шт.

32

07260-20963

HOSE

SN: 2052-UP

1шт.

33

234-03-13150

NIPPLE

SN: 2052-UP

1шт.

34

07281-00197

CLAMP

SN: 2052-UP

2шт.

35

145-03-31211

TUBE

SN: 2052-UP

1шт.

36

232-03-12130

GASKET (KIT)

SN: 2052-UP

1шт.

37

01010-31235

BOLT

SN: 2052-UP

2шт.

38

01602-01236

WASHER

SN: 2052-UP

2шт.

39

101-03-21230

VALVE

SN: 2052-UP

1шт.

40

07270-00840

TUBE

SN: 2052-UP

1шт.

41

234-03-13121

HOSE

SN: 2076-2089

1шт.

|41

234-03-13121

HOSE

SN: 2052-2068

1шт.

42

07281-00809

CLAMP

SN: 2090-UP

4шт.

|42

07281-00809

CLAMP

SN: 2076-2089

2шт.

|42

07281-00809

CLAMP

SN: 2069-2075

4шт.

|42

07281-00809

CLAMP

SN: 2052-2068

2шт.

43

234-03-11212

SUPPORT

SN: 2052-UP

2шт.

44

01010-31025

BOLT

SN: 2052-UP

8шт.

45

01602-01030

WASHER

SN: 2052-UP

8шт.

46

01643-31032

WASHER

SN: 2052-UP

4шт.

47

01580-01008

NUT

SN: 2052-UP

4шт.

48

01010-31445

BOLT

SN: 2052-UP

4шт.

49

01602-01442

WASHER

SN: 2052-UP

4шт.

50

01643-31445

WASHER

SN: 2052-UP

4шт.

51

234-03-13170

CLIP

SN: 2096-UP

1шт.

52

234-807-1360

HOSE

SN: 2090-UP

1шт.

|52

234-807-1360

HOSE

SN: 2069-2075

1шт.

53

234-03-13160

TUBE

SN: 2090-UP

1шт.

|53

234-03-13160

TUBE

SN: 2069-2075

1шт.

54

234-807-1370

HOSE

SN: 2090-UP

1шт.

|54

234-807-1370

HOSE

SN: 2069-2075

1шт.

Выбрано товаров: 68