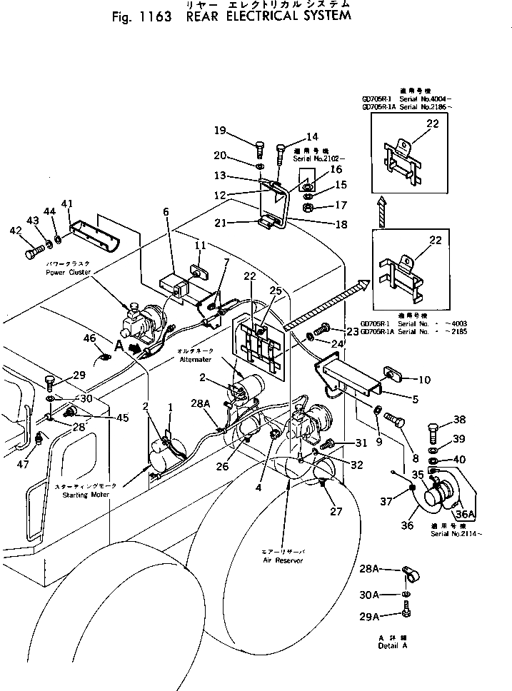
Запчасти Komatsu GD705R-1 ЗАДН. ЭЛЕКТРИКА КОМПОНЕНТЫ ДВИГАТЕЛЯ И ЭЛЕКТРИКА

Схема запчастей Komatsu GD705R-1 - ЗАДН. ЭЛЕКТРИКА КОМПОНЕНТЫ ДВИГАТЕЛЯ И ЭЛЕКТРИКА
FIT
1:1
100%

Артикул

Название

Примечание

Количество

1

232-06-11960

CAP

SN: 2052-UP

2шт.

2

140-06-18260

CAP

SN: 2052-UP

4шт.

4

500-44-14160

SWITCH,AIR

SN: 2052-UP

1шт.

5

233-806-9360

BRACKET,L.H. (FOR VEHICLE INSPECTION) (OP)

SN: 2052-UP

1шт.

|5

234-902-6481

BRACKET,L.H. (EXCEPT JAPAN)

SN: 2052-UP

1шт.

6

233-806-9350

BRACKET,R.H. (FOR VEHICLE INSPECTION) (OP)

SN: 2052-UP

1шт.

6

234-902-6491

BRACKET,R.H. (EXCEPT JAPAN)

SN: 2052-UP

1шт.

7

08037-01610

GROMMET

SN: 2052-UP

2шт.

8

01010-30820

BOLT

SN: 2052-UP

6шт.

9

01602-00825

WASHER

SN: 2052-UP

6шт.

10

237-06-13350

COMBINATION LAMP A.,REAR COMBINATION¤ L.H.

SN: 2052-UP

1шт.

|10

237-06-13360

LENS

SN: 2052-UP

1шт.

|10

08105-12420

BULB¤ 25W

SN: 2052-UP

1шт.

|10

08104-12420

BULB¤ 25/10W

SN: 2052-UP

1шт.

|10

08102-02403

BULB¤ 3W

SN: 2052-UP

1шт.

11

237-06-13340

COMBINATION LAMP A.,REAR COMBINATION¤ R.H.

SN: 2052-UP

1шт.

|11

237-06-13360

LENS

SN: 2052-UP

1шт.

|11

08105-12420

BULB¤ 25W

SN: 2052-UP

1шт.

|11

08104-12420

BULB¤ 25/10W

SN: 2052-UP

1шт.

|11

08102-02403

BULB¤ 3W

SN: 2052-UP

1шт.

12

08174-10001

MIRROR,(EXCEPT JAPAN) (OP)

SN: 2052-UP

1шт.

13

232-06-15151

PIVOT,(EXCEPT JAPAN) (OP)

SN: 2052-UP

1шт.

14

01010-30825

BOLT,(EXCEPT JAPAN) (OP)

SN: 2052-UP

1шт.

15

01602-00825

WASHER,(EXCEPT JAPAN) (OP)

SN: 2052-UP

1шт.

16

01643-30823

WASHER,(EXCEPT JAPAN) (OP)

SN: 2102-UP

1шт.

17

01580-00806

NUT,(EXCEPT JAPAN) (OP)

SN: 2052-UP

1шт.

18

234-06-15230

TUBE,(EXCEPT JAPAN) (OP)

SN: 2052-UP

1шт.

19

01010-31045

BOLT,(EXCEPT JAPAN) (OP)

SN: 2052-UP

4шт.

20

01602-01030

WASHER,(EXCEPT JAPAN) (OP)

SN: 2052-UP

4шт.

21

232-06-15131

BRACKET,(EXCEPT JAPAN) (OP)

SN: 2052-UP

1шт.

22

232-06-15240

BRACKET,(EXCEPT JAPAN) (OP)

SN: 4004-UP

1шт.

|22

232-06-15216

BRACKET,(EXCEPT JAPAN) (OP)

SN: 2051-2051

1шт.

|22

232-06-15215

BRACKET,(EXCEPT JAPAN) (OP)

SN: .-4003

1шт.

|22

234-06-15241

BRACKET,(EXCEPT JAPAN) (OP)

SN: 2052-.

1шт.

23

01220-40612

SCREW,(EXCEPT JAPAN) (OP)

SN: 2052-4003

3шт.

24

01602-00619

WASHER,(EXCEPT JAPAN) (OP)

SN: 2052-4003

3шт.

25

08137-12400

LAMP,NUMBER (EXCEPT JAPAN) (OP)

SN: 2052-UP

1шт.

|25

08110-02410

BULB¤ 10W,(EXCEPT JAPAN) (OP)

SN: 2052-UP

1шт.

26

08138-02400

LAMP ASS'Y,BLACK (EXCEPT JAPAN) (OP)

SN: 2052-UP

1шт.

|26

08138-00006

LENS,(EXCEPT JAPAN) (OP)

SN: 2052-UP

1шт.

|26

08105-02420

BULB¤ 25W

SN: 2052-UP

1шт.

27

232-06-13310

LAMP ASS'Y,WORKING (EXCEPT JAPAN) (OP)

SN: 2052-UP

1шт.

|27

232-06-13320

BULB¤ 40W,(EXCEPT JAPAN) (OP)

SN: 2052-UP

1шт.

|27

08127-00060

LENS,(EXCEPT JAPAN) (OP)

SN: 2052-UP

1шт.

28

08036-11214

CLIP

SN: 2052-4003

4шт.

28A

08036-11214

CLIP

SN: 2052-UP

2шт.

29

01010-31016

BOLT

SN: 2052-4003

4шт.

29A

01010-31016

BOLT

SN: 1151-UP

1шт.

30

01602-01030

WASHER

SN: 1151-4003

4шт.

30A

01602-01030

WASHER

SN: 1151-UP

1шт.

31

01010-30610

BOLT

SN: 1523-UP

1шт.

32

01602-00619

WASHER

SN: 1523-UP

1шт.

33

08034-00834

BAND,(NOT SHOWN)

SN: 2052-UP

10шт.

34

08034-00519

BAND,(NOT SHOWN)

SN: 2052-UP

25шт.

35

08165-22400

BUZZER,BACK (OP)

SN: .-UP

1шт.

|35

0

BUZZER,BACK (OP)

SN: 2052-.

1шт.

36

234-806-6511

CABLE

SN: 2052-UP

1шт.

|36

232-806-6530

CABLE (OP)

SN: 2052-UP

1шт.

36A

234-06-21610

CABLE (OP)

SN: 2114-UP

1шт.

37

08037-01008

GROMMET (OP)

SN: 2052-UP

1шт.

38

01010-30616

BOLT (OP)

SN: 2052-UP

1шт.

39

01602-00619

WASHER (OP)

SN: 2052-UP

1шт.

40

01642-00608

WASHER (OP)

SN: 2052-UP

1шт.

41

233-806-9380

COVER,L.H. (OP)

SN: 2052-UP

1шт.

|41

233-806-9370

COVER,R.H. (OP)

SN: 2052-UP

1шт.

42

01010-30616

BOLT (OP)

SN: 2052-UP

12шт.

43

01602-00619

WASHER (OP)

SN: 2052-UP

12шт.

44

01642-00608

WASHER (OP)

SN: 2052-UP

12шт.

45

237-06-15160

SENSOR,OIL PRESSURE¤ ENGINE

SN: 2052-UP

1шт.

46

232-06-52410

SENSOR,WATER TEMPERATURE

SN: 2052-UP

1шт.

47

237-06-15120

SENSOR,OIL TEMPERATURE

SN: 2052-UP

1шт.

Выбрано товаров: 0