Запчасти Komatsu GD705R-1 КОМПОНЕНТЫ ДВИГАТЕЛЯ КОМПОНЕНТЫ ДВИГАТЕЛЯ И ЭЛЕКТРИКА

Схема запчастей Komatsu GD705R-1 - КОМПОНЕНТЫ ДВИГАТЕЛЯ КОМПОНЕНТЫ ДВИГАТЕЛЯ И ЭЛЕКТРИКА
FIT
1:1
100%

Артикул

Название

Примечание

Количество

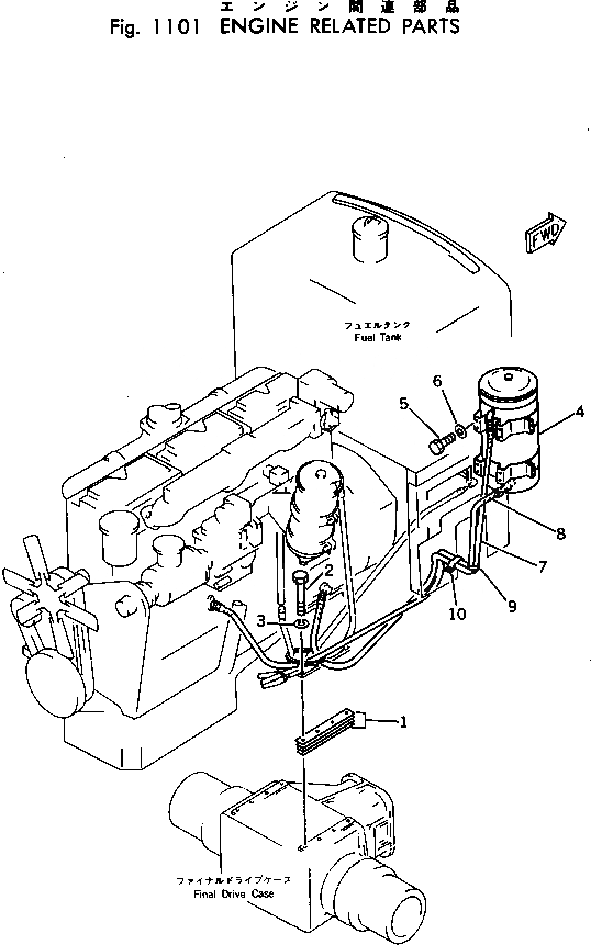
1

234-21-05110

SHIM ASS'Y

SN: 2052-UP

2шт.

|1

0

SHIM¤ 0.2MM

SN: 2052-UP

2шт.

|1

0

SHIM¤ 0.1MM

SN: 2052-UP

5шт.

2

01010-31645

BOLT

SN: 2052-UP

8шт.

3

01602-01648

WASHER

SN: 2052-UP

8шт.

4

6631-51-5000

OIL FILTER ASS'Y

SN: 2052-UP

1шт.

5

01010-30816

BOLT

SN: 2052-UP

8шт.

6

01602-00825

WASHER

SN: 2052-UP

8шт.

7

6678-51-9910

HOSE

SN: 2052-UP

1шт.

8

6678-51-9920

HOSE

SN: 2052-UP

1шт.

9

08034-00834

BAND

SN: 2052-UP

4шт.

10

234-01-11220

CLIP

SN: 4004-UP

1шт.

Выбрано товаров: 12