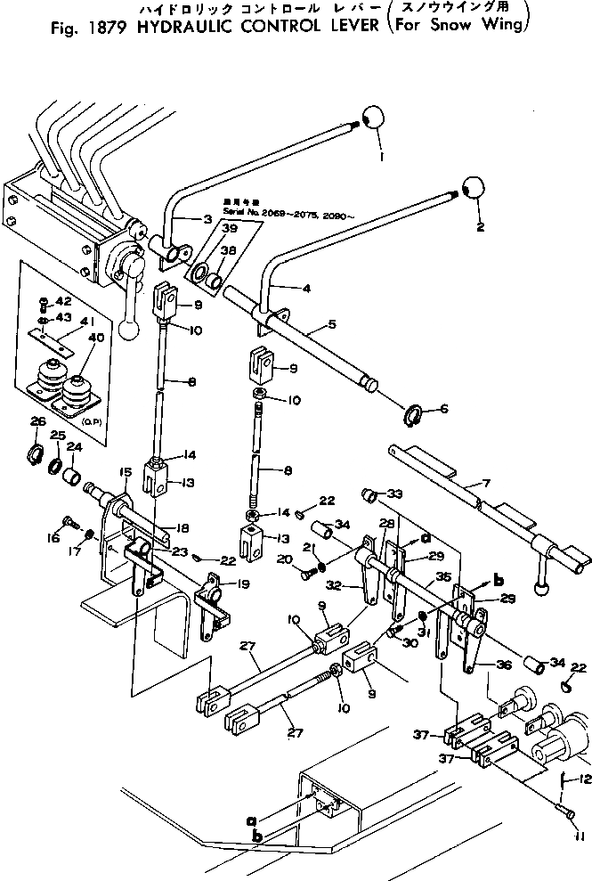
Запчасти Komatsu GD705R-1A ГИДРАВЛ РЫЧАГ УПРАВЛ-Я (ДЛЯ SNOW WING) ОПЦИОННЫЕ КОМПОНЕНТЫ

Схема запчастей Komatsu GD705R-1A - ГИДРАВЛ РЫЧАГ УПРАВЛ-Я (ДЛЯ SNOW WING) ОПЦИОННЫЕ КОМПОНЕНТЫ
FIT
1:1
100%

Артикул

Название

Примечание

Количество

|1

234-971-0215

CONTROL ASS'Y,(FOR SNOW WING)

SN: 2090-UP

1шт.

|1

234-971-0214

CONTROL ASS'Y,(FOR SNOW WING)

SN: 2076-2089

1шт.

|1

234-971-0215

CONTROL ASS'Y,(FOR SNOW WING)

SN: 2069-2075

1шт.

|1

234-971-0214

CONTROL ASS'Y,(FOR SNOW WING)

SN: 2052-2068

1шт.

1

234-977-0151

CONTROL ASS'Y,(FOR SCARIFIER FOLD)

SN: 2090-UP

1шт.

|1

234-977-0150

CONTROL ASS'Y,(FOR SCARIFIER FOLD)

SN: 2076-2089

1шт.

|1

234-977-0151

CONTROL ASS'Y,(FOR SCARIFIER FOLD)

SN: 2069-2075

1шт.

|1

234-977-0150

CONTROL ASS'Y,(FOR SCARIFIER FOLD)

SN: 2052-2068

1шт.

|1

234-977-0160

KNOB ASS'Y,(FOR SCARIFIER FOLD)

SN: 2052-UP

1шт.

1

232-43-17480

KNOB

SN: 2052-UP

1шт.

|1

234-977-1770

PLATE¤ MARK

SN: 2052-UP

1шт.

|2

234-977-0170

KNOB ASS'Y,(FOR SCARIFIER LIFT)

SN: 2052-UP

1шт.

2

232-43-17480

KNOB

SN: 2052-UP

1шт.

|2

234-977-1760

PLATE¤ MARK

SN: 2052-UP

1шт.

3

234-971-3112

LEVER

SN: .-UP

1шт.

|3

0

LEVER

SN: 2090-.

1шт.

|3

234-971-3110

LEVER

SN: 2076-2089

1шт.

|3

0

LEVER

SN: 2069-2075

1шт.

|3

234-971-3110

LEVER

SN: 2052-2068

1шт.

4

234-971-3122

LEVER

SN: .-UP

1шт.

|4

0

LEVER

SN: 2090-.

1шт.

|4

234-971-3120

LEVER

SN: 2076-2089

1шт.

|4

0

LEVER

SN: 2069-2075

1шт.

|4

234-971-3120

LEVER

SN: 2052-2068

1шт.

5

234-971-3131

SHAFT

SN: 2090-UP

1шт.

|5

232-971-3130

SHAFT

SN: 2076-2089

1шт.

|5

234-971-3131

SHAFT

SN: 2069-2075

1шт.

|5

232-971-3130

SHAFT

SN: 2052-2068

1шт.

6

04064-01812

RING

SN: 2052-UP

1шт.

7

234-971-3140

SHAFT

SN: 2052-UP

1шт.

8

234-971-3160

ROD

SN: 2052-UP

2шт.

9

04211-20844

YOKE

SN: 2052-UP

4шт.

10

01580-10806

NUT

SN: 2052-UP

4шт.

11

04205-00822

PIN

SN: 2052-UP

12шт.

12

04050-02012

PIN

SN: 2052-UP

12шт.

13

04221-00844

YOKE

SN: 2052-UP

2шт.

14

01508-20805

NUT

SN: 2052-UP

2шт.

15

234-971-3180

SUPPORT

SN: 2052-UP

1шт.

16

01010-31020

BOLT

SN: 2052-UP

2шт.

17

01602-01030

WASHER

SN: 2052-UP

2шт.

18

234-971-3170

SHAFT

SN: 2052-UP

1шт.

19

234-971-3220

LEVER

SN: 2052-UP

1шт.

20

01010-30830

BOLT

SN: 2052-UP

3шт.

21

01602-00825

WASHER

SN: 2052-UP

3шт.

22

04010-00519

KEY

SN: 2052-UP

3шт.

23

234-971-3210

LEVER

SN: 2052-UP

1шт.

24

234-885-1620

BUSHING

SN: 2052-UP

3шт.

25

01640-22032

WASHER

SN: 2052-UP

1шт.

26

04064-02012

RING

SN: 2052-UP

1шт.

27

04244-40817

ROD

SN: 2052-UP

2шт.

28

234-971-3270

SHAFT

SN: 2052-UP

1шт.

29

06125-02051

BEARING

SN: 2052-UP

2шт.

30

01010-30816

BOLT

SN: 2052-UP

4шт.

31

01602-00825

WASHER

SN: 2052-UP

4шт.

32

234-971-3250

LEVER

SN: 2052-UP

1шт.

33

234-971-3280

COLLAR

SN: 2052-UP

2шт.

34

234-885-1620

BUSHING

SN: 2052-UP

2шт.

35

234-971-3260

LEVER

SN: 2052-UP

1шт.

36

234-971-3240

LEVER

SN: 2052-UP

1шт.

37

234-971-3290

YOKE

SN: 2052-UP

2шт.

38

06600-00805

BUSHING

SN: 2090-UP

2шт.

|38

06600-00805

BUSHING

SN: 2069-2075

2шт.

39

237-43-17420

WASHER

SN: 2090-UP

3шт.

|39

237-43-17420

WASHER

SN: 2069-2075

3шт.

40

232-856-3210

BOOT,(FOR NOISE SUPPRESSION)

SN: 2052-UP

2шт.

41

234-884-1520

PLATE,(FOR NOISE SUPPRESSION)

SN: 2052-UP

2шт.

42

01220-40412

SCREW,(FOR NOISE SUPPRESSION)

SN: 2052-UP

4шт.

43

01602-00410

WASHER,(FOR NOISE SUPPRESSION)

SN: 2052-UP

4шт.

Выбрано товаров: 68