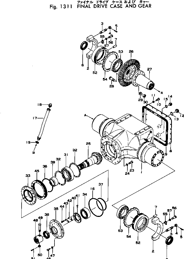
Запчасти Komatsu GD705R-1A КОРПУС КОНЕЧН. ПЕРЕДАЧИ И ПРИВОД СДВОЕНН. ПРИВОД И КОЛЕСА

Схема запчастей Komatsu GD705R-1A - КОРПУС КОНЕЧН. ПЕРЕДАЧИ И ПРИВОД СДВОЕНН. ПРИВОД И КОЛЕСА
FIT
1:1
100%

Артикул

Название

Примечание

Количество

|1

234-21-00013

CASE ASS'Y

SN: 2120-UP

1шт.

|1

0

CASE ASS'Y

SN: 2052-2119

1шт.

|1

234-21-00031

CASE ASS'Y

SN: 2120-UP

1шт.

|1

0

CASE ASS'Y

SN: 2052-2119

1шт.

1

234-21-11111

CASE

SN: 2120-UP

1шт.

|1

0

CASE

SN: 2052-2119

1шт.

2

0

COVER

SN: 2052-UP

2шт.

3

01127-32210

STUD

SN: 2052-UP

4шт.

4

01590-02226

NUT

SN: 2052-UP

4шт.

5

04050-05040

PIN

SN: 2052-UP

4шт.

6

07012-00120

SEAL (KIT)

SN: 2120-UP

2шт.

|6

0

SEAL (KIT)

SN: 2052-2119

2шт.

7

04020-01024

PIN

SN: 2052-UP

2шт.

8

234-21-11131

COVER

SN: 2052-UP

1шт.

9

234-21-11140

GASKET (KIT)

SN: 2052-UP

1шт.

10

01010-31230

BOLT

SN: 2052-UP

20шт.

11

01602-01236

WASHER

SN: 2052-UP

20шт.

12

07044-13620

PLUG

SN: 2052-UP

1шт.

13

07002-13634

O-RING (KIT)

SN: 2052-UP

1шт.

14

07040-11812

PLUG

SN: 2052-UP

1шт.

15

07002-11823

O-RING

SN: 2052-UP

1шт.

16

07000-15280

O-RING (KIT)

SN: 2052-UP

1шт.

17

234-21-11171

FILLER

SN: 2052-UP

1шт.

18

232-23-11220

BREATHER

SN: 2052-UP

1шт.

19

07005-03016

GASKET (KIT)

SN: 2052-UP

1шт.

23

01010-31650

BOLT

SN: 2052-UP

16шт.

24

01602-01648

WASHER

SN: 2052-UP

16шт.

|25

234-21-00021

GEAR ASS'Y

SN: 2210-UP

1шт.

|25

234-21-00020

GEAR ASS'Y

SN: 2052-2209

1шт.

25

0

PINION

SN: 2210-UP

1шт.

|25

0

SHAFT

SN: 2120-2209

1шт.

26

0

GEAR

SN: 2210-UP

1шт.

|26

0

GEAR

SN: 2120-2209

1шт.

27

234-21-12320

SHAFT

SN: 2052-UP

1шт.

28

01084-01865

BOLT

SN: 2116-UP

12шт.

29

141-21-12190

LOCK

SN: 2052-UP

6шт.

30

01582-01815

NUT

SN: 2116-UP

12шт.

31

06041-00320

BEARING

SN: 2051-2051

1шт.

|31

234-977-6410

BEARING

SN: 2052-UP

1шт.

32

230-09-15420

RING

SN: 2052-UP

2шт.

33

234-21-12120

CAGE

SN: 2052-UP

1шт.

34

230-09-14140

BEARING

SN: 2052-UP

1шт.

35

234-21-12130

HOUSING

SN: 2052-UP

1шт.

36

07000-15210

O-RING (KIT)

SN: 2052-UP

1шт.

37

07000-15175

O-RING (KIT)

SN: 2052-UP

1шт.

38

07013-20080

SEAL

SN: 2052-UP

1шт.

39

234-21-12170

COLLAR

SN: 2052-UP

1шт.

40

234-21-12180

NUT

SN: 2052-UP

1шт.

41

131-21-44180

PIN

SN: 2052-UP

1шт.

42

234-21-12190

PLATE

SN: 2052-UP

1шт.

43

234-21-12210

PLATE

SN: 2052-UP

1шт.

44

01010-30814

BOLT

SN: 2052-UP

2шт.

45

234-21-05120

SHIM ASS'Y (KIT)

SN: 2052-UP

1шт.

|45

0

SHIM¤ 0.1MM (KIT)

SN: 2052-UP

4шт.

|45

0

SHIM¤ 0.2MM (KIT)

SN: 2052-UP

8шт.

|45

0

SHIM¤ 1.0MM (KIT)

SN: 2052-UP

4шт.

46

01010-31250

BOLT

SN: 2052-UP

8шт.

47

01602-01236

WASHER

SN: 2052-UP

8шт.

48

234-21-12230

COUPLING

SN: 2052-UP

1шт.

49

234-21-12241

BOLT

SN: 2052-UP

1шт.

50

01590-00809

NUT

SN: 2052-UP

1шт.

51

04050-02015

PIN

SN: 2052-UP

1шт.

52

234-21-12330

CAGE

SN: 2052-UP

2шт.

53

06000-30222

BEARING

SN: 2052-UP

2шт.

54

234-21-12390

NUT

SN: 2052-UP

2шт.

55

234-21-12360

LOCK

SN: 2052-UP

2шт.

56

01010-31020

BOLT

SN: 2052-UP

4шт.

57

01602-01030

WASHER

SN: 2052-UP

4шт.

Выбрано товаров: 68