Запчасти Komatsu GD705R-1A 3-Х СЕКЦИОНН. ГИДРАВЛ УПРАВЛЯЮЩ. КЛАПАН ГИДРАВЛИКА

Схема запчастей Komatsu GD705R-1A - 3-Х СЕКЦИОНН. ГИДРАВЛ УПРАВЛЯЮЩ. КЛАПАН ГИДРАВЛИКА
FIT
1:1
100%

Артикул

Название

Примечание

Количество

|1

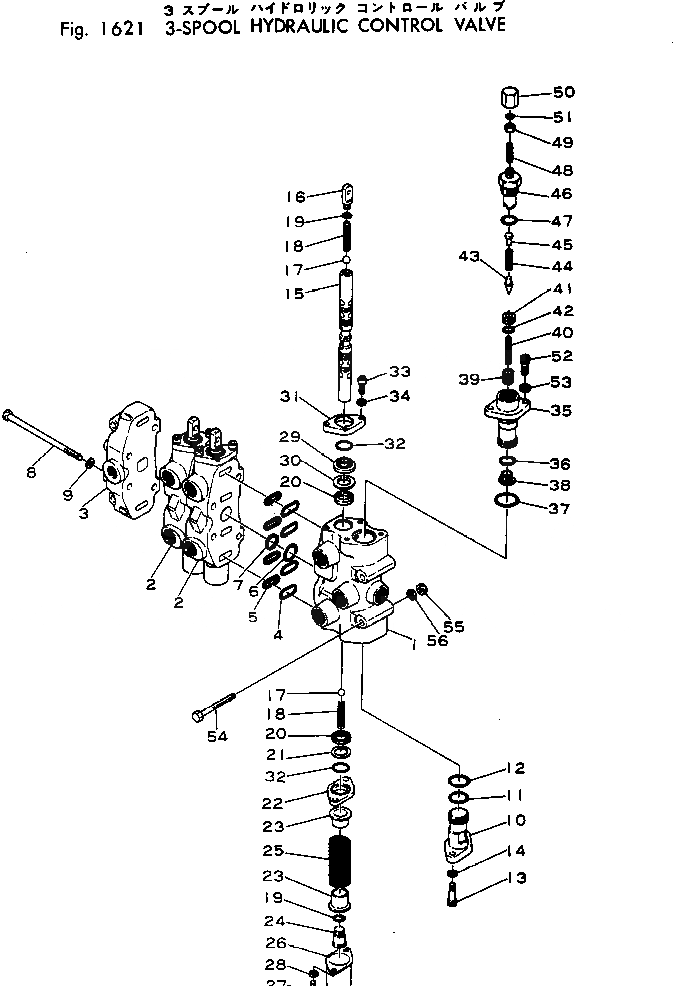
700-73-14000

VALVE ASS'Y,3-SPOOL

SN: 2052-UP

1шт.

1

0

BODY

SN: 2052-UP

1шт.

2

0

BLOCK

SN: 2052-UP

2шт.

3

0

COVER

SN: 2052-UP

1шт.

4

07000-13028

O-RING

SN: 2052-UP

12шт.

5

700-72-31420

RING

SN: 2052-UP

12шт.

6

07000-13030

O-RING

SN: 2052-UP

3шт.

7

700-72-31430

RING

SN: 2052-UP

3шт.

8

700-73-31140

BOLT

SN: 2052-UP

4шт.

9

01602-01030

WASHER

SN: 2052-UP

4шт.

10

700-72-31330

PLUG

SN: 2052-UP

1шт.

11

700-13-31161

O-RING

SN: 2052-UP

1шт.

12

07000-03032

O-RING

SN: 2052-UP

1шт.

13

01252-31030

BOLT

SN: 2052-UP

2шт.

14

01602-01030

WASHER

SN: 2052-UP

2шт.

15

0

SPOOL

SN: 2052-UP

3шт.

16

700-72-31340

JOINT

SN: 2052-UP

3шт.

17

700-72-31580

BALL

SN: 2052-UP

6шт.

18

700-72-31570

SPRING

SN: 2052-UP

6шт.

19

07002-11423

O-RING

SN: 2052-UP

6шт.

20

700-72-31390

U-PACKING

SN: 2052-UP

6шт.

21

700-72-31230

COLLAR

SN: 2052-UP

3шт.

22

700-84-11250

PLATE

SN: 2052-UP

3шт.

23

700-72-31250

RETAINER

SN: 2052-UP

6шт.

24

700-72-31380

PLUG

SN: 2052-UP

3шт.

25

700-72-31270

SPRING

SN: 2052-UP

3шт.

26

700-72-31280

COVER

SN: 2052-UP

3шт.

27

01252-30615

BOLT

SN: 2052-UP

6шт.

28

01602-00619

WASHER

SN: 2052-UP

6шт.

29

700-84-11820

SEAL

SN: 2052-UP

3шт.

30

700-72-31310

COLLAR

SN: 2052-UP

3шт.

31

700-84-11310

PLATE

SN: 2052-UP

3шт.

32

700-84-11240

O-RING

SN: 2052-UP

6шт.

33

01252-30620

BOLT

SN: 2052-UP

6шт.

34

01602-00619

WASHER

SN: 2052-UP

6шт.

|35

700-70-51001

RELIEF VALVE ASS'Y

SN: 2052-UP

1шт.

35

0

SLEEVE

SN: 2052-UP

1шт.

36

700-13-31161

O-RING

SN: 2052-UP

1шт.

37

07000-03030

O-RING

SN: 2052-UP

1шт.

38

0

PLUG

SN: 2052-UP

1шт.

39

0

VALVE

SN: 2052-UP

1шт.

40

0

SPRING

SN: 2052-UP

1шт.

41

0

SEAT

SN: 2052-UP

1шт.

42

0

O-RING

SN: 2052-UP

1шт.

43

0

POPPET

SN: 2052-UP

1шт.

44

0

SPRING

SN: 2052-UP

1шт.

45

0

RETAINER

SN: 2052-UP

1шт.

46

0

HOLDER

SN: 2052-UP

1шт.

47

0

O-RING

SN: 2052-UP

1шт.

48

0

SCREW

SN: 2052-UP

1шт.

49

0

NUT

SN: 2052-UP

1шт.

50

0

COVER

SN: 2052-UP

1шт.

51

0

O-RING

SN: 2052-UP

1шт.

52

01252-31030

BOLT

SN: 2052-UP

2шт.

53

01602-01030

WASHER

SN: 2052-UP

2шт.

54

01010-30880

BOLT

SN: 2052-UP

3шт.

55

01580-00806

NUT

SN: 2052-UP

3шт.

56

01602-00825

WASHER

SN: 2052-UP

3шт.

Выбрано товаров: 58