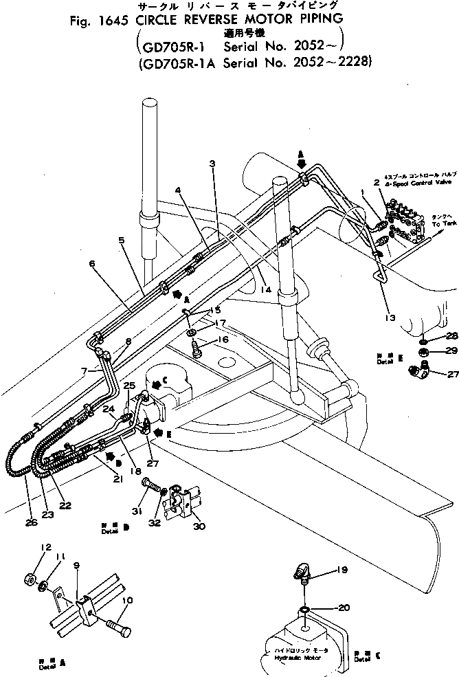
Запчасти Komatsu GD705R-1A КОЛЬЦЕВ.РЕВЕРС МОТОР ТРУБЫ(№-8) ГИДРАВЛИКА

Схема запчастей Komatsu GD705R-1A - КОЛЬЦЕВ.РЕВЕРС МОТОР ТРУБЫ(№-8) ГИДРАВЛИКА
FIT
1:1
100%

Артикул

Название

Примечание

Количество

1

07230-10422

UNION

SN: 2052-@

2шт.

2

07002-12034

O-RING (KIT)

SN: 2052-@

2шт.

3

234-870-9940

TUBE

SN: 2229-@

1шт.

|3

234-60-22473

TUBE

SN: 2052-2228

1шт.

4

234-870-9950

TUBE

SN: 2229-@

1шт.

|4

234-60-22483

TUBE

SN: 2052-2228

1шт.

5

234-60-22494

TUBE

SN: 2052-@

1шт.

6

234-60-22514

TUBE

SN: 2052-@

1шт.

7

234-60-22523

TUBE

SN: 2052-@

1шт.

8

234-60-22533

TUBE

SN: 2052-@

1шт.

9

232-60-14932

CLIP

SN: 2052-@

4шт.

10

01010-51045

BOLT

SN: 2052-@

4шт.

11

01602-21030

WASHER

SN: 2052-@

4шт.

12

01580-11008

NUT

SN: 2052-@

4шт.

13

234-870-9810

TUBE

SN: 2051-2051

1шт.

|13

234-60-22545

TUBE

SN: 2052-2228

1шт.

14

234-60-22553

TUBE

SN: 2052-@

1шт.

15

04434-01508

CLIP

SN: 2051-2051

3шт.

|15

04434-01508

CLIP

SN: 2052-2228

4шт.

16

01010-00816

BOLT

SN: 2051-2051

3шт.

|16

01010-00816

BOLT

SN: 2052-2228

4шт.

17

01602-00825

WASHER

SN: 2051-2051

3шт.

|17

01602-00825

WASHER

SN: 2052-2228

4шт.

18

234-60-14114

TUBE

SN: 2052-@

1шт.

19

232-60-14281

ELBOW

SN: 2052-@

1шт.

20

07002-12434

O-RING (KIT)

SN: 2052-@

1шт.

21

234-60-14126

TUBE

SN: 2210-@

1шт.

|21

234-60-14125

TUBE

SN: 2052-2209

1шт.

22

07108-20408

HOSE

SN: 2182-@

1шт.

|22

07109-20408

HOSE

SN: 2052-2181

1шт.

23

07108-20410

HOSE

SN: 2182-@

1шт.

|23

07109-20410

HOSE

SN: 2052-2181

1шт.

24

234-60-14133

TUBE

SN: 2052-@

1шт.

25

07213-51521

CONNECTOR

SN: 2052-@

1шт.

26

07100-20309

HOSE

SN: 2182-@

1шт.

|26

07101-20309

HOSE

SN: 2052-2181

1шт.

27

232-60-14281

ELBOW

SN: 2210-@

1шт.

|27

234-60-14181

ELBOW

SN: 2052-2209

1шт.

28

07002-12434

O-RING (KIT)

SN: 2210-@

1шт.

29

07239-12410

NUT

SN: 2052-2209

1шт.

30

232-60-14942

CLIP

SN: 2052-@

2шт.

31

01010-51045

BOLT

SN: 2052-@

1шт.

32

01602-21030

WASHER

SN: 2052-@

1шт.

Выбрано товаров: 43