Запчасти Komatsu GD705R-2 ГИДРАВЛ РЫЧАГ УПРАВЛ-Я(№-) ОПЦИОННЫЕ КОМПОНЕНТЫ

Схема запчастей Komatsu GD705R-2 - ГИДРАВЛ РЫЧАГ УПРАВЛ-Я(№-) ОПЦИОННЫЕ КОМПОНЕНТЫ
FIT
1:1
100%

Артикул

Название

Примечание

Количество

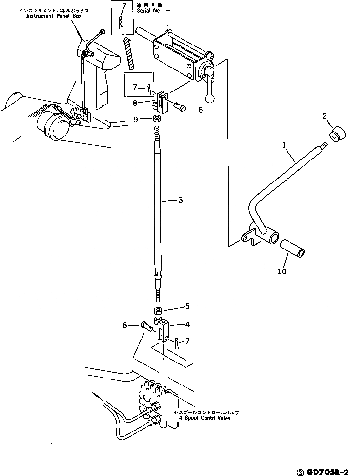
1

234-43-18162

LEVER

SN: 1001-1001

1шт.

|$1

234-43-18163

LEVER

SN: 1002-UP

1шт.

|$2

232-43-18170

BOLT

SN: 1001-UP

1шт.

2

237-43-00090

KNOB ASS'Y

SN: 1001-UP

1шт.

|$4

237-43-58490

KNOB ASSY

SN: 1001-UP

1шт.

|$5

237-43-17480

KNOB

SN: 1001-UP

1шт.

|$6

237-54-13270

PLATE, OPERATING

SN: 1001-UP

1шт.

|$7

237-785-1410

PLATE, OPERATING

SN: 1001-UP

1шт.

3

234-43-18251

ROD

SN: 1001-UP

1шт.

4

0

YOKE

SN: 1001-UP

1шт.

5

0

NUT

SN: 1001-UP

1шт.

6

04205-00822

PIN

SN: 1001-UP

2шт.

7

0

PIN

SN: 1001-UP

2шт.

7

04050-02012

PIN

SN: 1001-.

2шт.

8

0

YOKE

SN: 1001-UP

1шт.

9

01580-10806

NUT

SN: 1001-UP

1шт.

10

06600-00805

BUSHING

SN: 1002-.

1шт.

10

232-43-18250

BUSHING

SN: .-UP

1шт.

Выбрано товаров: 18