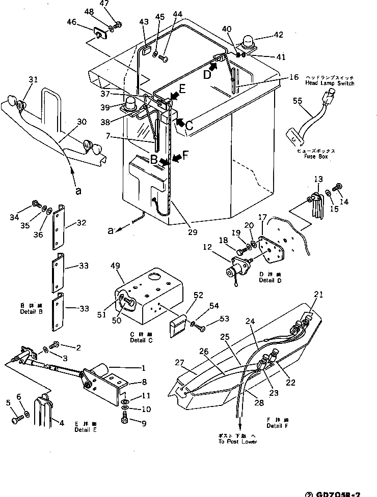
Запчасти Komatsu GD705R-2 СТАЛЬНАЯ КАБИНА ОПЦИОННЫЕ КОМПОНЕНТЫ

Схема запчастей Komatsu GD705R-2 - СТАЛЬНАЯ КАБИНА ОПЦИОННЫЕ КОМПОНЕНТЫ
FIT
1:1
100%

Артикул

Название

Примечание

Количество

|$0

234-855-0050

CAB ASS'Y

SN: 1001-UP

1шт.

1

234-855-2180

MOTOR

SN: 1001-UP

1шт.

2

0

SCREW

SN: 1001-UP

2шт.

3

01602-00619

WASHER

SN: 1001-UP

2шт.

4

08184-10500

ARM

SN: 1001-UP

1шт.

5

0

SCREW

SN: 1001-UP

1шт.

6

01601-00410

WASHER

SN: 1001-UP

1шт.

7

08185-00400

BLADE

SN: 1001-UP

1шт.

8

234-855-2290

BRACKET

SN: 1001-UP

1шт.

9

01010-31225

BOLT

SN: 1001-UP

2шт.

10

01602-01236

WASHER

SN: 1001-UP

2шт.

11

01643-31232

WASHER

SN: 1001-UP

2шт.

12

08181-02480

WIPER MOTOR ASS'Y

SN: 1001-UP

1шт.

13

08184-10450

ARM

SN: 1001-UP

1шт.

14

0

SCREW

SN: 1001-UP

1шт.

15

01601-00410

WASHER

SN: 1001-UP

1шт.

16

08185-00400

BLADE

SN: 1001-UP

1шт.

17

131-915-3360

PLATE

SN: 1001-UP

1шт.

18

01010-31025

BOLT

SN: 1001-UP

4шт.

19

01602-01030

WASHER

SN: 1001-UP

4шт.

20

01643-31032

WASHER

SN: 1001-UP

4шт.

21

08182-00000

SWITCH

SN: 1001-UP

2шт.

22

236-06-23370

SWITCH

SN: 1001-UP

1шт.

23

236-06-23360

SWITCH

SN: 1001-UP

1шт.

24

234-855-1712

HARNESS

SN: 1001-UP

1шт.

25

234-855-1722

CABLE

SN: 1001-UP

1шт.

26

234-855-1732

CABLE

SN: 1001-UP

1шт.

27

234-855-1750

CABLE

SN: 1001-UP

1шт.

28

234-855-2190

CABLE

SN: 1001-UP

1шт.

29

234-855-1743

WIRE HARNESS

SN: 1001-UP

1шт.

30

234-855-2110

CABLE

SN: 1001-UP

1шт.

31

08127-02400

LAMP

SN: 1001-UP

2шт.

32

234-855-1881

COVER

SN: 1001-UP

1шт.

33

234-855-1871

COVER

SN: 1001-UP

1шт.

34

0

SCREW

SN: 1001-UP

5шт.

35

01601-00513

WASHER

SN: 1001-UP

5шт.

36

01641-20508

WASHER

SN: 1001-UP

5шт.

37

08037-01008

GROMMET

SN: 1001-UP

2шт.

38

08037-01008

GROMMET

SN: 1001-UP

4шт.

39

232-806-5160

LAMP ASS'Y

SN: 1001-UP

1шт.

40

234-855-2260

GROMMET

SN: 1001-UP

1шт.

41

08037-01008

GROMMET

SN: 1001-UP

1шт.

42

232-806-5160

LAMP ASS'Y

SN: 1001-UP

1шт.

43

0

LAMP

SN: 1001-UP

1шт.

44

01370-00510

SCREW

SN: 1001-UP

2шт.

45

01611-00516

WASHER

SN: 1001-UP

2шт.

46

0

MIRROR

SN: 1001-UP

1шт.

47

0

SCREW

SN: 1001-UP

3шт.

48

01601-00513

WASHER

SN: 1001-UP

3шт.

49

234-855-2360

BOX

SN: 1001-UP

1шт.

50

0

BOLT

SN: 1001-UP

2шт.

51

01602-00825

WASHER

SN: 1001-UP

2шт.

52

0

ASHTRAY

SN: 1001-UP

1шт.

53

01370-00410

SCREW

SN: 1001-UP

3шт.

54

01611-04045

WASHER

SN: 1001-UP

3шт.

55

234-06-21580

CABLE

SN: .-UP

1шт.

Выбрано товаров: 56