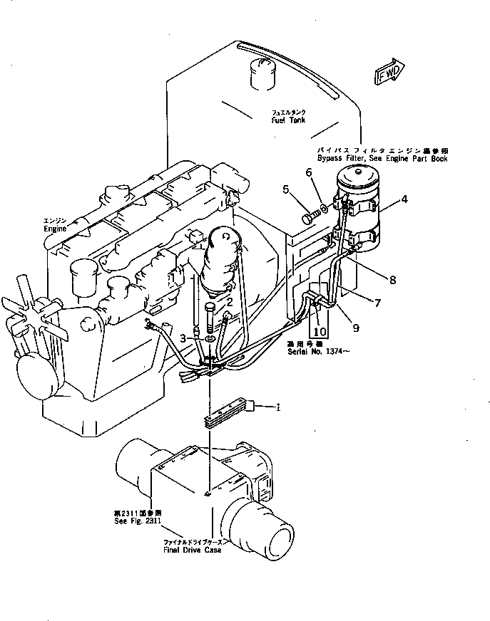
Запчасти Komatsu GD705R-2 КОМПОНЕНТЫ ДВИГАТЕЛЯ КОМПОНЕНТЫ ДВИГАТЕЛЯ И ЭЛЕКТРИКА

Схема запчастей Komatsu GD705R-2 - КОМПОНЕНТЫ ДВИГАТЕЛЯ КОМПОНЕНТЫ ДВИГАТЕЛЯ И ЭЛЕКТРИКА
FIT
1:1
100%

Артикул

Название

Примечание

Количество

1

234-21-05110

SHIM ASS'Y

SN: 1001-UP

2шт.

|$1

234-21-11150

SHIM, 0.1MM

SN: 1001-UP

5шт.

|$2

234-21-11160

SHIM, 0.2MM

SN: 1001-UP

2шт.

2

01010-31645

BOLT

SN: 1001-UP

8шт.

3

01602-01648

WASHER

SN: 1001-UP

8шт.

4

6684-51-5000

BYPASS FILTER A.

SN: 1001-UP

1шт.

5

01010-30816

BOLT

SN: 1001-UP

8шт.

6

01602-00825

WASHER

SN: 1001-UP

8шт.

7

6678-51-9910

HOSE

SN: 1001-UP

1шт.

8

6678-51-9920

HOSE

SN: 1001-UP

1шт.

9

08034-00834

BAND

SN: 1001-1001

4шт.

10

234-01-11220

CLIP

SN: 1374-UP

1шт.

Выбрано товаров: 12