Запчасти Komatsu GD705R-2 РУЛЕВ. УПРАВЛЕНИЕ СОЕД-Е СИСТЕМА УПРАВЛЕНИЯ

Схема запчастей Komatsu GD705R-2 - РУЛЕВ. УПРАВЛЕНИЕ СОЕД-Е СИСТЕМА УПРАВЛЕНИЯ
FIT
1:1
100%

Артикул

Название

Примечание

Количество

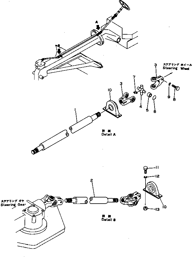
1

234-40-12822

SHAFT

SN: 1001-UP

1шт.

2

234-40-12833

SHAFT

SN: 1001-UP

1шт.

|$2

232-40-52800

JOINT ASS'Y

SN: 1001-UP

2шт.

3

0

YOKE

SN: 1001-UP

2шт.

4

232-40-52730

SPIDER

SN: 1001-UP

1шт.

5

232-40-52740

BEARING

SN: 1001-UP

4шт.

6

232-40-52750

RING

SN: 1001-UP

4шт.

7

232-40-52760

FITTING

SN: 1001-UP

1шт.

8

01050-31035

BOLT

SN: 1001-UP

4шт.

9

01602-01030

WASHER

SN: 1001-UP

4шт.

10

232-40-52600

BEARING UNIT

SN: 1001-UP

2шт.

11

01010-31025

BOLT

SN: 1001-UP

4шт.

12

01602-01030

WASHER

SN: 1001-UP

4шт.

13

01580-01008

NUT

SN: 1001-UP

4шт.

Выбрано товаров: 14