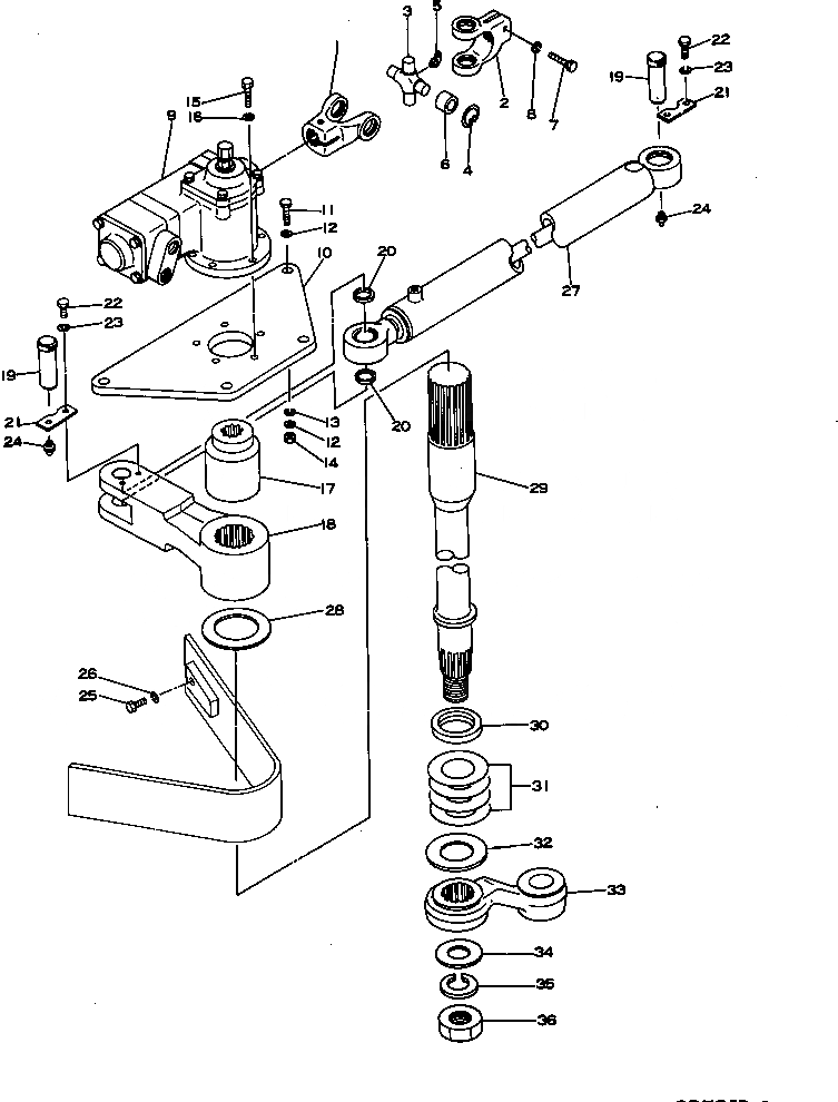
Запчасти Komatsu GD705R-2 РУЛЕВ. УПРАВЛЕНИЕ УСИЛИТЕЛЬ И СОЕДИНИТЕЛЬН. ЗВЕНОA СИСТЕМА УПРАВЛЕНИЯ

Схема запчастей Komatsu GD705R-2 - РУЛЕВ. УПРАВЛЕНИЕ УСИЛИТЕЛЬ И СОЕДИНИТЕЛЬН. ЗВЕНОA СИСТЕМА УПРАВЛЕНИЯ
FIT
1:1
100%

Артикул

Название

Примечание

Количество

|$0

232-40-52700

JOINT ASS'Y

SN: 1001-UP

1шт.

1

232-40-52710

YOKE

SN: 1001-UP

1шт.

2

0

YOKE

SN: 1001-UP

1шт.

3

232-40-52730

SPIDER

SN: 1001-UP

1шт.

4

232-40-52750

RING

SN: 1001-UP

4шт.

5

232-40-52760

FITTING

SN: 1001-UP

1шт.

6

232-40-52740

BEARING

SN: 1001-UP

4шт.

7

01050-51035

BOLT

SN: 1001-UP

1шт.

8

01602-21030

WASHER

SN: 1001-UP

1шт.

9

0

GEAR ASS'Y

SN: 1001-UP

1шт.

10

232-40-54160

PLATE

SN: 1001-UP

1шт.

11

0

BOLT

SN: 1001-UP

4шт.

12

01643-31645

WASHER

SN: 1001-UP

8шт.

13

01602-21648

WASHER

SN: 1001-UP

4шт.

14

01580-11613

NUT

SN: 1001-UP

4шт.

15

0

BOLT

SN: 1001-UP

5шт.

16

01602-21236

WASHER

SN: 1001-UP

5шт.

17

232-40-54120

JOINT

SN: 1001-UP

1шт.

18

234-40-14140

ARM

SN: 1001-UP

1шт.

19

232-40-54140

PIN

SN: 1001-UP

2шт.

20

232-40-54150

SPACER

SN: 1001-UP

4шт.

21

04082-00110

LOCK

SN: 1001-UP

2шт.

22

0

BOLT

SN: 1001-UP

4шт.

23

01602-21030

WASHER

SN: 1001-UP

4шт.

24

07020-00000

FITTING

SN: 1001-UP

2шт.

25

233-46-13182

BOLT

SN: 1001-UP

2шт.

26

01582-01815

NUT

SN: 1001-UP

2шт.

27

0

CYLINDER ASS'Y

SN: 1001-UP

1шт.

28

234-40-14170

SPACER

SN: 1001-UP

1шт.

29

234-40-14113

SHAFT

SN: 1001-UP

1шт.

30

234-40-14121

SPACER

SN: 1001-UP

1шт.

31

234-40-14160

SHIM

SN: 1001-UP

4шт.

32

234-40-14150

WASHER

SN: 1001-UP

1шт.

33

234-40-14133

ARM

SN: 1001-UP

1шт.

|$34

0

ARM

SN: 1001-1193

1шт.

34

234-40-14180

WASHER

SN: 1001-UP

1шт.

35

01601-03995

WASHER

SN: 1001-UP

1шт.

36

01580-03931

NUT

SN: 1001-UP

1шт.

Выбрано товаров: 38