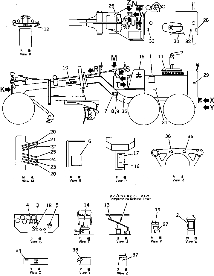
Запчасти Komatsu GD705R-2 МАРКИРОВКА ПОРТУГАЛ. РАМА И ЧАСТИ КОРПУСА

Схема запчастей Komatsu GD705R-2 - МАРКИРОВКА ПОРТУГАЛ. РАМА И ЧАСТИ КОРПУСА
FIT
1:1
100%

Артикул

Название

Примечание

Количество

1

234-54-14610

CHART (W)

SN: 1001-UP

1шт.

2

232-53-71630

(W)

SN: 1001-UP

1шт.

3

232-53-71410

PLATE (W)

SN: 1001-UP

1шт.

4

232-53-71420

(W)

SN: 1001-UP

1шт.

5

09683-71150

PLATE, OPERATING (W)

SN: 1001-UP

1шт.

6

234-54-14650

(W)

SN: 1001-UP

1шт.

7

09602-71643

PLATE, NAME (W)

SN: 1001-UP

1шт.

8

01220-40406

SCREW (W)

SN: 1001-UP

4шт.

8

01220-40412

SCREW (W)

SN: 1001-1001

4шт.

8

01220-40408

SCREW (W)

SN: 1002-.

4шт.

9

01601-20410

WASHER (W)

SN: 1001-UP

4шт.

10

0

PLATE, MARK (W)

SN: 1001-UP

2шт.

11

0

PLATE, MARK (W)

SN: 1001-UP

2шт.

12

0

PLATE, MARK (W)

SN: 1001-UP

1шт.

13

234-54-14630

(W)

SN: 1001-UP

1шт.

14

234-54-14620

(W)

SN: 1001-UP

1шт.

15

234-54-14251

PLATE, OPERATING (W)

SN: 1001-1193

2шт.

15

09691-A1705

PLATE, MARK (W)

SN: 1194-UP

2шт.

16

232-53-71180

PLATE (W)

SN: 1001-UP

1шт.

17

234-54-14640

(W)

SN: 1001-UP

1шт.

18

233-53-17160

PLATE (W)

SN: 1001-UP

1шт.

19

232-53-71130

PLATE (W)

SN: 1001-UP

1шт.

20

237-54-13210

PLATE, OPERATING (W)

SN: 1001-UP

2шт.

21

237-51-13220

PLATE (W)

SN: 1001-UP

1шт.

22

237-54-13230

PLATE, OPERATING (W)

SN: 1001-UP

1шт.

23

237-54-13270

PLATE, OPERATING (W)

SN: 1001-UP

1шт.

24

237-54-13250

PLATE, OPERATING (W)

SN: 1001-UP

1шт.

25

232-43-18290

PLATE, OPERATING (W)

SN: 1001-UP

1шт.

26

09651-17000

PLATE, SAFETY (W)

SN: 1001-UP

1шт.

27

09164-17000

PLATE (W)

SN: 1001-UP

1шт.

28

09668-17000

PLATE, SAFETY (W)

SN: 1001-UP

1шт.

29

09667-17000

PLATE, SAFETY (W)

SN: 1001-UP

1шт.

30

09653-17000

PLATE, SAFETY (W)

SN: 1001-UP

1шт.

31

09652-71100

PLATE, CAUTION (W)

SN: 1001-UP

1шт.

32

09650-70100

PLATE, INSTRUCTION (W)

SN: 1001-UP

1шт.

33

09101-17000

PLATE, INSTRUCTION (W)

SN: 1001-UP

1шт.

34

09152-17000

PLATE, SAFETY (W)

SN: 1001-UP

1шт.

35

234-902-7520

PLATE (W)

SN: 1001-UP

2шт.

36

09960-11084

PLATE, MARK (W)

SN: 1001-UP

4шт.

37

232-53-71810

PLATE, OPERATING (W)

SN: 1001-UP

1шт.

Выбрано товаров: 40