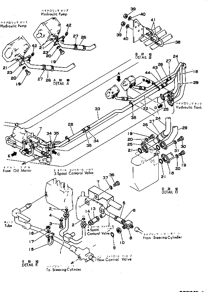
Запчасти Komatsu GD705R-2 НИЗ. PRESSURE ТРУБЫ ГИДРАВЛИКА

Схема запчастей Komatsu GD705R-2 - НИЗ. PRESSURE ТРУБЫ ГИДРАВЛИКА
FIT
1:1
100%

Артикул

Название

Примечание

Количество

1

234-60-21171

TUBE

SN: 1001-UP

1шт.

1

234-979-6550

TUBE (OP)

SN: 1001-UP

1шт.

2

07000-13030

O-RING (KIT)

SN: 1001-UP

2шт.

3

01010-31040

BOLT

SN: 1001-UP

4шт.

4

01602-01030

WASHER

SN: 1001-UP

4шт.

5

234-60-21240

HOSE

SN: 1001-UP

1шт.

5

07260-22609

HOSE

SN: 1001-12633

1шт.

6

07281-00419

CLAMP

SN: 1001-12633

2шт.

6

07281-00419

CLAMP

SN: 12634-UP

8шт.

7

234-60-21183

TUBE

SN: 1001-UP

1шт.

7

0

TUBE

SN: 1001-12633

1шт.

8

234-60-15270

TUBE

SN: 1001-UP

1шт.

9

07002-12434

O-RING (KIT)

SN: 1001-UP

1шт.

10

07239-12410

NUT

SN: 1001-UP

1шт.

13

234-60-21230

HOSE

SN: 1001-UP

1шт.

13

07260-22609

HOSE

SN: 1001-12633

1шт.

14

07281-00419

CLAMP

SN: 1001-12633

2шт.

14

07281-00419

CLAMP

SN: 12634-UP

4шт.

15

0

CLIP

SN: 1001-UP

1шт.

16

01599-01011

NUT

SN: 1001-UP

2шт.

17

0

WASHER

SN: 1001-UP

2шт.

18

234-60-15341

TUBE

SN: 1001-UP

1шт.

19

01010-31035

BOLT

SN: 1001-UP

12шт.

20

01602-01030

WASHER

SN: 1001-UP

12шт.

21

07000-13042

O-RING (KIT)

SN: 1001-UP

4шт.

22

234-60-15352

TUBE

SN: 1001-UP

1шт.

22

234-60-15351

TUBE

SN: 1001-12633

1шт.

23

234-60-15361

TUBE

SN: 1001-UP

2шт.

23

234-60-15360

TUBE

SN: 1001-12633

2шт.

24

234-60-15392

TUBE

SN: 1001-UP

1шт.

24

234-60-15391

TUBE

SN: 1001-12633

1шт.

25

234-60-15380

TUBE

SN: 1001-UP

1шт.

26

0

HOSE

SN: 1001-UP

4шт.

26

07260-23210

HOSE

SN: 1001-12633

4шт.

27

07281-00489

CLAMP

SN: 1001-12633

8шт.

27

07281-00489

CLAMP

SN: 12634-UP

16шт.

28

234-801-1291

TUBE

SN: 1001-UP

1шт.

28

0

TUBE

SN: 1001-12633

1шт.

29

234-60-15313

TUBE

SN: 1001-UP

1шт.

29

234-60-15312

TUBE

SN: 1001-12633

1шт.

30

01010-31035

BOLT

SN: 1001-UP

2шт.

31

01602-01030

WASHER

SN: 1001-UP

2шт.

32

07000-13045

O-RING (KIT)

SN: 1001-UP

1шт.

33

234-60-15322

TUBE

SN: 1001-UP

1шт.

33

0

TUBE

SN: 1001-12633

1шт.

34

07260-24120

HOSE

SN: 1001-UP

2шт.

34

07260-24113

HOSE

SN: 1001-12633

2шт.

35

07281-00609

CLAMP

SN: 1001-12633

4шт.

35

07281-00609

CLAMP

SN: 12634-UP

8шт.

36

01010-31016

BOLT

SN: 1001-UP

3шт.

37

01602-01030

WASHER

SN: 1001-UP

3шт.

38

0

CLIP

SN: 1001-UP

3шт.

39

01599-01011

NUT

SN: 1001-UP

10шт.

40

0

WASHER

SN: 1001-UP

10шт.

41

0

CLIP

SN: 1001-UP

2шт.

42

07042-20108

PLUG

SN: 1001-UP

2шт.

43

07260-24120

HOSE

SN: 1001-UP

1шт.

43

07260-24111

HOSE

SN: 1001-12633

1шт.

44

07281-00609

CLAMP

SN: 1001-12633

2шт.

44

07281-00609

CLAMP

SN: 12634-UP

4шт.

Выбрано товаров: 60