Запчасти Komatsu GD725A-1 ГИДРАВЛ УПРАВЛЯЮЩ. КЛАПАН (-СЕКЦ.) (ДЛЯ ЗУБЧ. МУФТА КОЛЬЦЕВ. РЕВЕРСА) ГИДРАВЛИКА

Схема запчастей Komatsu GD725A-1 - ГИДРАВЛ УПРАВЛЯЮЩ. КЛАПАН (-СЕКЦ.) (ДЛЯ ЗУБЧ. МУФТА КОЛЬЦЕВ. РЕВЕРСА) ГИДРАВЛИКА
FIT
1:1
100%

Артикул

Название

Примечание

Количество

|$0

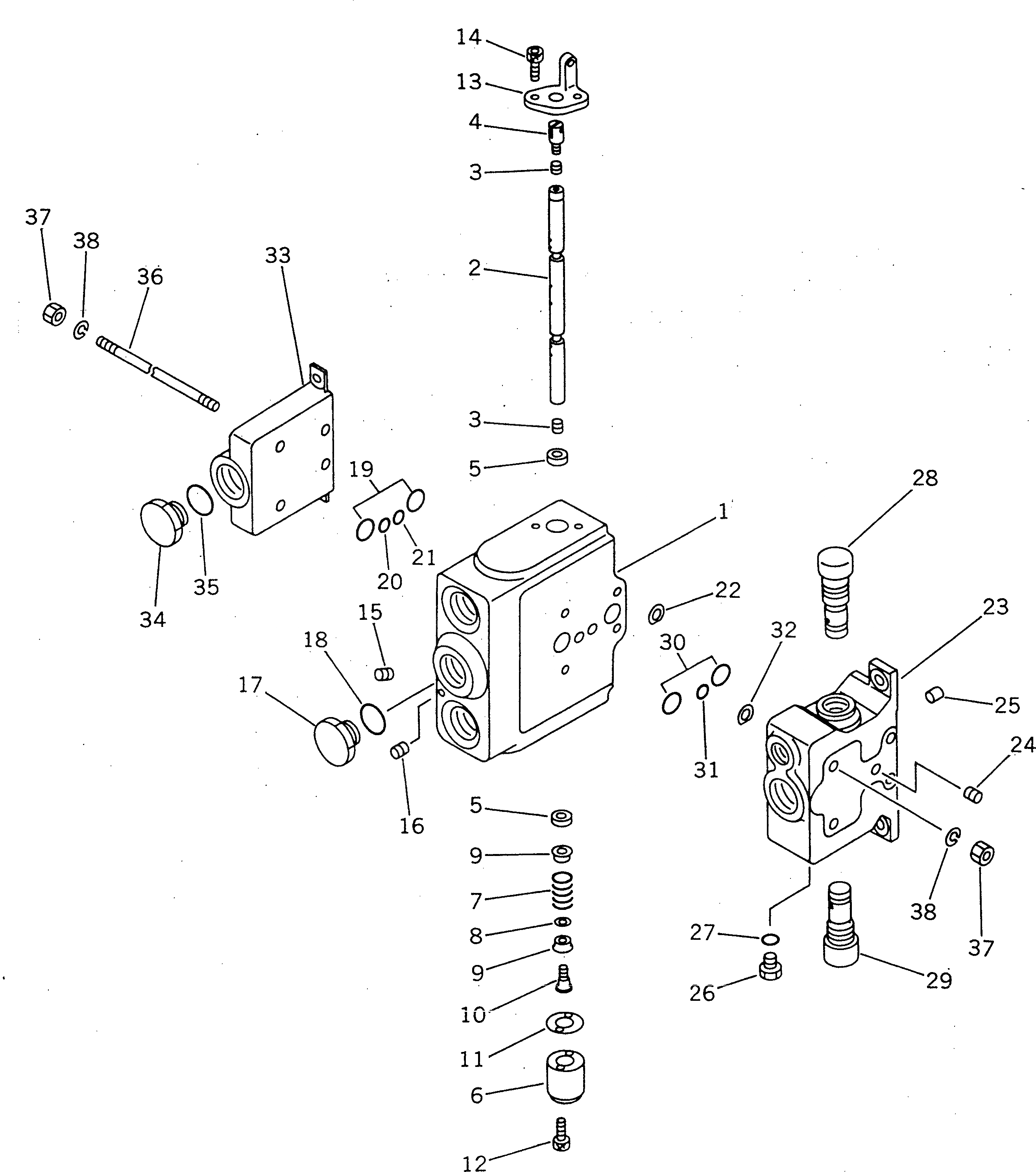
23C-60-12700

CONTROL VALVE ASS'Y

SN: 50001-UP

1шт.

|$1

23C-60-13310

SPOOL SECTION ASS'Y

SN: 50001-UP

1шт.

1

0

BODY

SN: 50001-UP

1шт.

2

0

SPOOL

SN: 50001-UP

1шт.

3

23C-60-12260

PLUG

SN: 50001-UP

2шт.

4

23C-60-12140

HEAD,SPOOL

SN: 50001-UP

1шт.

5

23C-60-12330

PACKING

SN: 50001-UP

2шт.

6

23C-60-12150

COVER

SN: 50001-UP

1шт.

7

23C-60-12220

SPRING

SN: 50001-UP

1шт.

8

23C-60-12190

COLLAR

SN: 50001-UP

1шт.

9

23C-60-12180

SEAT,SPRING

SN: 50001-UP

2шт.

10

23C-60-12170

END

SN: 50001-UP

1шт.

11

23C-60-12160

PLATE

SN: 50001-UP

1шт.

12

23C-60-12250

BOLT

SN: 50001-UP

2шт.

13

23C-60-12210

BRACKET

SN: 50001-UP

1шт.

14

23C-60-12240

BOLT

SN: 50001-UP

2шт.

15

23C-60-12280

SCREW

SN: 50001-UP

1шт.

16

23C-60-12270

EXPANDER

SN: 50001-UP

2шт.

17

23C-60-12230

PLUG

SN: 50001-UP

1шт.

18

23C-60-12310

O-RING

SN: 50001-UP

1шт.

19

23C-60-12320

O-RING

SN: 50001-UP

2шт.

20

23C-60-12350

O-RING

SN: 50001-UP

1шт.

21

23C-60-12290

O-RING

SN: 50001-UP

1шт.

22

23C-60-12340

SHIM

SN: 50001-UP

4шт.

|$24

23C-60-12360

COVER ASS'Y,FRONT

SN: 50001-UP

1шт.

23

0

BODY

SN: 50001-UP

1шт.

24

23C-60-12260

PLUG

SN: 50001-UP

1шт.

25

23C-60-12270

EXPANDER

SN: 50001-UP

2шт.

26

23C-60-12410

PLUG

SN: 50001-UP

2шт.

27

23C-60-12420

O-RING

SN: 50001-UP

2шт.

28

23C-60-12380

VALVE ASS'Y,RELIEF

SN: 50001-UP

1шт.

29

23C-60-12390

VALVE ASS'Y,RELIEF

SN: 50001-UP

1шт.

30

23C-60-12320

O-RING

SN: 50001-UP

2шт.

31

23C-60-12350

O-RING

SN: 50001-UP

1шт.

32

23C-60-12340

SHIM

SN: 50001-UP

4шт.

33

23C-60-12440

COVER,END

SN: 50001-UP

1шт.

34

23C-60-12450

PLUG

SN: 50001-UP

1шт.

35

23C-60-12460

O-RING

SN: 50001-UP

1шт.

36

23C-60-12470

STUD

SN: 50001-UP

4шт.

37

23C-60-12480

NUT

SN: 50001-UP

8шт.

38

23C-60-12490

WASHER,SPRING

SN: 50001-UP

8шт.

Выбрано товаров: 41