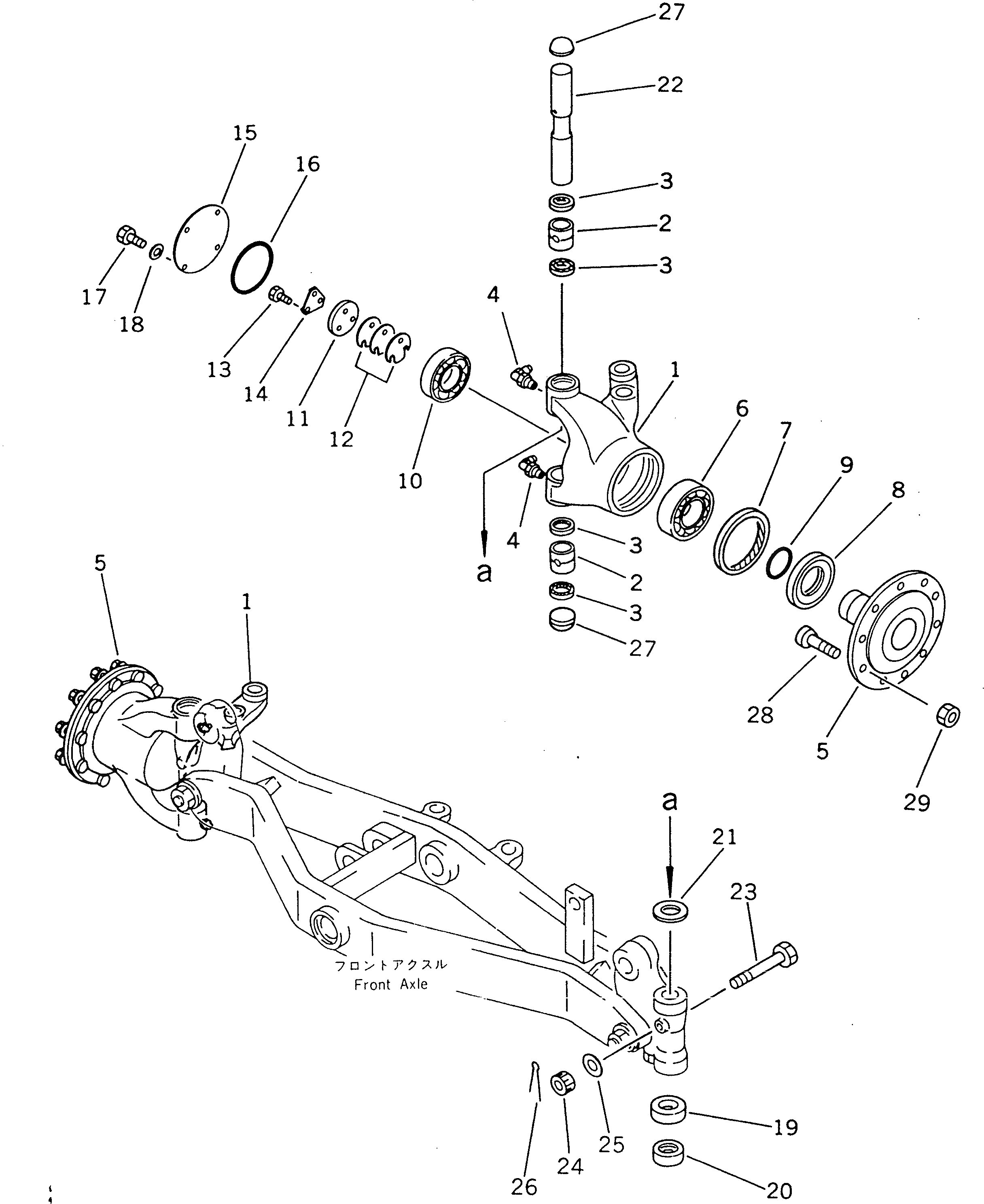
Запчасти Komatsu GD725A-1 ПЕРЕДНИЙ МОСТ (/) СИЛОВАЯ ПЕРЕДАЧА

Схема запчастей Komatsu GD725A-1 - ПЕРЕДНИЙ МОСТ (/) СИЛОВАЯ ПЕРЕДАЧА
FIT
1:1
100%

Артикул

Название

Примечание

Количество

|$0

23C-27-00030

HOUSING ASS'Y,L.H.

SN: 50001-UP

1шт.

|$1

23C-27-00040

HOUSING ASS'Y,R.H.

SN: 50001-UP

1шт.

1

0

HOUSING,L.H.

SN: 50001-UP

1шт.

1

0

HOUSING,R.H.

SN: 50001-UP

1шт.

2

07144-10505

BUSHING

SN: 50001-UP

2шт.

3

07145-00050

SEAL,DUST

SN: 50001-UP

8шт.

4

07020-00900

FITTING,GREASE

SN: 50001-UP

4шт.

5

23C-27-11130

SHAFT,HUB

SN: 50001-UP

2шт.

6

06002-32219

BEARING

SN: 50001-UP

2шт.

7

238-25-16360

SEAL,OIL

SN: 50001-UP

2шт.

8

23C-27-11170

SPACER

SN: 50001-UP

2шт.

9

07000-12095

O-RING

SN: 50001-UP

2шт.

10

06002-32218

BEARING

SN: 50001-UP

2шт.

11

235-25-11430

HOLDER

SN: 50001-UP

2шт.

12

23B-27-00070

SHIM ASS'Y

SN: 50001-UP

2шт.

12

0

SHIM, 0.1MM

SN: 50001-UP

3шт.

12

0

SHIM, 0.3MM

SN: 50001-UP

1шт.

12

0

SHIM, 0.5MM

SN: 50001-UP

1шт.

13

01010-51640

BOLT

SN: 50001-UP

6шт.

14

235-25-11440

LOCK

SN: 50001-UP

2шт.

15

23C-27-11180

CAP

SN: 50001-UP

2шт.

16

234-23-12570

O-RING

SN: 50001-UP

2шт.

17

01010-51020

BOLT

SN: 50001-UP

8шт.

18

01643-31032

WASHER

SN: 50001-UP

8шт.

19

234-27-31260

COVER

SN: 50001-UP

2шт.

20

234-27-31270

BEARING

SN: 50001-UP

2шт.

21

23C-27-11260

SPACER

SN: 50001-UP

2шт.

22

23C-27-11250

PIN,KING

SN: 50001-UP

2шт.

23

01093-51205

BOLT

SN: 50001-UP

2шт.

24

01593-11210

NUT

SN: 50001-UP

2шт.

25

01643-31232

WASHER

SN: 50001-UP

2шт.

26

04050-13020

PIN,COTTER

SN: 50001-UP

2шт.

27

235-27-11670

PLUG

SN: 50001-UP

4шт.

28

238-25-16350

BOLT

SN: 50001-UP

20шт.

29

234-23-13210

NUT

SN: 50001-UP

20шт.

Выбрано товаров: 35