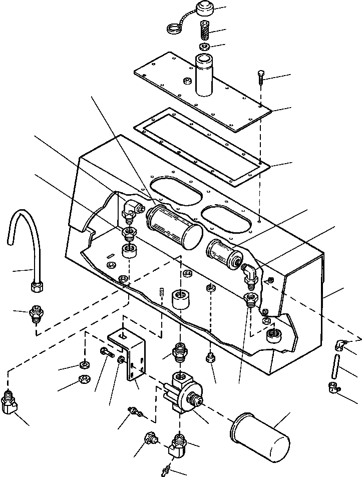
Запчасти Komatsu GD750A-1 ГИДРАВЛ МАСЛ. БАК ГИДРАВЛS

Схема запчастей Komatsu GD750A-1 - ГИДРАВЛ МАСЛ. БАК ГИДРАВЛS
7
9
8
11
2
6
3
10
22
4
5
23
1
24
12
25
27
13
31
14
26
30
28
12
15
29
16
21
17
19
20
18
FIT
1:1
100%

Артикул

Название

Примечание

Количество

1

1435 450 H93

TANK, HYDRAULIC OIL

1шт.

2

141 062

STRAINER, SUCTION

1шт.

3

218 202

ELBOW

1шт.

4

112 455

STRAINER, TANK

1шт.

5

111 001 L

ELBOW

1шт.

6

1437 097 H92

COVER, HYDRAULIC TANK

1шт.

7

1430 892 H91

CAP, FILL - ASSEMBLY

1шт.

8

1430 891 H1

RING, RETAINER

1шт.

9

1430 890 H1

FILTER

1шт.

10

142 223

GASKET, HYDRAULIC TANK COVER

1шт.

11

1431 126 H1

SCREW

14шт.

12

1430 861 H1

FITTING, COMPRESSION

2шт.

13

1430 864 H1

TUBING, OIL GAUGE

1шт.

14

216 341

BUSHING

1шт.

15

FILTER, HYDRAULIC OIL (SEE PG 10-066)

-29шт.

16

BASE ASSEMBLY, FILTER (SEE PG 10-066)

-29шт.

17

SWITCH, KIT (SEE PG 10-066)

-29шт.

18

1436 215 H1

FITTING, ELBOW

1шт.

19

9411 104

ELBOW

1шт.

20

9403 370

CAP

1шт.

21

WB 0152

ELBOW

1шт.

22

219 357

BUSHING

1шт.

23

1436 214 H91

TUBE, OIL RETURN

1шт.

24

9410 208

CONNECTOR

1шт.

25

121 546

UNION

1шт.

26

01580-11210

NUT

1шт.

27

01643-31232

WASHER

9шт.

28

25 493 R1

BOLT

4шт.

29

25 543 R1

WASHER

4шт.

30

1436 216 H1

BRACKET, OIL FILTER

1шт.

31

9410 359

PLUG

1шт.

Выбрано товаров: 31