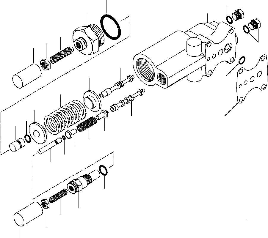
Запчасти Komatsu GD750A-1 ГИДРАВЛИКА НАСОС COMPENSATOR ГИДРАВЛS

Схема запчастей Komatsu GD750A-1 - ГИДРАВЛИКА НАСОС COMPENSATOR ГИДРАВЛS
6
4
14
1
15
16
17
9
10
11
2
12
11
5
3
18
13
19
20
21
7
22
8
23
24
25
17
FIT
1:1
100%

Артикул

Название

Примечание

Количество

|$0

1439 604 H91

COMPENSATOR ASSEMBLY

1шт.

1

NSS

HOUSING, COMPENSATOR

1шт.

|$2

1438 879 H91

KIT, COMPENSATOR SEAL

1шт.

2

887 624 C1

O-RING

1шт.

3

149 762

GASKET, COMPENSATOR

1шт.

4

369 751 R1

O-RING

1шт.

5

615 002 C1

O-RING

1шт.

6

379 794 R1

O-RING

1шт.

7

NSS

O-RING

1шт.

8

364 839 R1

O-RING

1шт.

9

9403 330

PLUG

2шт.

|$11

369 751 R1

O-RING

1шт.

10

NSS

SPOOL, PRESSURE

1шт.

11

NSS

CAP, SPRING PIVOT

2шт.

12

NSS

SPRING

1шт.

13

NSS

ROD, PRESSURE

1шт.

14

NSS

CAP, FLOW ADJUSTMENT

1шт.

15

NSS

SCREW, SET

1шт.

16

NSS

NUT, JAM

1шт.

17

1434 939 H1

COVER, TAMPER PROOF

2шт.

18

NSS

SPOOL, FLOW

2шт.

19

NSS

PIVOT, SPRING

2шт.

20

NSS

SPRING

1шт.

21

NSS

PIVOT, SPRING

1шт.

22

NSS

ROD, PRESSURE

1шт.

23

NSS

CAP, FLOW ADJUSTMENT

1шт.

24

NSS

NUT, JAM

1шт.

25

NSS

SCREW, SET

1шт.

Выбрано товаров: 0