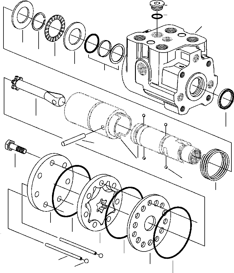
Запчасти Komatsu GD750A-1 РУЛЕВ. УПРАВЛЕНИЕ БЛОК ГИДРАВЛS

Схема запчастей Komatsu GD750A-1 - РУЛЕВ. УПРАВЛЕНИЕ БЛОК ГИДРАВЛS
17
18
7
13
16
12
13
14
6
15
10
8
1
9
11
2
3
4
3
20
5
19
3
FIT
1:1
100%

Артикул

Название

Примечание

Количество

|$0

1435 465 H92

UNIT, STEERING

1шт.

1

30 005 R1

BOLT

7шт.

2

1439 730 H1

CAP, END

1шт.

3

NSS

O-RING

3шт.

4

1439 732 H91

GEROTOR

1шт.

5

1439 733 H1

PLATE, SPACER

1шт.

6

1439 734 H1

DRIVE

1шт.

7

NSS

HOUSING

1шт.

8

NSS

SPOOL & SLEEVE

1шт.

9

17 003 R1

BALL, CHECK

4шт.

10

1439 735 H1

PIN

1шт.

11

1439 736 H1

SPRING, CENTERING

1шт.

12

1439 737 H1

BEARING, NEEDLE THRUST

1шт.

13

1439 738 H1

RACE, BEARING

2шт.

14

NSS

SEAL, 3 PIECE

1шт.

15

1439 739 H1

SEAL, DUST

1шт.

16

1439 848 H1

RING, RETAINING

1шт.

17

1439 849 H1

PLUG

1шт.

18

570 828 R1

O-RING

1шт.

19

17 006 R1

BALL, CHECK

2шт.

20

1439 740 H91

PIN, ROLL

2шт.

|$24

-1шт.

|$22

F1 - INCLUDED IN THE FOLLOWING:

-1шт.

|$23

1439 731 H91

KIT, SEAL

1шт.

Выбрано товаров: 24