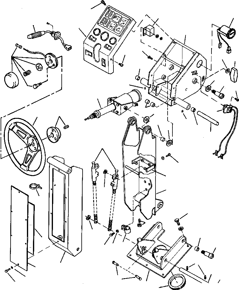
Запчасти Komatsu GD750A-1 РУЛЕВ. УПРАВЛЕНИЕ КОНСОЛЬ РУЛЕВ. УПРАВЛЕНИЕ

Схема запчастей Komatsu GD750A-1 - РУЛЕВ. УПРАВЛЕНИЕ КОНСОЛЬ РУЛЕВ. УПРАВЛЕНИЕ
1
9
8
18
2
4
7
3
20
10
11
16
15
14
6
30
12
34
17
16
13
20
15
19
6
16
15
16
5
26
29
28
27
24
35
27
16
39
33
31
21
40
6
25
22
36
27
32
21
38
23
37
FIT
1:1
100%

Артикул

Название

Примечание

Количество

|$0

1435 228 H91

CONSOLE ASSEMBLY, STEERING

1шт.

1

SCREW (SEE PG 11-002)

-29шт.

2

PANEL, STRG CONSOLE INSTRUMENT (SEE PG 11-002)

-29шт.

3

SCREW (SEE PG 11-002)

-29шт.

4

1435 467 H92

HEAD WELDMENT, CONSOLE

1шт.

5

1432 477 H1

SHAFT, UPPER

1шт.

6

192 450

SCREW, SET

4шт.

7

01010-80816

BOLT

1шт.

|$8

01643-30823

WASHER

1шт.

|$9

01580-10806

NUT, HEX

1шт.

8

1436 533 H1

FLASHER, TURN SIGNAL

1шт.

|$11

27 694 R1

CLAMP

1шт.

9

1220 651 H2

METER, HOUR

1шт.

10

1437 608 H1

SPACER

1шт.

11

1253 048 H1

KNOB, UTILITY

1шт.

12

23 979 R1

SCREW, FLAT HEAD

2шт.

13

1253 211 H91

CONTROL, LOCK

1шт.

14

1253 043 H1

BOLT, SHOULDER

2шт.

15

1253 026 H2

WASHER, NYLON BEARING

18шт.

16

120 437 H45

BEARING

10шт.

17

CONTROL ASSEMBLY, STEERING (SEE PG 05-012)

-29шт.

18

1436 242 H91

LEVER, TURN SIGNAL

1шт.

|$22

30 278 R1

SCREW, PAN HEAD

2шт.

|$23

1437 611 H91

WHEEL, STEERING ASSEMBLY

1шт.

19

1439 114 H1

WHEEL, STEERING

1шт.

20

1439 113 H91

MOUNTING KIT

1шт.

21

01643-30623

WASHER, FLAT

2шт.

22

1281 488 H1

COVER, CONSOLE

1шт.

23

01010-80620

BOLT

6шт.

24

158 663

STRAP, TIE

10шт.

25

1435 968 H91

CHANNEL WELDMENT, REAR

1шт.

26

1253 047 H91

LOCK, CONSOLE

2шт.

27

104 977 R1

RING, RETAINING

4шт.

28

1435 970 H92

CHANNEL WELDMENT, FRONT

1шт.

29

1281 471 H92

BRACKET, LOCK MOUNTING

1шт.

30

20 617 R1

BOLT

2шт.

|$36

25 708 R1

WASHER, FLAT

2шт.

31

1435 994 H1

BOLT, SHOULDER

2шт.

32

1260 527 H1

PIN, LOCK MOUNT

2шт.

33

27 291 R1

CLAMP, CABLE

2шт.

34

01010-80840

SCREW, HEX SOCKET

2шт.

|$41

01580-10806

NUT, HEX

2шт.

35

01010-81025

BOLT

5шт.

|$43

01643-31032

WASHER, FLAT

5шт.

36

1435 991 H1

SHAFT, LOWER

1шт.

|$45

01010-80820

BOLT

2шт.

|$46

25 724 R1

WASHER

2шт.

|$47

1253 026 H2

WASHER, NYLON BEARING

-2шт.

37

1253 214 H1

GROMMET, BASE

1шт.

38

1435 466 H91

BASE WELDMENT

1шт.

39

1432 672 H1

PAD, HOSE

1шт.

40

01010-80620

BOLT

2шт.

|$52

104 696

ADHESIVE - 1 QUART CAN

-2шт.

|$64

-1шт.

|$54

-1шт.

|$65

-1шт.

|$56

F1 - INDIVIDUAL PARTS OF THE MOUNTING KIT

-1шт.

|$57

P/N 1439 113 H91 -- CAP, SPRING, NUT, BOLTS, PLATE,

-1шт.

|$58

ADAPTOR HUB AND KEY -- CANNOT BE PURCHASED SEPARATELY.

-1шт.

|$66

-1шт.

|$60

F2 - USE WASHERS, AS NEEDED, BETWEEN THE BASE AND THE

-1шт.

|$61

CONSOLE TO ELIMINATE SIDE-TO-SIDE MOVEMENT. ALSO, USE

-1шт.

|$62

WASHERS BETWEEN THE BASE AND THE END WASHERS TO

-1шт.

|$63

ELIMINATE ANY GAPS.

-1шт.

Выбрано товаров: 64