Запчасти Komatsu GD750A-1 КЛАПАН SECTION ЛЕВ. СЦЕПНОЕ УСТРОЙСТВО LIFT ГИДРАВЛS

Схема запчастей Komatsu GD750A-1 - КЛАПАН SECTION ЛЕВ. СЦЕПНОЕ УСТРОЙСТВО LIFT ГИДРАВЛS
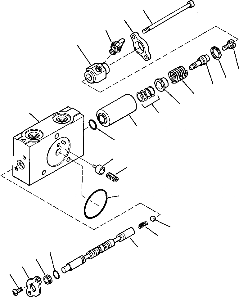
1
2
4
3
5
6
8
7
9
22
21
12
23
18
19
17
10
11
13
20
14
15
16
FIT
1:1
100%

Артикул

Название

Примечание

Количество

|$0

1439 721 H91

VALVE SECTION

1шт.

1

1439 709 H1

BOLT, SOCKETHEAD

2шт.

2

1439 707 H1

PLATE, SEAL

1шт.

3

1439 712 H1

CAP, SPOOL

1шт.

4

1439 708 H1

SWITCH

1шт.

5

1439 715 H1

PLUG, SPECIAL

1шт.

6

1437 223 H1

WASHER

1шт.

7

1260 292 H1

SPRING

1шт.

8

1439 714 H1

SPOOL, END

1шт.

9

1431 098 H1

SEAT, SPRING

1шт.

10

VJ 1974

BALL

1шт.

11

890 613 C1

SPRING

1шт.

12

1439 713 H1

SLEEVE, DETENT

1шт.

13

1431 203 H1

O-RING

2шт.

14

890 614 C1

WIPER

1шт.

15

890 605 C1

PLATE

1шт.

16

160 508

SCREW

2шт.

17

293 726 R1

O-RING

1шт.

18

1437 219 H1

PISTON, COMPENSATOR

1шт.

19

1431 201 H1

SPRING

1шт.

20

NSS

VALVE, SPOOL - NO ID GROOVES

1шт.

21

23 402 R1

WASHER

4шт.

22

NSS

BODY, VALVE

1шт.

23

60 113

O-RING

1шт.

Выбрано товаров: 24