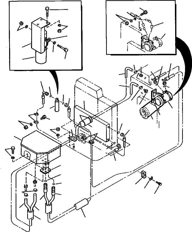
Запчасти Komatsu GD750A-1 КОНДИЦ. ВОЗДУХА ЛИНИИ SUPERSTRUCTURE

Схема запчастей Komatsu GD750A-1 - КОНДИЦ. ВОЗДУХА ЛИНИИ SUPERSTRUCTURE
14
12
16
15
17
13
22
31
25
33
24
31
32
35
30
10
27
9
26
39
28
29
40
36
38
37
23
10
11
32
22
7
16
34
15
14
27
4
26
8
5
6
1
3
29
28
2
38
36
19
21
10
35
20
37
40
39
18
8
FIT
1:1
100%

Артикул

Название

Примечание

Количество

|$0

1439 822 H91

HEATER AND AIR CONDITIONER

1шт.

1

1439 825 H91

A/C HEATER BOX

1шт.

2

1434 481 H1

GASKET, FLOOR

1шт.

3

01010-80830

BOLT

7шт.

|$4

01643-30823

WASHER

7шт.

4

651 569 C1

CLAMP, HOSE

1шт.

5

01580-11008

NUT

1шт.

|$7

01643-31032

WASHER

1шт.

6

98 272

GROMMET

2шт.

7

306 132 C2

STRAPS, TIE

4шт.

8

1431 377 H1

SLEEVE

-2шт.

9

864 440 R1

ADAPTER

1шт.

10

27 861 R1

CLAMP, HOSE

4шт.

11

899 720 R1

ELBOW - 90°

1шт.

12

01010-81025

BOLT

3шт.

13

01643-31032

WASHER

3шт.

|$16

01580-11008

NUT

3шт.

14

01010-81020

BOLT

3шт.

15

01643-31032

WASHER

3шт.

16

299 565 C1

CLAMP

3шт.

17

1437 616 H1

DIODE ASSEMBLY

1шт.

18

1431 377 H1

SLEEVE

1шт.

19

1439 149 H1

CLAMP

1шт.

20

1439 127 H1

STACKING BOLT

1шт.

21

1439 125 H1

SAFETY PLATE

1шт.

22

COMPRESSOR (SEE PG 13-086)

-29шт.

|$26

1439 829 H91

AIR CONDITIONER KIT

1шт.

|$27

1439 828 H91

CONDENSER KIT

1шт.

23

1431 742 H1

CONDENSER

1шт.

24

1439 704 H91

DRIER WELDMENT

1шт.

25

1439 705 H91

CLAMP, WIRE

2шт.

26

1439 834 H1

A/C HOSE - CONDENSER INLET

1шт.

27

375 271 R1

O-RING

2шт.

28

1439 835 H1

A/C HOSE - CONDENSER OUTLET

1шт.

29

359 158 R1

O-RING

2шт.

30

30 365 R1

SCREW

1шт.

31

30 325 R1

WASHERS

2шт.

|$37

31 107 R1

NUT

1шт.

32

1439 698 H1

RECEIVER/DRIER

1шт.

|$39

KIT, COMPRESSOR MOUNTING (SEE PG 13-086)

-29шт.

33

BELT (SEE PG 13-086)

-29шт.

34

MOUNT WELDMENT (SEE PG 13-086)

-29шт.

|$42

1439 829 H91

KIT, EVAPORATOR HOSE

-1шт.

35

1439 837 H1

HOSE, EVAPORATOR OUTLET

1шт.

36

371 544 R1

O-RING

2шт.

37

1439 836 H1

HOSE, EVAPORATOR INLET

1шт.

38

359 158 R1

O-RING

2шт.

39

363 459 C1

HOSE

1шт.

40

363 457 C1

HOSE

1шт.

|$51

-1шт.

|$50

F1 - CUT HOSE TO LENGTH

-1шт.

|$52

-1шт.

Выбрано товаров: 52