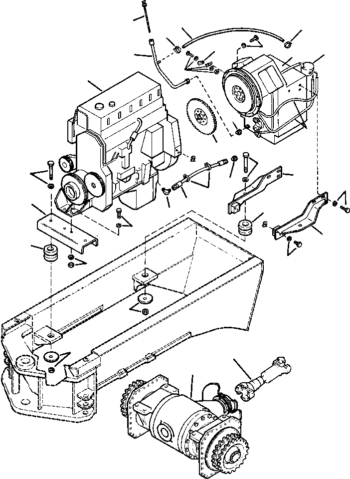
Запчасти Komatsu GD750A-1 ПРИВОД ЛИНИЯ ПРИВОД TRAIN

Схема запчастей Komatsu GD750A-1 - ПРИВОД ЛИНИЯ ПРИВОД TRAIN
24
17
25
25
26
19
27
18
21
20
5
29
28
9
11
1
6
16
8
15
4
14
10
13
3
7
2
12
3
11
1
22
23
FIT
1:1
100%

Артикул

Название

Примечание

Количество

1

30 122 R1

BOLT

2шт.

|$1

01643-32460

WASHER

2шт.

|$2

1437 156 H1

WASHER - SPECIAL

2шт.

|$3

01580-12419

NUT

2шт.

2

1437 154 H1

MOUNT, RUBBER

2шт.

3

01010-82070

BOLT

2шт.

|$6

01643-32060

WASHER

4шт.

|$7

905 257 R1

NUT

2шт.

4

1437 134 H1

MOUNT, CHANNEL

1шт.

5

ENGINE - M 11 (SEE PG E9-002)

-29шт.

6

1437 139 H91

BRACKET, TRANSMISSION - R.H

1шт.

7

1437 140 H91

BRACKET, TRANSMISSION - L.H

1шт.

8

01010-81645

BOLT

6шт.

|$13

01643-31645

WASHER

6шт.

9

FLYWHEEL (SEE PG E2-014)

-29шт.

10

1437 155 H1

MOUNT, RUBBER

2шт.

11

30 122 R1

BOLT

2шт.

|$17

01643-32460

WASHER

2шт.

|$18

1437 156 H1

WASHER - SPECIAL

2шт.

|$19

01580-12419

NUT

2шт.

12

01010-81680

BOLT

4шт.

|$21

01643-31645

WASHER

4шт.

13

338 768 R1

ADAPTER - 90°

1шт.

14

1214 211 H1

HOSE

1шт.

15

935 522 C1

STRAP, TIE

2шт.

16

150 376

PLUG

1шт.

17

1436 673 H92

DIPSTICK

1шт.

18

1436 049 H92

TUBE, DIPSTICK

1шт.

19

27 694 R1

CLAMP, TUBE

1шт.

20

1439 310 H1

BRACKET

1шт.

|$30

01010-81230

BOLT

1шт.

|$31

01643-31232

WASHER

2шт.

|$32

01580-11210

NUT

1шт.

21

TRANSMISSION (SEE PG 07-030)

-29шт.

22

DRIVE SHAFT (SEE PG 07-010)

-29шт.

23

DRIVE ASSEMBLY, FINAL (SEE PG 07-004)

-29шт.

24

364 357 C1

HOSE, TRANSMISSION VENT

-2шт.

25

27 860 R1

CLAMP, HOSE

2шт.

26

01010-81035

BOLT

12шт.

26

01643-31032

WASHER

12шт.

27

FILTER, TRANSMISSION OIL (SEE PG 07-026)

-29шт.

28

LINES, TRANSMISSION OIL FILTER (SEE PG 07-028)

-29шт.

29

WB 00116

CONNECTOR

1шт.

|$45

-1шт.

|$44

F1 - QUANTITY EXPRESSED IN FEET

-1шт.

|$46

-1шт.

Выбрано товаров: 46