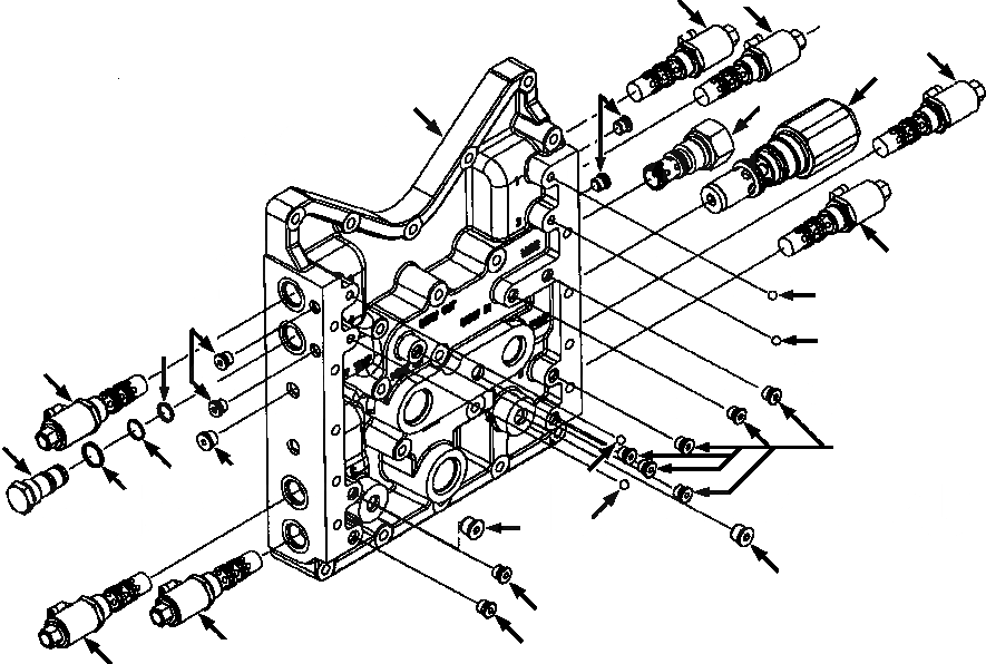
Запчасти Komatsu GD750A-1 КЛАПАН УПРАВЛЕНИЯ ТРАНСМИССИЕЙ ТРАНСМИССИЯ ПРИВОД TRAIN

Схема запчастей Komatsu GD750A-1 - КЛАПАН УПРАВЛЕНИЯ ТРАНСМИССИЕЙ ТРАНСМИССИЯ ПРИВОД TRAIN
8
8
8
7
11
1
3
9
2
11
6
2
8
4
11
5
10
2
9
12
2
12
11
11
8
8
FIT
1:1
100%

Артикул

Название

Примечание

Количество

|$0

1440 100 H91

VALVE, TRANSMISSION CONTROL

1шт.

1

1440 101 H1

HOUSING, VALVE

1шт.

2

17 009 R1

BALL

4шт.

3

1437 740 H1

VALVE, RELIEF

1шт.

4

1437 744 H1

PLUG, PROP SOLENOID

1шт.

5

379 181 R1

O-RING

1шт.

6

1437 759 H1

O-RING

1шт.

7

REGULATOR, MAIN (SEE PG 07-064)

-29шт.

8

VALVE, PROPORTIONAL SOLENOID (SEE PG 07-066)

-29шт.

9

364 885 R1

O-RING

1шт.

10

99 796

PLUG

1шт.

11

1438 260 H1

PLUG, HEX SOCKET

12шт.

12

63 922

PLUG, TUBE

2шт.

Выбрано товаров: 13