Качественные детали и логистика
Оригинальные и аналоговые запчасти с доставкой по России, Казахстану и Беларуси
©2022 PartSell ООО "Система" ИНН 2463123282 ОГРН 1212400004838
Центральный офис: г. Красноярск, Академика Киренского, д.87, пом.4
Телефон: 8 (800) 777-65-74 Email: zakaz@partsell.ru
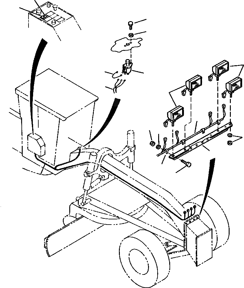
ПЕРЕДН. BAR HEADLIGHT УСТАНОВКА
№
Артикул
Название
Примечание
Количество
|$0
1439 386 H91
BAR-MOUNTED LIGHTS
1шт.
1
1430 469 H91
LAMP - 24v
4шт.
2
1439 960 H1
LIGHT BAR
3
37 570 A
CLAMP
4
01010-80620
BOLT
6шт.
5
01643-30623
WASHER
6
01580-10605
NUT
7
67 158
SWITCH, HEADLIGHT DIMMER
8
1249 210 H1
CABLE
9
1439 961 H91
HARNESS
10
ROCKER SWITCH (SEE PG 11-004)
-29шт.
11
ICON, HEADLIGHT (SEE PG 02-004)
Выбрано товаров: 0