Запчасти Komatsu GD750A-1 РУЛЕВ. УПРАВЛЕНИЕ КОНСОЛЬ ЭЛЕКТРОПРОВОДКА ЭЛЕКТР.

Схема запчастей Komatsu GD750A-1 - РУЛЕВ. УПРАВЛЕНИЕ КОНСОЛЬ ЭЛЕКТРОПРОВОДКА ЭЛЕКТР.
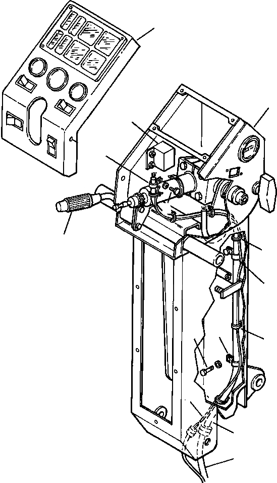
1
3
5
6
7
4
8
9
9
10
8
4
2
11
FIT
1:1
100%

Артикул

Название

Примечание

Количество

|$0

1435 228 H91

CONSOLE ASSEMBLY, STEERING

-54шт.

1

PANEL, INSTRUMENT (SEE PG 11-002)

-29шт.

2

HARNESS, INSTRUMENT PANEL (SEE PG 11-002)

-29шт.

3

CONSOLE, STEERING (SEE PG 05-002)

-29шт.

4

LEVER, TURN SIGNAL & HARNESS (SEE PG 05-002)

-29шт.

5

FLASHER, TURN SIGNAL (SEE PG 05-002)

-29шт.

6

27 694 R1

CLAMP, CABLE

1шт.

7

01010-80816

BOLT

1шт.

|$8

01643-30823

WASHER, LOCK

1шт.

8

935 522 C1

STRAP, TIE

7шт.

9

27 291 R1

CLAMP, CABLE

2шт.

10

01010-80620

BOLT

2шт.

|$12

01643-30623

WASHER, FLAT

2шт.

11

HARNESS, MAIN WIRING (SEE PG 08-024)

-29шт.

Выбрано товаров: 14