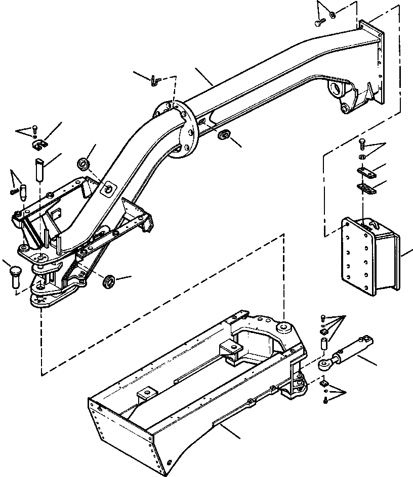
Запчасти Komatsu GD750A-1 ОСНОВН. РАМА РАМА

Схема запчастей Komatsu GD750A-1 - ОСНОВН. РАМА РАМА
14
1
2
5
6
10
17
9
12
15
7
16
13
9
11
8
4
8
3
FIT
1:1
100%

Артикул

Название

Примечание

Количество

|$0

1435 212 H92

FRAME ASSEMBLY, MAIN

1шт.

1

1438 162 H91

FRAME WELDMENT - FRONT

1шт.

2

1439 537 H1

INDICATOR

1шт.

3

1435 595 H92

FRAME WELDMENT - REAR

1шт.

4

CYLINDER, ARTICULATION (SEE PG 10-048)

-29шт.

5

1438 164 H1

RETAINER

1шт.

6

01643-32060

WASHER

4шт.

|$7

01010-82050

BOLT

4шт.

7

1435 616 H3

PIN, ARTICULATION JOINT LOCK

1шт.

|$9

84 933

PIN, COTTER

1шт.

8

1435 614 H2

PIN, ARTICULATION CYLINDER

4шт.

|$11

1435 615 H2

PLATE, LOCK

8шт.

|$12

01643-51032

WASHER

16шт.

|$13

01010-81025

BOLT

16шт.

9

JOINT ASSEMBLY, ARTICULATION (SEE PG 09-004)

-29шт.

10

1237 214 H1

U-CHANNEL

-2шт.

11

1436 709 H1

U-CHANNEL

3шт.

12

1436 709 H1

U-CHANNEL

-2шт.

13

1438 528 H91

PLATE, PUSH - W/BALLAST

1шт.

|$30

-1шт.

|$20

- OR -

-1шт.

|$21

1439 674 H91

PLATE, PUSH - W/O BALLAST

1шт.

14

01010-82470

BOLT

10шт.

|$23

70788-75410

WASHER

10шт.

15

159 002

COVER

1шт.

16

159 003

GASKET

1шт.

17

01010-81225

BOLT

2шт.

|$27

016433-1232

WASHER

2шт.

|$31

-1шт.

|$29

F1 - QUANTITY EXPRESSED IN FEET

-1шт.

|$32

-1шт.

Выбрано товаров: 31