Запчасти Komatsu GD755-3 ПОЛ Э/ПРОВОДКА КАБИНА ОПЕРАТОРА И СИСТЕМА УПРАВЛЕНИЯ

Схема запчастей Komatsu GD755-3 - ПОЛ Э/ПРОВОДКА КАБИНА ОПЕРАТОРА И СИСТЕМА УПРАВЛЕНИЯ
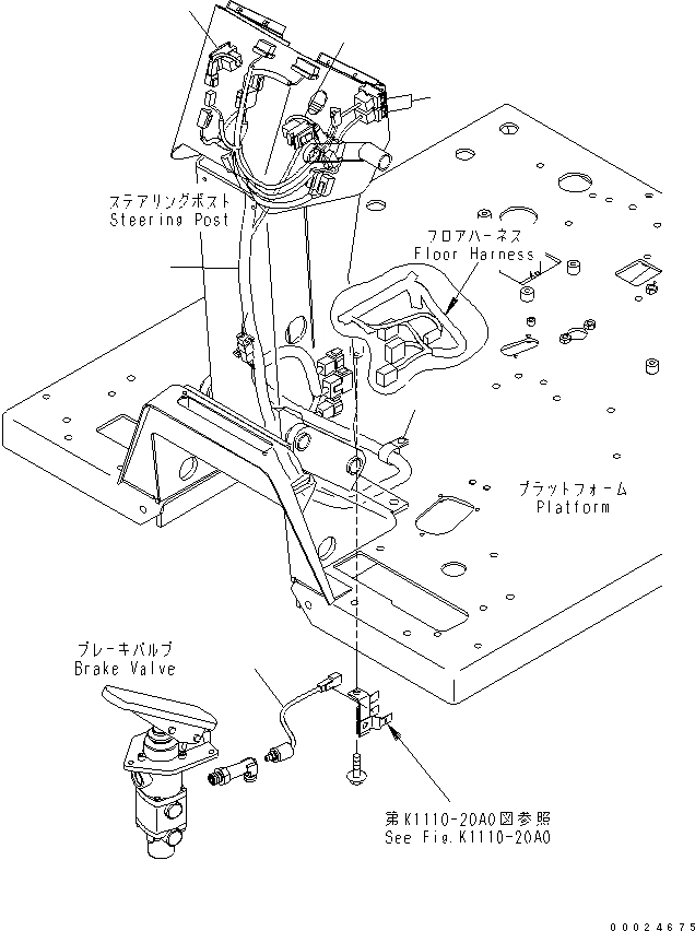
1
3
4
5
6
7
FIT
1:1
100%

Артикул

Название

Примечание

Количество

1

42C-43-12941

SWITCH,STOP LAMP

SN: 30001-UP

1шт.

3

04434-52310

CLIP

SN: 30001-UP

1шт.

4

23C-06-51211

WIRING HARNESS

SN: 30001-UP

1шт.

5

42C-06-11350

SWITCH,CREEP MODE

SN: 30001-UP

1шт.

6

42C-06-11370

SWITCH,MONITOR MODE

SN: 30001-UP

2шт.

7

42C-06-11320

SWITCH,ENGINE START HELP

SN: 30001-UP

1шт.

Выбрано товаров: 0