Запчасти Komatsu GD755-3 ВРАЩ.-TACH GRAPH КАБИНА ОПЕРАТОРА И СИСТЕМА УПРАВЛЕНИЯ

Схема запчастей Komatsu GD755-3 - ВРАЩ.-TACH GRAPH КАБИНА ОПЕРАТОРА И СИСТЕМА УПРАВЛЕНИЯ
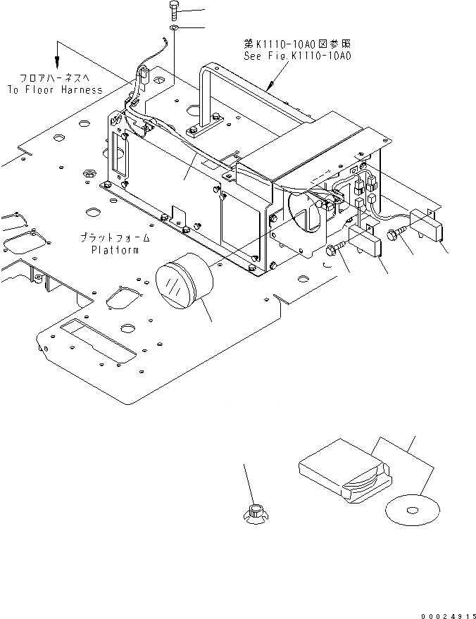
1
2
3
4
6
7
8
8
9
10
FIT
1:1
100%

Артикул

Название

Примечание

Количество

1

569-86-85150

TACHOGRAPH

SN: 30001-UP

1шт.

2

23C-06-51520

WIRING HARNESS

SN: 30001-UP

1шт.

3

01010-81016

BOLT

SN: 30001-UP

1шт.

4

01643-31032

WASHER

SN: 30001-UP

1шт.

6

23C-06-51530

CONVERTER

SN: 30001-UP

1шт.

7

23C-06-51540

CONVERTER

SN: 30001-UP

1шт.

8

01435-00612

BOLT

SN: 30001-UP

2шт.

9

234-806-8450

RING

SN: 30001-UP

1шт.

10

234-806-8460

SHEET

SN: 30001-UP

20шт.

Выбрано товаров: 9