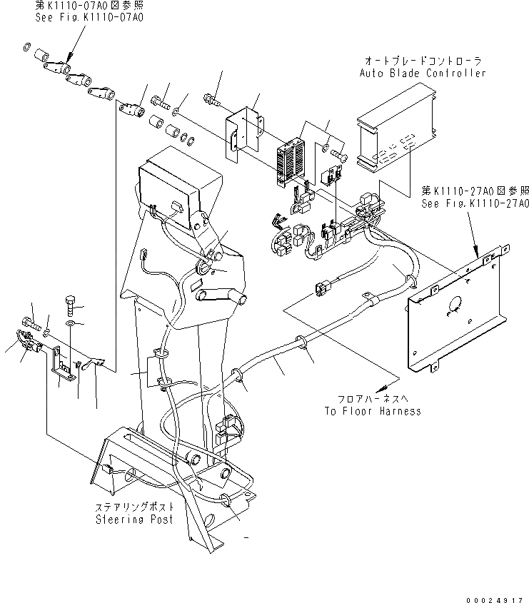
Запчасти Komatsu GD755-3 АВТОМАТИЧ. ОТВАЛ ЭЛЕКТРОПРОВОДКА КАБИНА ОПЕРАТОРА И СИСТЕМА УПРАВЛЕНИЯ

Схема запчастей Komatsu GD755-3 - АВТОМАТИЧ. ОТВАЛ ЭЛЕКТРОПРОВОДКА КАБИНА ОПЕРАТОРА И СИСТЕМА УПРАВЛЕНИЯ
1
2
2
2
2
2
3
4
5
6
7
8
9
10
11
12
12
13
14
15
16
17
18
FIT
1:1
100%

Артикул

Название

Примечание

Количество

1

23C-843-5110

WIRING HARNESS

SN: 30001-UP

1шт.

2

08034-20519

BAND

SN: 30001-UP

20шт.

3

04434-51412

CLIP

SN: 30001-UP

1шт.

4

08037-03614

GROMMET

SN: 30001-UP

1шт.

5

23C-843-5350

LEVER

SN: 30001-UP

1шт.

6

23B-43-35770

PLATE

SN: 30001-UP

1шт.

7

01010-80610

BOLT

SN: 30001-UP

2шт.

8

01643-30623

WASHER

SN: 30001-UP

2шт.

9

23C-843-5340

BRACKET

SN: 30001-UP

1шт.

10

01010-81035

BOLT

SN: 30001-UP

1шт.

11

01643-31032

WASHER

SN: 30001-UP

1шт.

12

23B-06-42620

SENSOR,POWER TILT LEVER

SN: 30001-UP

1шт.

13

08034-20519

BAND

SN: 30001-UP

1шт.

14

23F-843-3660

REGULATOR

SN: 30001-UP

1шт.

15

01023-10306

SCREW

SN: 30001-UP

4шт.

16

23F-843-3670

COVER

SN: 30001-UP

1шт.

17

01010-80610

BOLT

SN: 30001-UP

4шт.

18

01643-30623

WASHER

SN: 30001-UP

4шт.

Выбрано товаров: 0