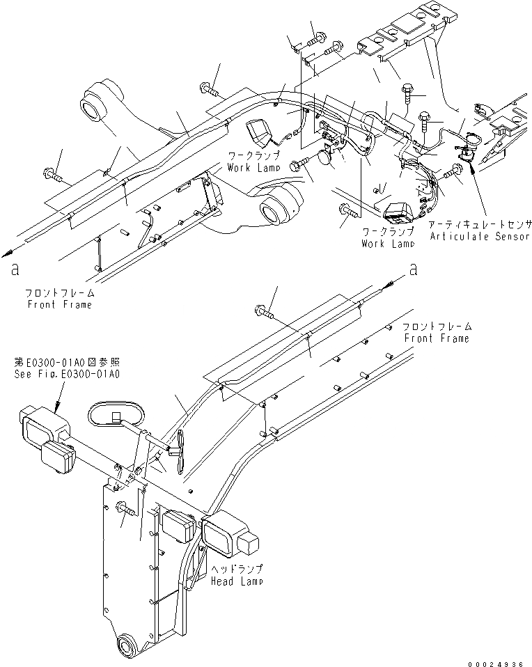
Запчасти Komatsu GD755-3 ПЕРЕДН. РАМА Э/ПРОВОДКА ЭЛЕКТРИКА

Схема запчастей Komatsu GD755-3 - ПЕРЕДН. РАМА Э/ПРОВОДКА ЭЛЕКТРИКА
1
1
2
3
4
5
5
5
5
5
5
5
5
6
6
6
6
7
8
8
8
9
10
11
12
13
14
15
16
17
18
19
FIT
1:1
100%

Артикул

Название

Примечание

Количество

1

23C-06-51150

WIRING HARNESS

SN: 30001-UP

1шт.

2

23C-06-51160

WIRING HARNESS

SN: 30001-UP

1шт.

3

08193-21012

CLIP

SN: 30001-UP

1шт.

4

01435-01016

BOLT

SN: 30001-UP

1шт.

5

04434-51710

CLIP

SN: 30001-UP

14шт.

6

01435-01016

BOLT

SN: 30001-UP

13шт.

7

08193-21012

CLIP

SN: 30001-UP

1шт.

8

04434-51010

CLIP

SN: 30001-UP

3шт.

9

01435-01016

BOLT

SN: 30001-UP

2шт.

10

04434-51910

CLIP

SN: 30001-UP

1шт.

11

01435-01016

BOLT

SN: 30001-UP

1шт.

12

08193-21012

CLIP

SN: 30001-UP

1шт.

13

01435-01016

BOLT

SN: 30001-UP

1шт.

14

08160-72420

HORN

SN: 30001-UP

1шт.

15

01435-00812

BOLT

SN: 30001-UP

2шт.

16

08193-21012

CLIP

SN: 30001-UP

1шт.

17

08193-31012

CLIP

SN: 30001-UP

1шт.

18

01435-01016

BOLT

SN: 30001-UP

2шт.

19

01435-01016

BOLT

SN: 30001-UP

2шт.

Выбрано товаров: 0