Запчасти Komatsu GD755-3 ПЕРЕДН. Э/ПРОВОДКА (СОЧЛ. СОЕД. ДАТЧИК) ЭЛЕКТРИКА

Схема запчастей Komatsu GD755-3 - ПЕРЕДН. Э/ПРОВОДКА (СОЧЛ. СОЕД. ДАТЧИК) ЭЛЕКТРИКА
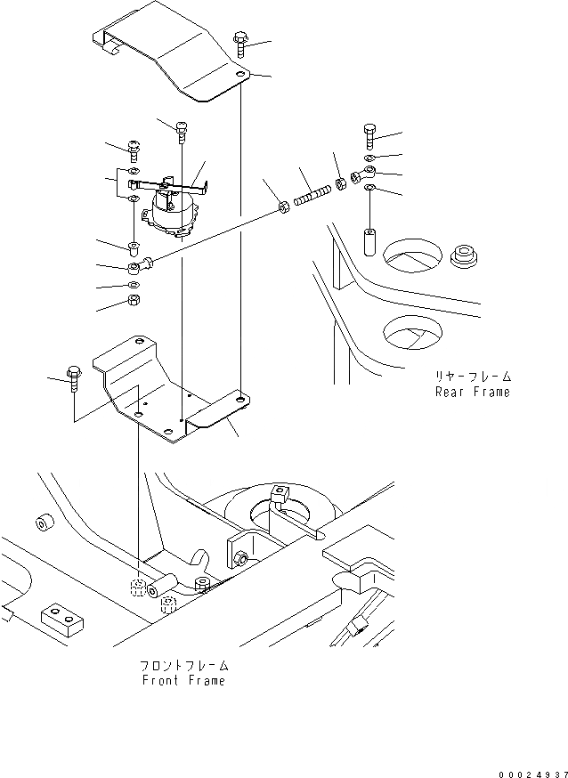
1
2
3
4
5
6
7
8
9
10
11
12
13
14
15
16
16
17
18
FIT
1:1
100%

Артикул

Название

Примечание

Количество

1

23B-06-42170

SENSOR,ARTICULATE

SN: 30001-UP

1шт.

2

01023-10412

SCREW

SN: 30001-UP

3шт.

3

23B-06-43380

SPACER

SN: 30001-UP

1шт.

4

01580-10504

NUT

SN: 30001-UP

1шт.

5

01640-20508

WASHER

SN: 30001-UP

2шт.

6

04254-10823

SPACER

SN: 30001-UP

1шт.

7

01023-10535

BOLT

SN: 30001-UP

1шт.

8

04250-60847

END

SN: 30001-UP

1шт.

9

01508-40805

NUT

SN: 30001-UP

1шт.

10

04248-30817

ROD

SN: 30001-UP

1шт.

11

23C-06-51631

BRACKET

SN: 30001-UP

1шт.

12

01435-01016

BOLT

SN: 30001-UP

3шт.

13

04250-40847

END

SN: 30001-UP

1шт.

14

01580-10806

NUT

SN: 30001-UP

1шт.

15

01010-80825

BOLT

SN: 30001-UP

1шт.

16

04254-10823

SPACER

SN: 30001-UP

2шт.

17

23C-06-51641

COVER

SN: 30001-UP

1шт.

18

01435-01016

BOLT

SN: 30001-UP

2шт.

Выбрано товаров: 0