Запчасти Komatsu GD755-3 ДВИГАТЕЛЬ И T/M КРЕПЛЕНИЕ (T/M КРЕПЛЕНИЕ) КОМПОНЕНТЫ ДВИГАТЕЛЯ

Схема запчастей Komatsu GD755-3 - ДВИГАТЕЛЬ И T/M КРЕПЛЕНИЕ (T/M КРЕПЛЕНИЕ) КОМПОНЕНТЫ ДВИГАТЕЛЯ
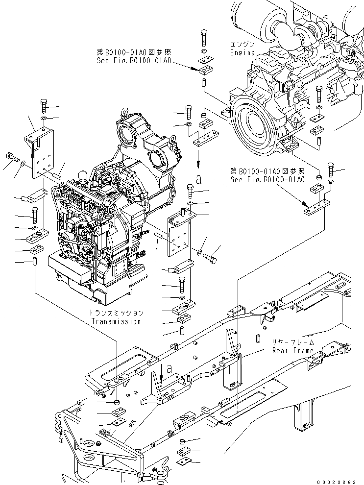
1
2
3
3
4
4
5
5
6
6
6
6
7
7
8
8
9
9
10
10
11
11
12
12
13
13
13
13
14
14
14
14
15
15
FIT
1:1
100%

Артикул

Название

Примечание

Количество

1

23C-01-51113

BRACKET

SN: 30001-UP

1шт.

2

23C-01-51182

BRACKET

SN: 30001-UP

1шт.

3

23C-01-51162

PLATE

SN: 30001-UP

2шт.

4

01011-61600

BOLT

SN: 30001-UP

4шт.

5

01643-31645

WASHER

SN: 30001-UP

4шт.

6

23A-01-11410

CUSHION

SN: 30001-UP

4шт.

7

23A-01-11250

SPACER

SN: 30001-UP

4шт.

8

23B-01-11240

CUSHION

SN: 30001-UP

4шт.

9

01010-61650

BOLT

SN: 30001-UP

4шт.

10

01643-31645

WASHER

SN: 30001-UP

4шт.

11

23C-01-51171

PLATE

SN: 30001-UP

2шт.

12

198-54-14160

SHIM¤ 1.0MM

SN: 30001-UP

22шт.

13

01010-61650

BOLT

SN: 30001-UP

8шт.

14

01643-31645

WASHER

SN: 30001-UP

8шт.

15

04020-01228

PIN

SN: 30001-UP

4шт.

Выбрано товаров: 15