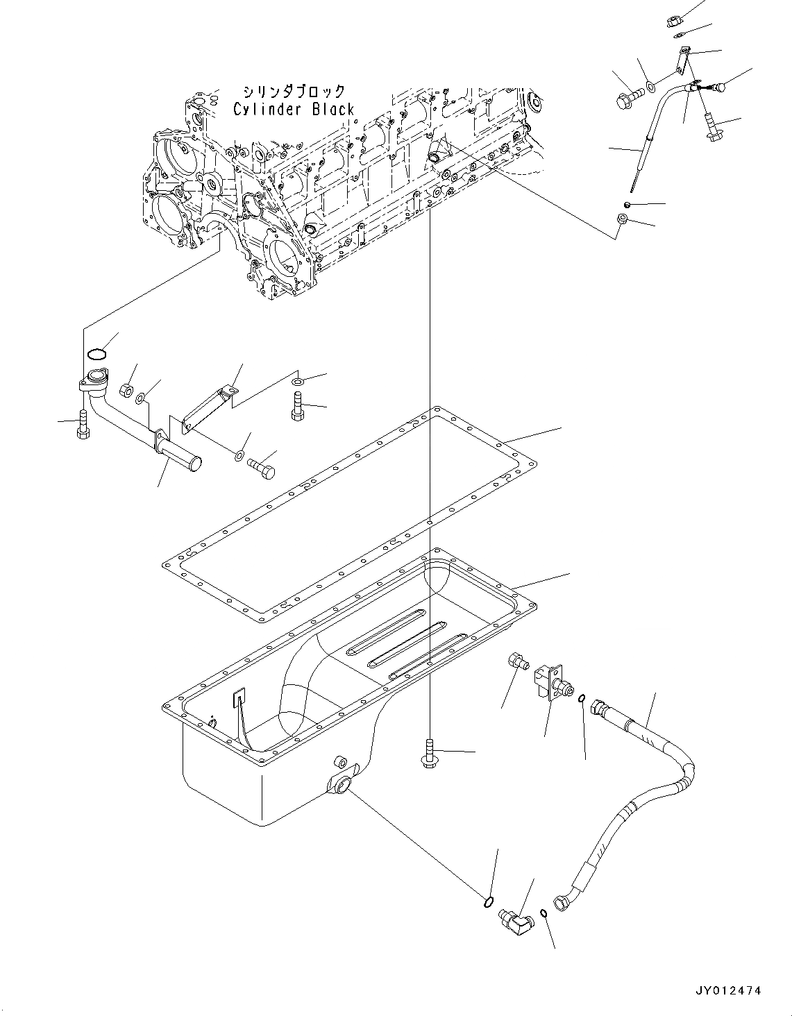
Запчасти Komatsu SAA6D125E-5HR МАСЛЯНЫЙ ПОДДОН И ВСАСЫВАЮЩИЙ ПАТРУБОК (№77-) МАСЛЯНЫЙ ПОДДОН И ВСАСЫВАЮЩИЙ ПАТРУБОК

Схема запчастей Komatsu SAA6D125E-5HR - МАСЛЯНЫЙ ПОДДОН И ВСАСЫВАЮЩИЙ ПАТРУБОК (№77-) МАСЛЯНЫЙ ПОДДОН И ВСАСЫВАЮЩИЙ ПАТРУБОК
28
21
22
23
24
25
26
27
29
30
1
2
20
19
18
17
16
15
14
13
11
10
12
3
5
4
6
8
7
7
9
28
21
22
23
24
25
26
27
29
30
1
2
20
19
18
17
16
15
14
13
11
10
12
3
5
4
6
8
7
7
9
FIT
1:1
100%

Артикул

Название

Примечание

Количество

1

6150-21-5530

Oil Pan

SN: 660776-UP

1шт.

2

6150-21-5813

Gasket

SN: 660776-UP

1шт.

3

01435-01025

Bolt

SN: 661223-UP

35шт.

3

01435-01025

Bolt

SN: 660776-661222

36шт.

4

421-U44-3830

Elbow

SN: 660776-UP

1шт.

5

07002-23634

O-ring

SN: 660776-UP

1шт.

6

23C-01-61290

Hose

SN: 660776-UP

1шт.

7

02896-11018

O-ring

SN: 660776-UP

2шт.

8

23C-01-51332

Valve

SN: 660776-UP

1шт.

9

424-01-11110

Plug

SN: 660776-UP

1шт.

10

08034-20536

Band

SN: 660776-UP

1шт.

11

6207-21-5340

Gauge

SN: 660776-UP

1шт.

12

6251-21-5550

Guide

SN: 660776-UP

1шт.

13

6150-21-5920

Collar

SN: 660776-UP

1шт.

14

6150-21-5930

Nut

SN: 660776-UP

1шт.

15

6251-21-5510

Bracket

SN: 660776-UP

1шт.

16

01643-31032

Washer

SN: 660776-UP

1шт.

17

01435-01025

Bolt

SN: 660776-UP

1шт.

18

04434-51310

Clip

SN: 660776-UP

1шт.

19

01435-01025

Bolt

SN: 660776-UP

1шт.

20

01643-31032

Washer

SN: 660776-UP

1шт.

21

01584-01008

Nut

SN: 660776-UP

1шт.

22

6150-51-6330

Strainer

SN: 660776-UP

1шт.

23

07000-73045

O-ring

SN: 660776-UP

1шт.

24

01010-81035

Bolt

SN: 660776-UP

2шт.

25

6150-51-6340

Bracket

SN: 660776-UP

1шт.

26

01010-81020

Bolt

SN: 660776-UP

1шт.

27

01643-31032

Washer

SN: 660776-UP

1шт.

28

01024-81030

Bolt, Sems

SN: 660776-UP

1шт.

29

01580-01008

Nut

SN: 660776-UP

1шт.

30

01643-31032

Washer

SN: 660776-UP

1шт.

1

6150-21-5530

Oil Pan

SN: 660776-UP

1шт.

2

6150-21-5813

Gasket

SN: 660776-UP

1шт.

3

01435-01025

Bolt

SN: 661223-UP

35шт.

3

01435-01025

Bolt

SN: 660776-661222

36шт.

4

421-U44-3830

Elbow

SN: 660776-UP

1шт.

5

07002-23634

O-ring

SN: 660776-UP

1шт.

6

23C-01-61290

Hose

SN: 660776-UP

1шт.

7

02896-11018

O-ring

SN: 660776-UP

2шт.

8

23C-01-51332

Valve

SN: 660776-UP

1шт.

9

424-01-11110

Plug

SN: 660776-UP

1шт.

10

08034-20536

Band

SN: 660776-UP

1шт.

11

6207-21-5340

Gauge

SN: 660776-UP

1шт.

12

6251-21-5550

Guide

SN: 660776-UP

1шт.

13

6150-21-5920

Collar

SN: 660776-UP

1шт.

14

6150-21-5930

Nut

SN: 660776-UP

1шт.

15

6251-21-5510

Bracket

SN: 660776-UP

1шт.

16

01643-31032

Washer

SN: 660776-UP

1шт.

17

01435-01025

Bolt

SN: 660776-UP

1шт.

18

04434-51310

Clip

SN: 660776-UP

1шт.

19

01435-01025

Bolt

SN: 660776-UP

1шт.

20

01643-31032

Washer

SN: 660776-UP

1шт.

21

01584-01008

Nut

SN: 660776-UP

1шт.

22

6150-51-6330

Strainer

SN: 660776-UP

1шт.

23

07000-73045

O-ring

SN: 660776-UP

1шт.

24

01010-81035

Bolt

SN: 660776-UP

2шт.

25

6150-51-6340

Bracket

SN: 660776-UP

1шт.

26

01010-81020

Bolt

SN: 660776-UP

1шт.

27

01643-31032

Washer

SN: 660776-UP

1шт.

28

01024-81030

Bolt, Sems

SN: 660776-UP

1шт.

29

01580-01008

Nut

SN: 660776-UP

1шт.

30

01643-31032

Washer

SN: 660776-UP

1шт.

Выбрано товаров: 62